EasyManua.ls Logo

Philips 70FA910/00S - Page 27

Philips 70FA910/00S
40 pages
Print Icon
To Next Page IconTo Next Page
To Next Page IconTo Next Page
To Previous Page IconTo Previous Page
To Previous Page IconTo Previous Page
Loading...
a
+
1
2
a
2
»
2
a
A
s
2
Py
»
=
4
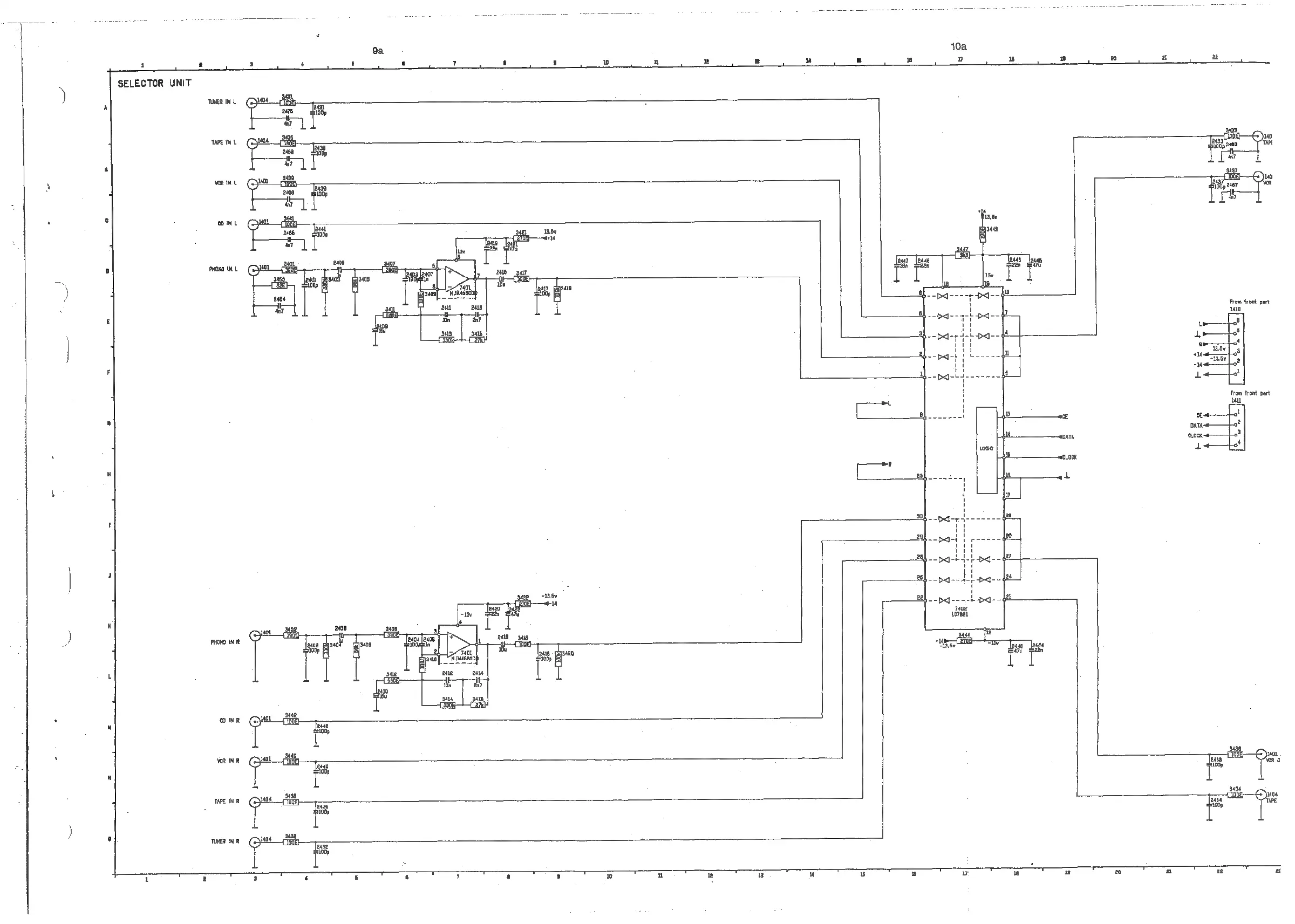
SELECTOR
UNIT
=
=
=
)
aw
A
:
1
TE
INL
Mo
i
,
a
us
4
were
40
Tn
hea
tt
-
7
CD
INL
|
rev
WL
From
front
pat
Mn
t
:
)
ama
4
i
|
aso
one
Scape
F
amen
1+}
From
font
part
at
a
¥
cto}
DaTAt——f-o?
.0cK
«——-o?
<
4
4}
04
"
\
2408
ou
Se
PHONO
IN
R
-_
lace
paseo
ie
BR
nm
:
ene
Gide
Mio
3408
wri
ual
oa
ot
Ot
ig
OO
"
tial
i
3404
-
4
TAPE
INR
404
‘oog}—
)ia04
out
yg
gg
On
uncer
mR
CO
Tease

Related product manuals