EasyManua.ls Logo

Philips 70FA910/00S - Page 7

Philips 70FA910/00S
40 pages
Print Icon
To Next Page IconTo Next Page
To Next Page IconTo Next Page
To Previous Page IconTo Previous Page
To Previous Page IconTo Previous Page
Loading...
L
1
10
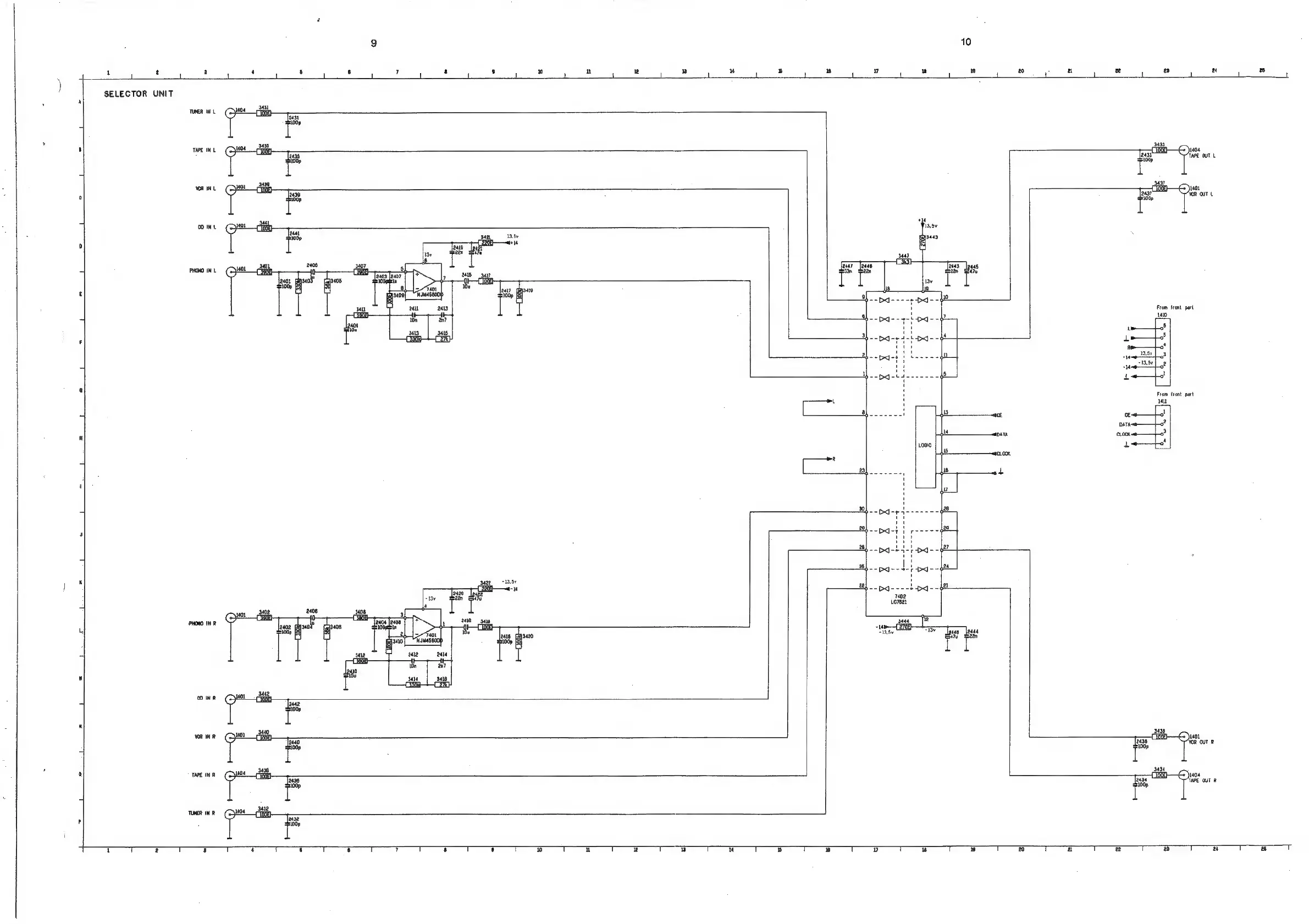
SELECTOR
UNIT
TER
mL
HEL
ome
PHONO
INL
PHONO
IN
R
Qe
a
04
leas
1009
or,
34H
ou
m
leaor
aise
100
9408
a8
7
2
ca
L
3433
{TOE
so
[eas
7WPE
OUT
‘fee
3437,
101
aay"
1
a
MR
OUT
From trot
eet
140
CLELEL
From
(rot
part
1a
ovTh<—
.0%K-<—}
41+
ewe!
Fre
ba
01
eR
OUT
100
ver
404
ease
‘Hee
OUT
R
F
w

Related product manuals