EasyManua.ls Logo

Philips 70FA910/00S - Page 9

Philips 70FA910/00S
40 pages
Print Icon
To Next Page IconTo Next Page
To Next Page IconTo Next Page
To Previous Page IconTo Previous Page
To Previous Page IconTo Previous Page
Loading...
PCS
57
576
i!
Sill
rie
Nae
pics
lees
ec
Oa
itil
tale
Mins
;
sat
pibahiwalt
alah
oak
A
+s
nin
i
SARS
z
tk
1608
ale
oy
s|%
a
=
|
ot
lw
f
rss
tule
wats,
ss
Labs
erat
*
a
To
front
To
selector
rotary
)560
ba
‘tae
pope
Fala
*
Pea
kia
q
+
fone
salen
¢
mas
fl
no
|
l
veoh
a
Medien
|
ds
:
eee
|
wm
w
|
zh.
3
‘al
noe
bad
7850
i
mm
on
sealife
wm
as
‘To
17
stanoey-
ae
seutsnow
costes
matte
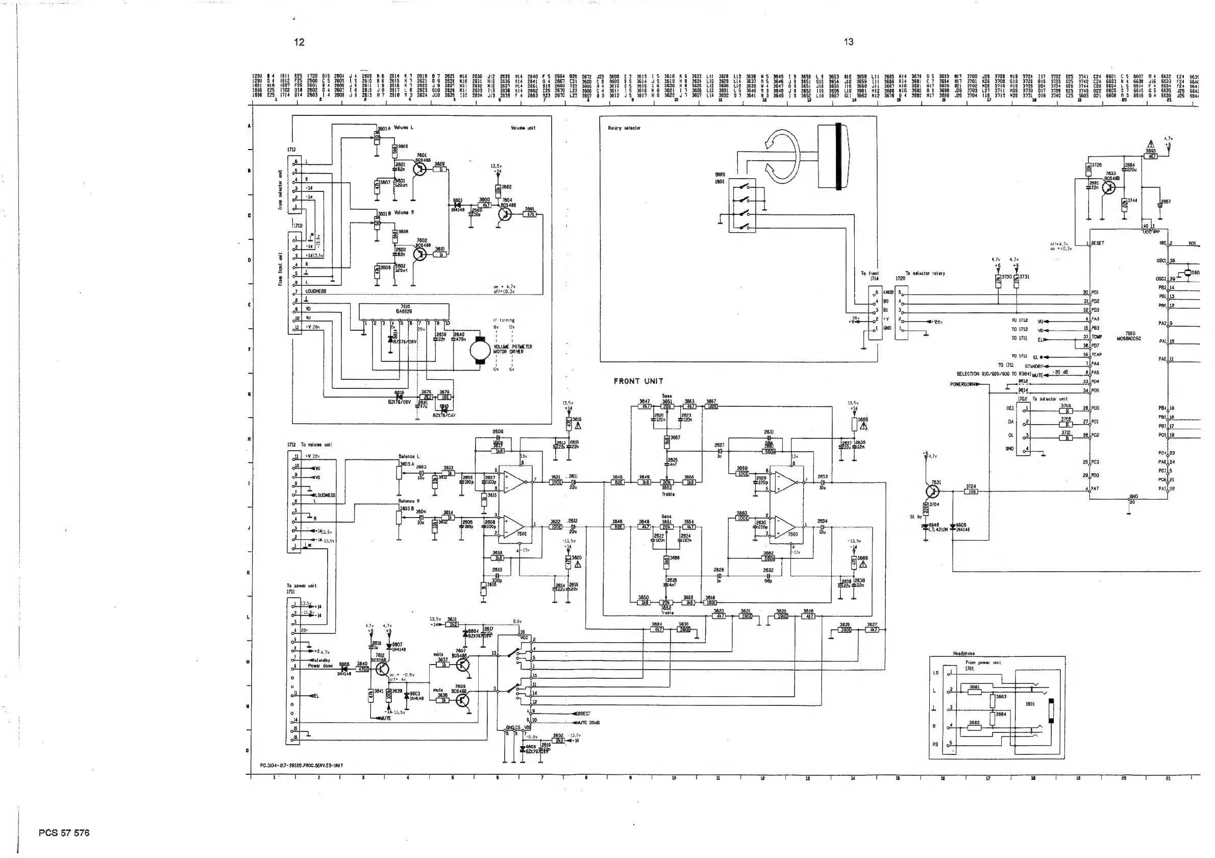
FRONT
UNIT
poweroome—
3819
3686
pa
8
7
a
rn
Ameo
volun
ait
op
ER
y
ss
aa
ara
Tak
3
Ce
Ol
4
ot)
=
at
:
(ol
enna
a
Mw
3724
a
me
a
oH
nes
mm
at
an
:
a
io
arly
.
9
acces
LTLAZI2N
SE
nAas
ft
ettine
aren
mg,
te
por
wt
Tg
“i
13.5
3631
ar
iz
PS
tan
=
[—astondby.
From
power
unit
te
‘am
———
Ln,
a
oy
suse
reanimation
tat
ti
a
at
a
a
ot
a
ot
a
a

Related product manuals