EasyManua.ls Logo

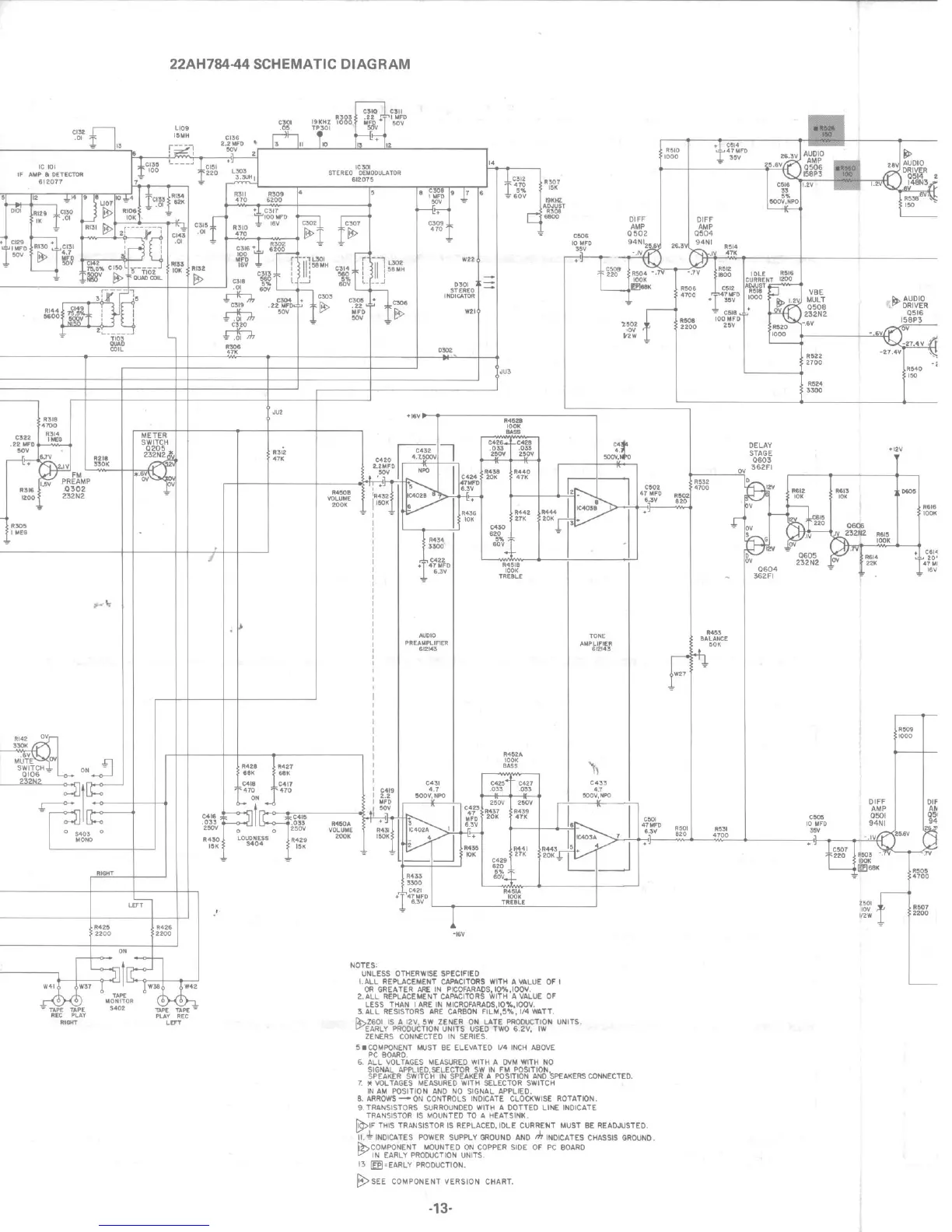
Philips 7841 - Schematic Diagram

Philips 7841
24 pages
Print Icon
To Next Page IconTo Next Page
To Next Page IconTo Next Page
To Previous Page IconTo Previous Page
To Previous Page IconTo Previous Page
Loading...

Related product manuals