EasyManua.ls Logo

Philips AS660C/41 - Page 56

Philips AS660C/41
128 pages
Print Icon
To Next Page IconTo Next Page
To Next Page IconTo Next Page
To Previous Page IconTo Previous Page
To Previous Page IconTo Previous Page
Loading...
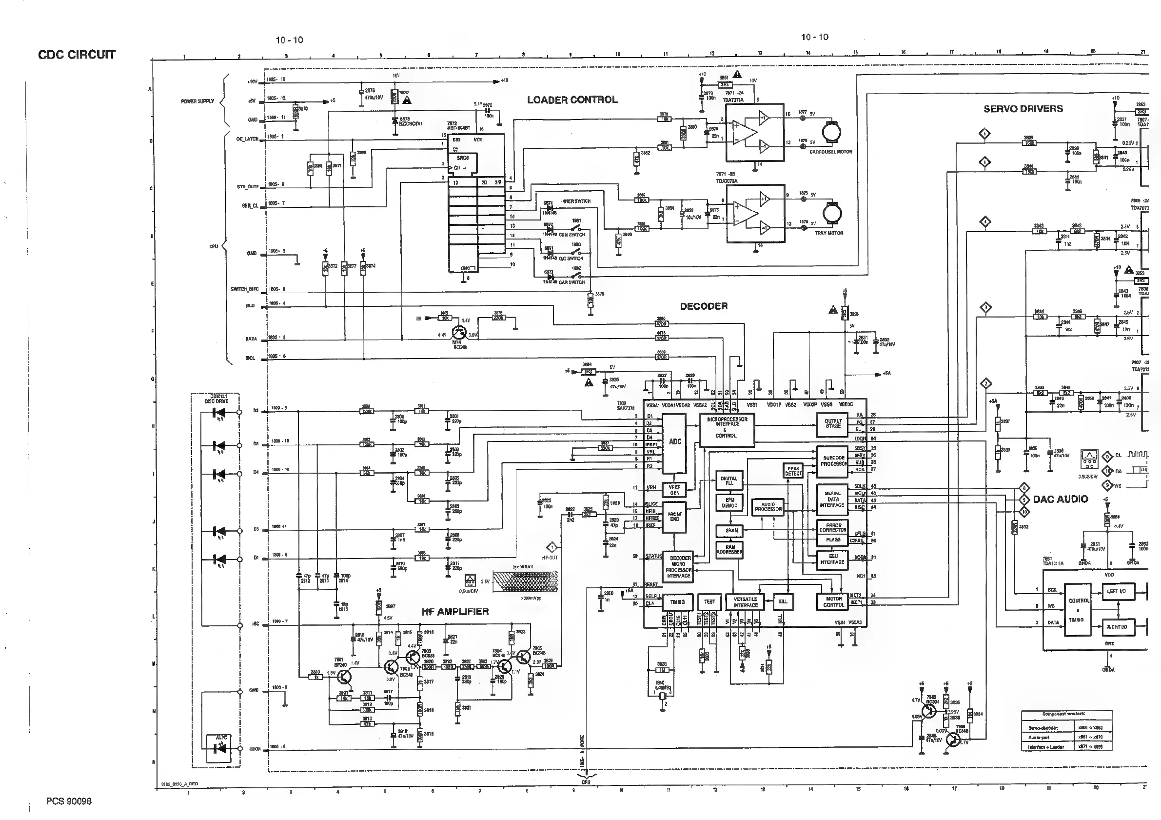
CDC
CIRCUIT
PCS
90098
10-10
10/<10
a
1
2
3
5
st
A
:
»
0
ts
ws
‘8
0
1
Oe
Bee
A
owen
sure
3
¢
‘SHR_CL
gu
1805-7
sa74_
INNER
SWITCH
!
iNates
|
2
:
|
ie
ae
ue
i
‘00
bs
3
8 s
-
2
t,
a
SBracet
Om
swrTCH
i
72
ber
[are
‘2
Bm
BP”
E
H
i
wironstes
‘SWITCH_INFO
al
008
9
we
a
an
4
io
tt
=
DECODER
oe
|
1
\
an
Yoo
‘DATA
=
$
+
a
i
Sh
aE
8
|
re
o
i
!
T
oseome
|
i
be
i
.
Wasi
OOTP
WaSE
VOOR
vse
VO
i
>
2
pal
1800
-
9
300
21
|
14
i
i
Pe,
Ty
wionopROcesson
ae
4
|
i
i
LT
nit
my
H
H
I
CONTROL
Py
|
os
of
we
a
a
|
Ltd
:
Cai
a
;
iy‘
oe
Te,
te
suse
Fat
i
|
I
I
vnocesso4
sug
;
i
}
os
ee
oe
pas
oss
1
!
wT
i
as
t
i
boi
I
Ow
—t
H
i |
og
DAC
AUDIO.
+
hood
3
=e
1
il
i”
I
4
|
tg
twa
ay
=
=
Lf
i
Wt
"5
fe
“Te
bal
:
i
te
i
jos
aa
i
i
pt?
"5
Tee
Ta
Thana
«|
H i
H
‘5605
220
| |
i
I
re
|
i
i
ww
]
i
too]
ona
scx
i
i
i
Bal
contrat}
|
!
i
4
‘cael
i
! i
|
f
i
!
;
i
|
! i
NDA
|
i
i
i
bono
qf
sts
!
i
"
|
i
—conpanent
nana
:
1
!
i
sarv-decode:
2200
>
890
i
i
‘Audio-part
O51
>
x870
i
lomo
8
inane
+
ar
[a>
8
i
a
°
i
i
ite
ry
Fy
ry
.
7
.
°
rT
1
@
rr)
6
rT
7
@
.
ry
2

Related product manuals