EasyManua.ls Logo

Philips AS660C/41 - Page 57

Philips AS660C/41
128 pages
Print Icon
To Next Page IconTo Next Page
To Next Page IconTo Next Page
To Previous Page IconTo Previous Page
To Previous Page IconTo Previous Page
Loading...
10-10
10-10
Shbbsobsa
Gor
sssonelacucersss=s00ROsse<onr
SSSRURA
EREDAR
NSE
AIRSSERREREREERSEREEERESE
RSMSLSn
SLI
eHIWMSTasoar
soos
ssSssaesee:
< a o
oH
4
ee
ae
eaie
pee
niet
cst
SERSSSSSSSSE
RES
SSLESRERSSSSSS
SS
SSRELL
ES
RS
e
RRS eee
aaa
RR RA
RENAN
eee
ease
eee
parecer
Rae
288
ana
gags
SR5088
SaRRRaRRRR!
Sexnbere
rs
esse
s2e
2
Seloees
iss
Sraaee
Ss
RERERERRRARERA
RERRRRRERESS:
nm
SEES
ESSESSES
eR
SSARR
TESS
SST
IRONISS.
SaaS
SARRABESA
SRRRSRDASRR
ERAS
RE
AESS:
Zoumuee
RSRESRBES
2
wv
7908
2
‘TOATOTIA
“0
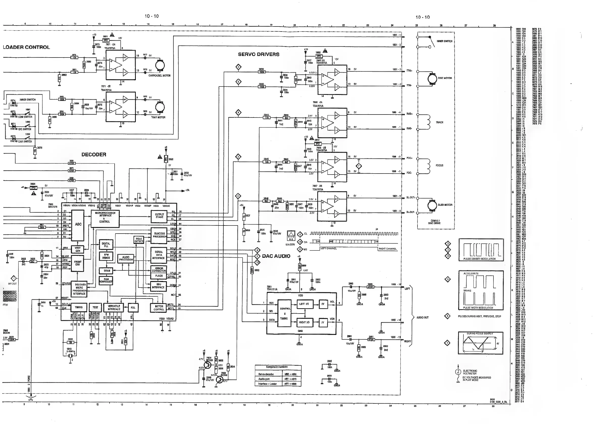
SERVO
DRIVERS
3099
040
is
TTOATOTA
2
RIGHT
CHANNEL
[TT-TTTTtrrrt
TEFT
CHANNEL
i=
DA
PULSE
DENSITY
MODULATION
"ACCELERATE
DAC
AUDIO
0
PULSE
WIDTH
MODULATION
PULSES
DURING
NEXT,
PREVIOUS,
STOP
4.
ELECTRONG
VOLTHETER
Nba
DC
VOLTAGES
MEASURED
INPLAY
MODE
000x850,
xeSt->x870
281
31089
‘Component
numbers
Sorvo-decoder:
Audlo-pert
Interface
+
Loader
‘CAROUSEL
MOTOR
TRAY
MOTOR
15
sy
®-
188
sy
~~
12
DECODER
ca
LOADER
CONTROL
INNER
SWITCH
\VSSAI
VDDAIVDDA2
VSSA2
BEBE
vss!
VODIP
vssz
VoO2
vss3
VDOC
SaATaTE
csae
2av
82,
3109,
0590_A_BL
Fy
8

Related product manuals