EasyManua.ls Logo

Philips AS660C/41 - Page 74

Philips AS660C/41
128 pages
Print Icon
To Next Page IconTo Next Page
To Next Page IconTo Next Page
To Previous Page IconTo Previous Page
To Previous Page IconTo Previous Page
Loading...
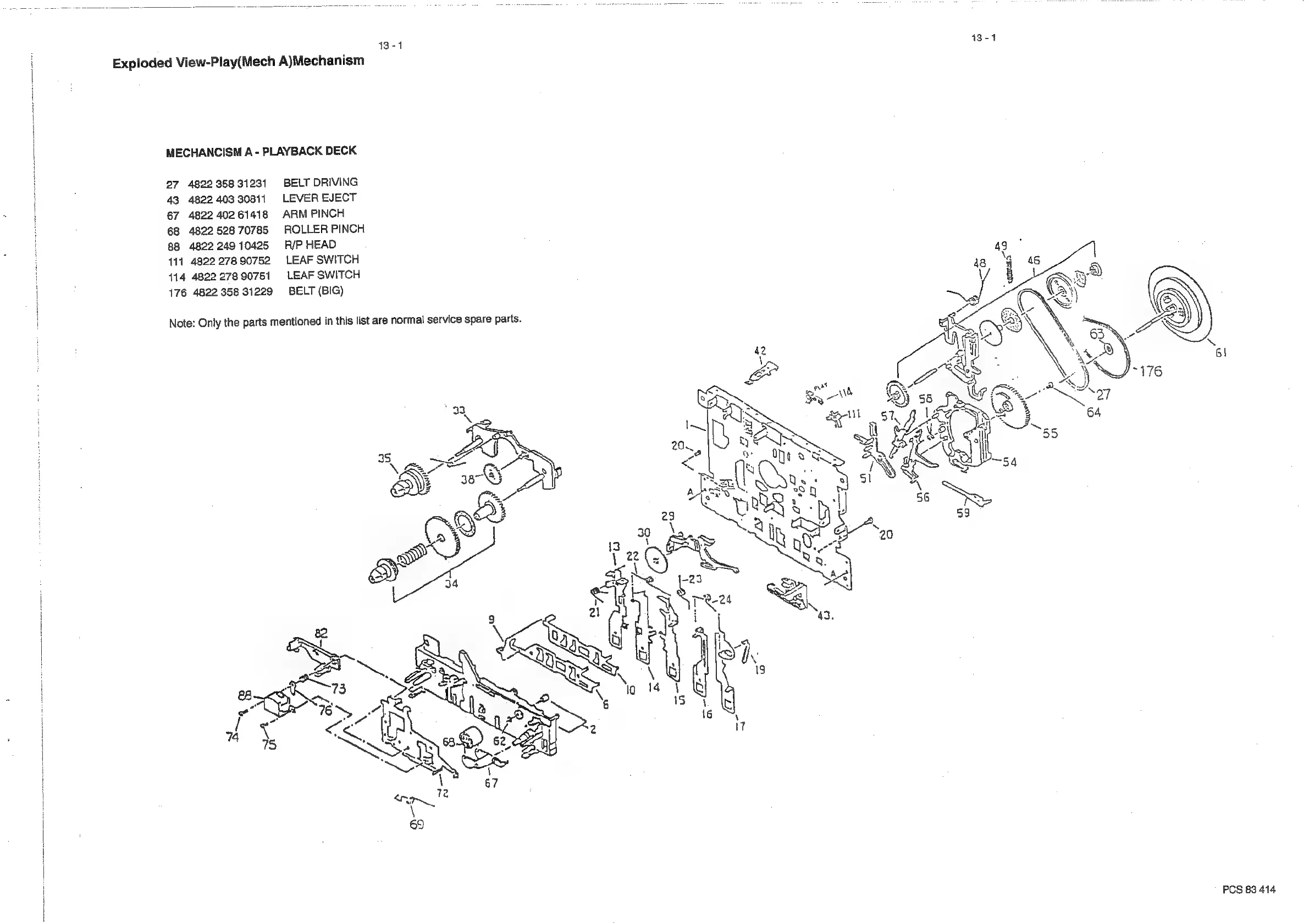
Exploded
View-Play(Mech
A)Mechanism
MECHANCISM
A
-
PLAYBACK
DECK
27
43
67
68
88
111
4822
358
31231
4822
403
30811
4822
402
61418
4822
528
70785
4822
249
10425
4822
278
90752
114
4822
278
90751
176
4822
358
31229
Note:
Only
the
parts
mentioned
in
this
list
are
normal
service
spare
parts.
BELT
DRIVING
LEVER
EJECT
ARM
PINCH
ROLLER
PINCH
R/P
HEAD
LEAF
SWITCH
LEAF
SWITCH
BELT
(BIG)
PCS
83
414

Related product manuals