EasyManua.ls Logo

Philips AS660C/41 - Page 75

Philips AS660C/41
128 pages
Print Icon
To Next Page IconTo Next Page
To Next Page IconTo Next Page
To Previous Page IconTo Previous Page
To Previous Page IconTo Previous Page
Loading...
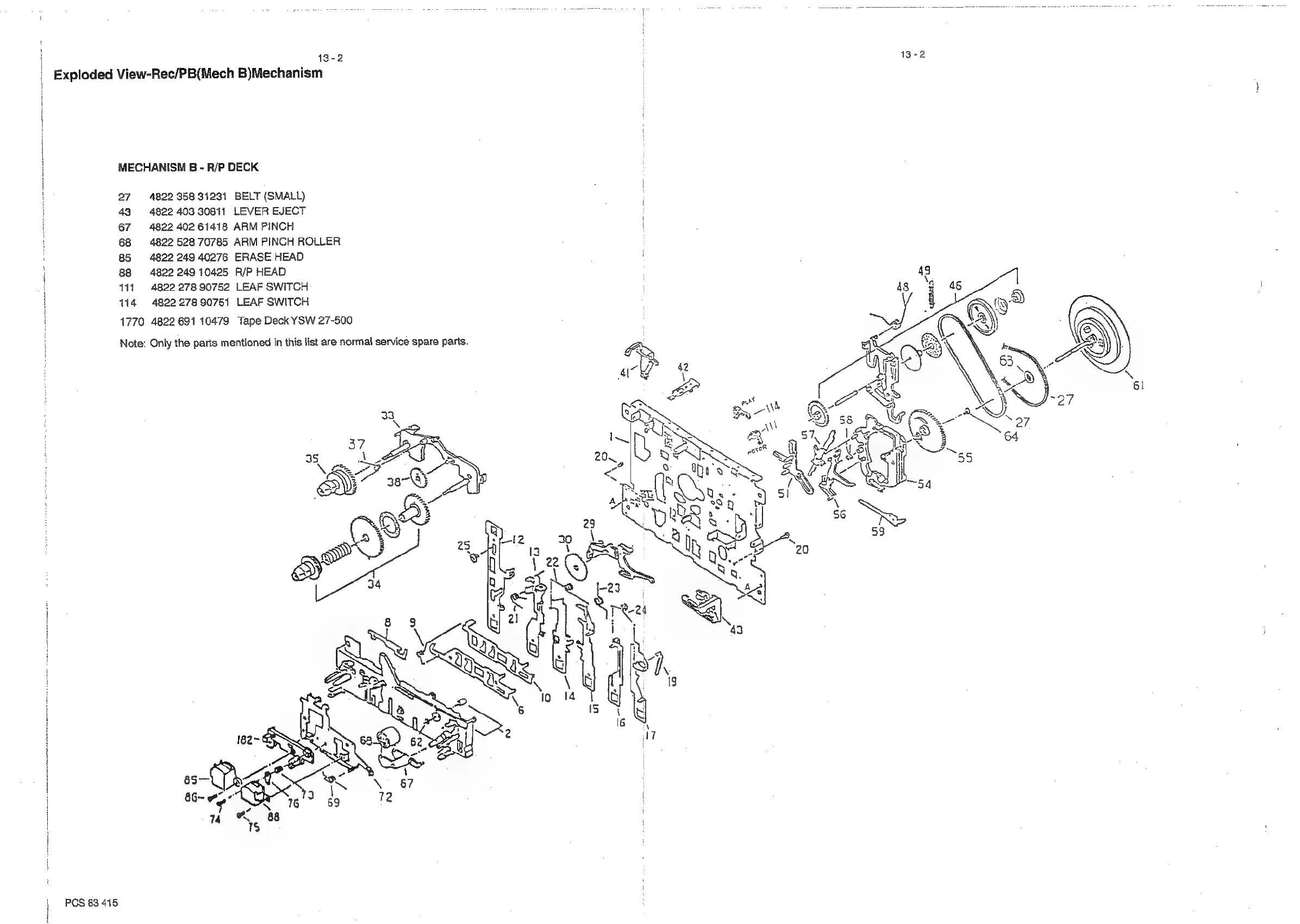
13-2
Exploded
View-Rec/PB(Mech
B)Mechanism
MECHANISM
B
-
R/P
DECK
27
©4822
358
31231
BELT
(SMALL)
43
4822
403
30811
LEVER
EJECT
67
4822
402
61418
ARM
PINCH
68
4822
528
70785
ARM
PINCH
ROLLER
85
4822
249
40276
ERASE
HEAD
88
4822
249
10425
R/P
HEAD
111
4822
278
90752
LEAF
SWITCH
114
4822
278
90751
LEAF
SWITCH
1770
4822
691
10479
Tape
Deck
YSW
27-500
Note:
Only
the
parts
mentioned
in
this
list
are
normal
service
spare
parts.
|
PCS
83
415

Related product manuals