EasyManua.ls Logo

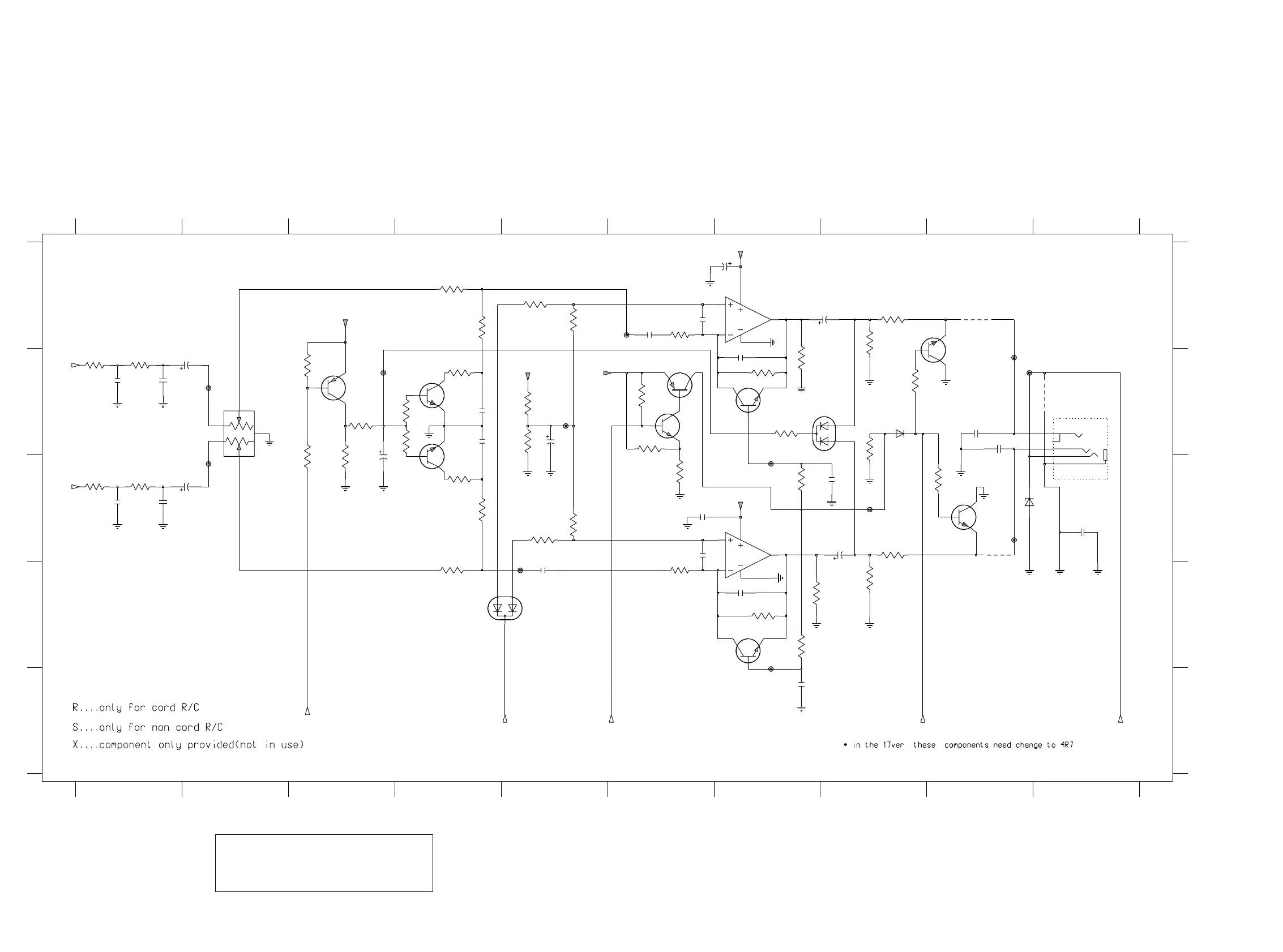
Philips AX3217 - Circuit Diagram - Audio Part; Audio Part Circuit Diagram

Philips AX3217
29 pages
Print Icon
To Next Page IconTo Next Page
To Next Page IconTo Next Page
To Previous Page IconTo Previous Page
To Previous Page IconTo Previous Page
Loading...
4 - 2 4 - 2
COMBI BOARD - CIRCUIT DIAGRAM

Related product manuals