EasyManua.ls Logo

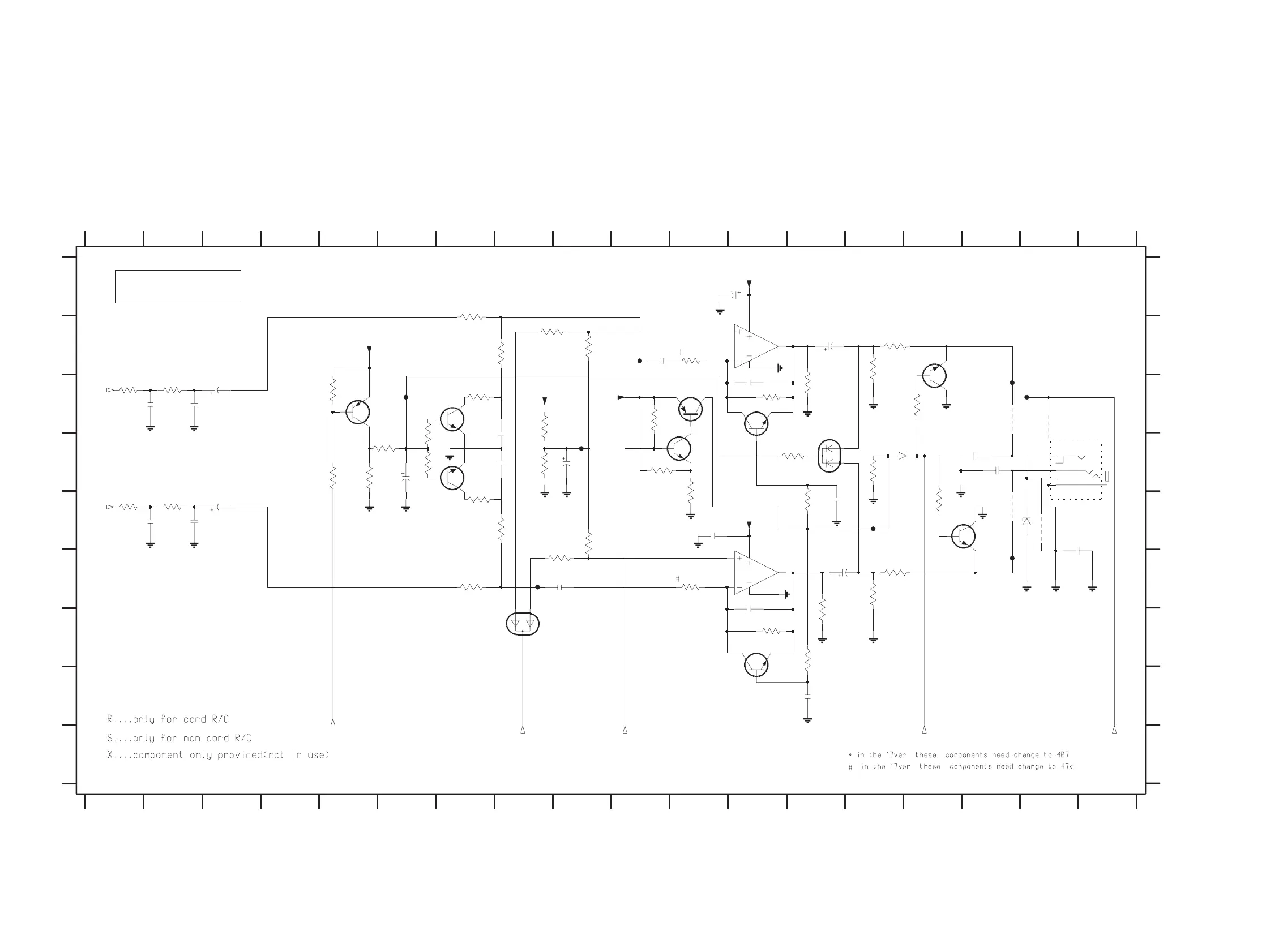
Philips AX3303 - Audio Part

Philips AX3303
21 pages
Print Icon
To Next Page IconTo Next Page
To Next Page IconTo Next Page
To Previous Page IconTo Previous Page
To Previous Page IconTo Previous Page
Loading...

Other manuals for Philips AX3303

Related product manuals