EasyManua.ls Logo

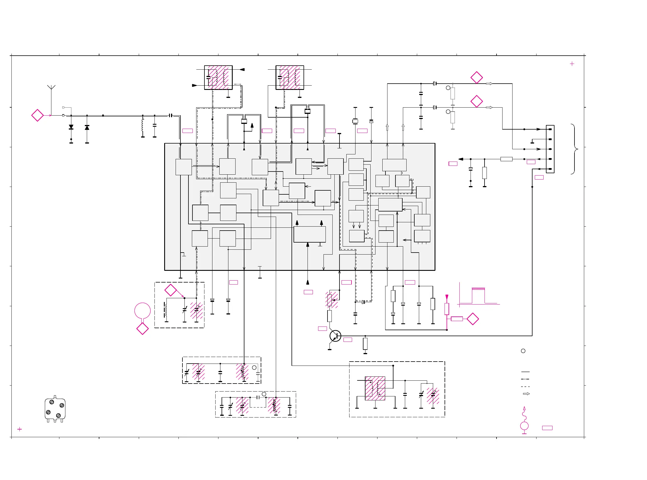
Philips AZ1010 - Tuner Board Schematics; Tuner Board Schematic Diagram

Philips AZ1010
33 pages
Print Icon
To Next Page IconTo Next Page
To Next Page IconTo Next Page
To Previous Page IconTo Previous Page
To Previous Page IconTo Previous Page
Loading...
6-1 6-1
CS 49 122
P
P
VARCO 2106
C4
C3
C2
C1
P
to/from Combi Board 1201
468kHz 468kHz
FM/AM SWITCH
GND
+A(FM)
+A(TUNER)
TUNER_R
TUNER-L
MW
FILTER
BIRDY
VCO
MW
AM-OSCILLATOR
DISCRIMINATOR
FM-IF2
FM-IF1
AM-IF2AM-IF1
TUNER BOARD
printed
AM-RF
FM-RF
FM-OSC.
C4
C2
C1
C3
Ferroceptor
8020
provisional
9151 I 6
7102 G 8
7101 C11
6102 B 2
6101 B 2
5108 A 7
5107c B 9
5107b B 8
5107a B 6
5106 A 5
5105 I 9
5104 I 7
5102 G 4
5101 H 6
3114 G 9
3113 F11
3110 A11
3109 B11
3107 C13
3106 C12
3104 F10
3102 G 8
3101 F 8
2123 H 6
2122 G10
2121 F10
2120 F10
2119 B11
2118 A11
2117 A11
2116 A11
2115 B 9
2114 G 9
2113 F 9
2112 C12
2111 I 7
2110 I10
2109 I 6
2108 I 7
2106 H 5
2106 F 5
2106 I11
2106 I 6
2105 H 5
2104 F 6
2103 F 5
2102 B 4
2101 B 4
1101 B14
4 5 61 7 8 9 10 11 12 13 142 3
F
E
D
I
C
B
A
H
G
F
E
D
I
C
B
A
H
G
4 5 61 7 8 9 10 11 12 13 142 3
T101
T102
T105
T106
T107
T108
T113
T109
T110
T111
T112
T116
T120
3109
10k
3114
100k
3106
820R
100k
3113
2k2
3104
68k
3102
3110
10k
3107
33R
5104
5101
2106
82p
2106
160p
2106
2106
1101
1
2
3
4
5
1u
2117
1u
2118
0u22
2113
0u47
2122
0u47
2121
1u
2120
2112
47u
10u
2103
10u
2104
4u7
2115
2123
2111
27p
2109
330p
2114
22n
2119
22n
33n
USA
33n
USA
2116
3p3
2108
22p
2105
100p
2101
47p
2102
8p2
2110
9151
Vcc
Vcc
REF_A
REF_A
REF_A
7102
BC548C
5102
5105
1
2
34
6
6101
1N4148
6102
1N4148
5107a
5107b
5106
1
2
3 4
6
5108
1
2
3 4
6
50k
3101
5107c
CDA10.7MC
25 26 27 28 29 3017 18 19 20 21 22 23 24
12345678910111213141516
31 32
P
P
provisional only
out
MIXER
FM
out
FMAM
M/ST SWITCH
FILTERLOOP
LED
STEREO
IN
MPX
OUT
AM/FM
MUTE
MUTE
19/19/38kHz
R VCO
AM/FM SWITCH
V Stab BV Stab A
IF GND
INDIC.
TUNING
VCC
AM OSC
FM OSC
SUB GND
FM RF
AGC/AFC
RIPPLE
AM RF in
IF AMP
MUTE
38kHz
L out
R out
FILTER
PILOT
IF GND
DEMOD
FM
in
FM IF2
out
V Stab B
AM IF2
in
FM IF1
V Stab A
out
AM MIXER
AM IF1
in
in
FM RF
DET.
SYNCH
SDS
DIVIDER
VCO
SWITCH
MONO/ST
DRIVER
LED
CONV.
V/I
SWITCH
AM/FM
CONTROL
MUTE
SOFT
MATRIX
DET.
PILOT
SWITCH
DET
PHASE
DET.
AM
INDIC.
DET.
IF 2IF 1
FM
FM
FM
AM/FM
STABILIZER
OSC.
OSC.
AM
AM
MIXER
AM
Frontend
AGC
FM RF GND
Frontend
FM
AM IF
FM
MIXER
FM
nc
7101
TEA5711T
FM IF1
EVA tuner, 230997
EVM
DC voltages measured
with mains supply 230V
FM mode stereo
AM mode
....V
V
V
0.6V
0V
9V
8.2V
7.4V
8.1V
0V
0,6V
7,4V
0V
1.1V
8.1V
B
1V
0.6V0.6V1V1V0.7V0.7V0.7V 1.4V1.4V1.4V1.4V1.4V 1V0.7V
2V 0.7V 0V 0V0V 0V 0V0.7V 1.2V 0.8V 0.7V
0.1V1.1V0.2V
0V 1V 1V 1V 0V
2
1
A
C
3
Vcc
2k2
4k7
5V
0V
152kHz, 50mV
pp
stereo stereomono
Signal path
FM
AF - left/right
AM
MPX (Audio Frequency)

Other manuals for Philips AZ1010

Related product manuals