EasyManua.ls Logo

Philips CD304 MK II - Supply Circuit Diagram

Philips CD304 MK II
60 pages
Print Icon
To Next Page IconTo Next Page
To Next Page IconTo Next Page
To Previous Page IconTo Previous Page
To Previous Page IconTo Previous Page
Loading...
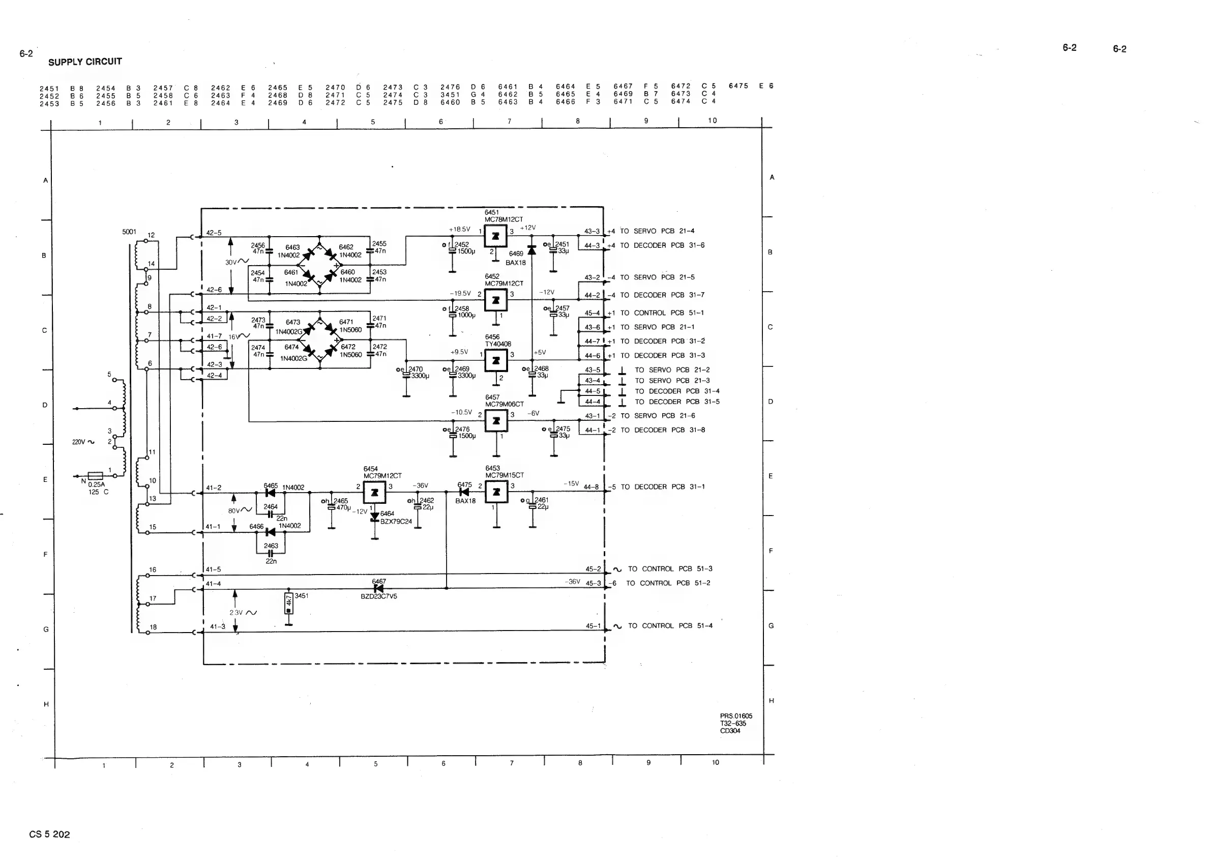
SUPPLY
CIRCUIT
:
2451
B8
2454
B3
2457
C8
2462
E6
2465
E 5
2470
D6
2473
C3
2476
D6
6461
B4
6464
E 5
6467
F
5
6472
C5
6475
E
6
2452
B6
2455
B5
2458
C6
2463
F 4
2468
D8
2471
C5
2474
C3
3451
G4
6462
B5
6465
E
4
6469
B7
6473
C4
2453
B5
2456
B3
2461
€E
8
2464
E€
4
2469
D6
2472
C5
2475
D8
6460
B5
6463
B4
6466
F
3
6471
C5
6474
C4
6451
MC78M12CT
3.
Tley
SERVO
PCB
21-4
bs
ter
DECODER
PCB
31-6
SERVO
PCB
21-5
DECODER
PCB
31-7
CONTROL
PCB
51-1
1N4002G
.
SERVO
PCB
21-1
DECODER
PCB
31-2
DECODER
PCB
31-3
TO
SERVO
PCB
21-2
TO
SERVO
PCB
21-3
TO
DECODER
PCB
31-4
TO
DECODER
PCB
31-5
SERVO
PCB
21-6
oe
12476
oe
3a,
44-1
.-2
TO
DECODER
PCB
31-8
i
1500p
I
6454
6453
J
MC79M12CT
MC79M15CT
6465
14002
2
|
a
|
3
~36V
6475
2
|
3
~15V
44-8
1-5
TO
DECODER
PCB
31-1
oh
|
2465
oh|
2462
BAX18
og
|2461
80vV7VY
4K
i
py!
ict
i
1
ia
i
n
6456
4N4002
BZX79C24
2463
22n
45-2
|
m,
TO
CONTROL
PCB
51-3
S467
-36V
45-3[-6
TO
CONTROL
PCB
51-2
3451
BZD23C7V5
~™
TO
CONTROL
PCB
51-4
PRS.01605
132-635
CD304
CS
5
202

Related product manuals