EasyManua.ls Logo

Philips CD304 MK II - Control and Display Circuit Diagram

Philips CD304 MK II
60 pages
Print Icon
To Next Page IconTo Next Page
To Next Page IconTo Next Page
To Previous Page IconTo Previous Page
To Previous Page IconTo Previous Page
Loading...
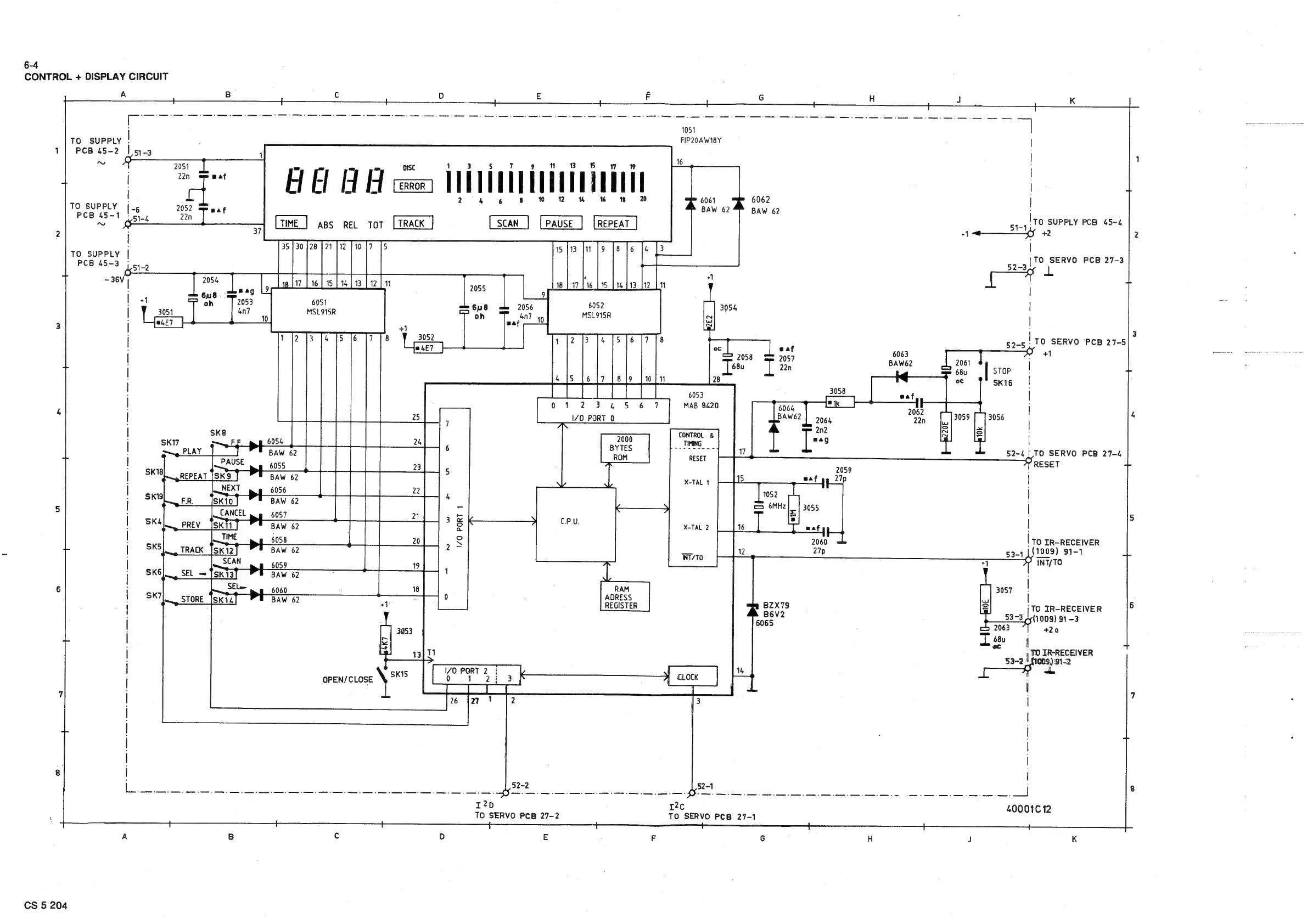
6-4
CONTROL
+
DISPLAY
CIRCUIT
A B
c
D
TO
SUPPLY
.
1]
PCB
45-2
|
51-3
~
2051
=
1
3
§ 7
9g
|
22n
waf
|
ot
EVEL
GY
comes
VU
8
1
TO
SUPPLY
|
2052
=
waft
ae
PCB
45-1
+
oa
22n
~
peace
=
Crime]
ABS
REL
TOT
|
TRACK
|
5
|
28
[21/12
TO
SUPPLY
|
PCB
45-3
je.)
)
-26v
wT
|,
lal
lolstale
tals
ae
j
6u8
“1
=
oh
|
12053
6051
3051
4n?
MSL915R
3
fa4e7
|}
SK17
6054
Geese
PLAY
BAW
62
al
Sk18
Ski9
3
SK4
a
(=)
S
SK6
SK7
|
|
|
|
|
|
|
|
|
|
|
|
|
|
|
|
|
|
SKS}
|
|
|
|
|
|
|
|
|
|
|
|
|
|
|
I2D
CS
5
204
TO
SERVO
PCB
27-2
0
[scan_]
17
RAM
ADRESS
REGISTER
I2c
CONTROL
&
TIMING
TO
SERVO
PCB
27-1
+
=
3054
BZX79
B6V2
6065
52-1
‘TO
SUPPLY
PCB
45-4
“1
aly
+2
2
|
gag
[TO
SERVO
PCB
27-3
C7
ke
|
|
220E
3
Soak
Ito
SERVO
PCB
27-5
6063
+1
aa
=
BAW62
2061
|
68u
|
STOP
oc
skis
|
aaf
|
2062
|
t
|
|
on
4
3059
;:
3056
52-4],
TO
SERVO
PCB
27-4
RESET
|
|
|
sae
IR-RECEIVER
(1009)
91-1
+]
ve
INT/TO
{To
IR-RECEIVER
(1009)
91
-
+2a
pons
|
TO
IR-RECEIVER
009)
31-2
-.
53-2!
i
|
|
|
|
|
|
egeyRan
pie
ae
40001C
12

Related product manuals