EasyManua.ls Logo

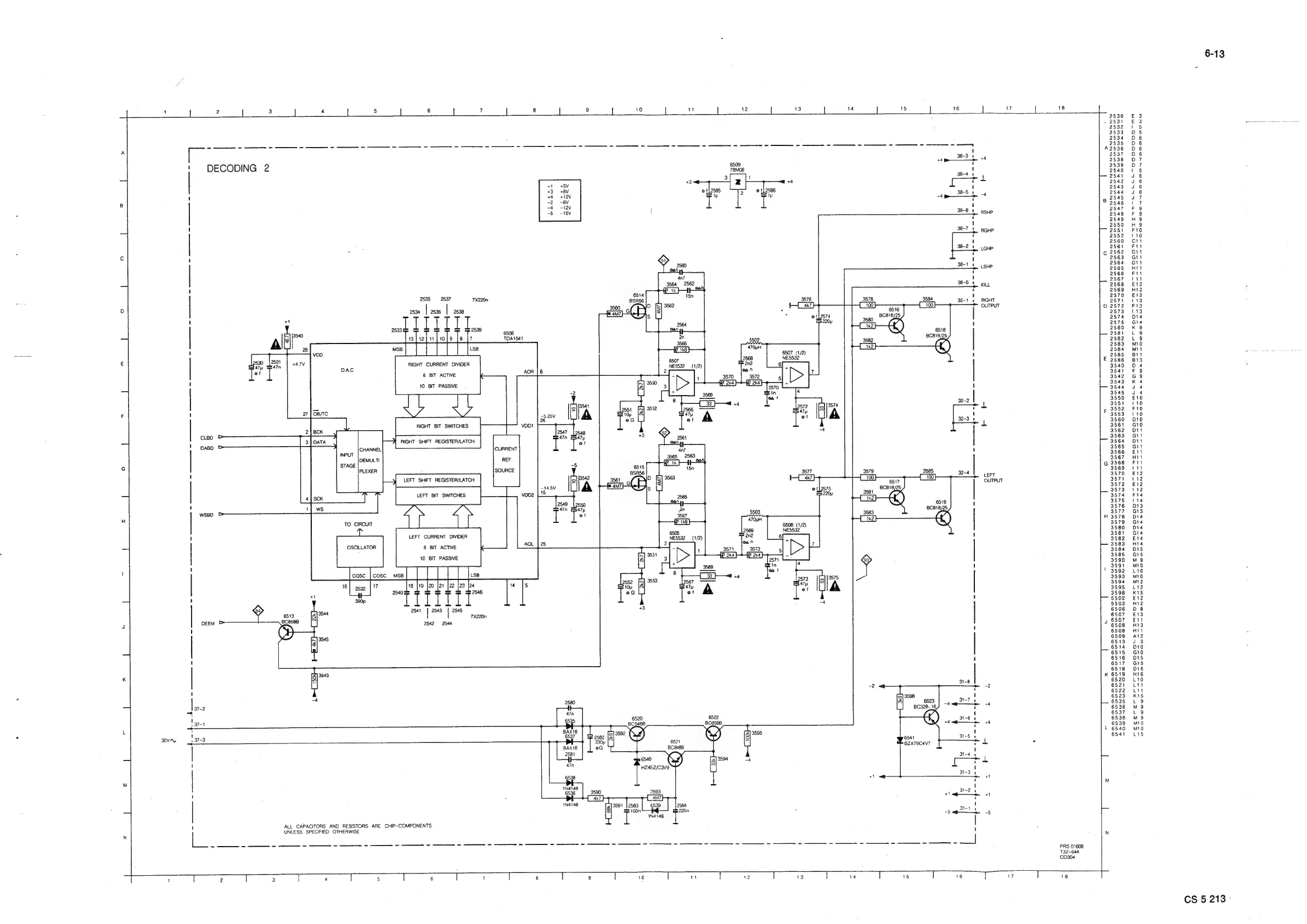
Philips CD304 MK II - Decoding Circuit II

Philips CD304 MK II
60 pages
Print Icon
To Next Page IconTo Next Page
To Next Page IconTo Next Page
To Previous Page IconTo Previous Page
To Previous Page IconTo Previous Page
Loading...
6-13
9
|
10
|
ee
1
12
13
14
15
|
16
kee
17
18
{
2530
+
2531
2532
2533
2534
ee
ee
ee
Ss
2535
1
42536
=
2537
a
pee
2538
2539
'
2540
Sen
2541
i.
1
2542
'
2543
Pr
tie
ey
2544
——T
2545
2546
ro
a
2549
2550
RGHP
2551
2552
2560
LGHP
2561
2562
2563
we
ass
2566
2567
KILL
2568
2569
2570
RIGHT
2571
OUTPUT
2572
2573
2574
2575
2580
2581
2582
2583
2584
2585
2586
3540
3541
3542
3543
3544
3545
3550
3551
1
3552
3553
3560
3561
3562
O11
3563
Gil
3564
D114
3565
Gil
3566
E11
3567
H11
3568
F11
3569
#111
LEFT
3570
£12
OUTPUT
3571
112
12
12
14
2835
2537
7X220n
BSRS56
3576
0
£12574
220p
aso
|
2506
|
2500
G
rege
mane
13}
124}11/10,9
|8
|7
foaisa
RERRERE
RIGHT
CURRENT
DIVIDER
6507
(1/2)
NE5532
SOOOCOOe
eR
AWOS
WH
“OOOO
SHOKOONN
Bate
HOO
OOOOHVNDHDADNVIADMODUNAWY
6
BIT
ACTIVE
10
BIT
PASSIVE
OO-T—
MEE
KH
NOMDEEHHAQO-A-MIM-ATIOMPONO-~ATIAA-~CeCee-—DQoODDGI00-MM
RIGHT
BIT
[naira
owrcres
|
RIGHT
SHIFT
meee
3577
3579 3585
©
£12575
LEFT
SHIFT
REGISTER/LATCH
LEFT
BIT
SWITCHES
3572
+€
3573
#1
3574
F
3575
114
3576
D13
3577
G13
3578
D114
3579
G14
3580
Di4
3581
GI4
3582
E14
3583
HI4
3584
D015
3585
G15
3590
MQ
3591
M10
3592
L110
3593
M10
3594
Mi2
3595
Li2
3598
K15
5502
£12
§503
H12
6506
D8
6507
E13
6507
€11
6508
H13
6508
H11
6509
A12
6513
J
3
6514
D010
6515
G10
6516
O15
6517
G15
6518
D16
6519
HI6
6520
L10
6521
6522
6523
6535
6536
6537
6538
6539
6540
6541
=x
|
oO
TO
CIRCUIT
OSCILLATOR
fcasc
foose
nso]
|
|
|
|
|
|
16}
o5g9
|
17
18
419
[20
]21
|22
[23
24
7
&
STITITIT™
ay
ae
his
2541
|
2549
|
2546
DEEM
©
BC8588
2542
2544
o
6508
(1/2)
LEFT
CURRENT
DIVIDER
6
BIT
ACTIVE
10
BIT
PASSIVE
tn
4
ie
'
+4
573
-4
22k
7X220n
fe
447]
8
x
rzzergr
are
DOowooon==
30Vv~
HZ4E2/C3V9
&
3594
be
eas
eee
|
i
a
fs
a
|
1N4148
13591
|
2583
2584
100n
220n,
re
1N4148
I
ALL
CAPACITORS
AND
RESISTORS
ARE
CHIP-COMPONENTS
UNLESS
SPECIFIED
OTHERWISE
:
ies
-_——
-
———
-
-
-_——
-
——-
-
pee
ate
32-644
CD304
1
T
2
3
4
5
6
7
T
8
T
9
T
10
11
12
13
14
T
15
CS
5
213°

Related product manuals