EasyManua.ls Logo

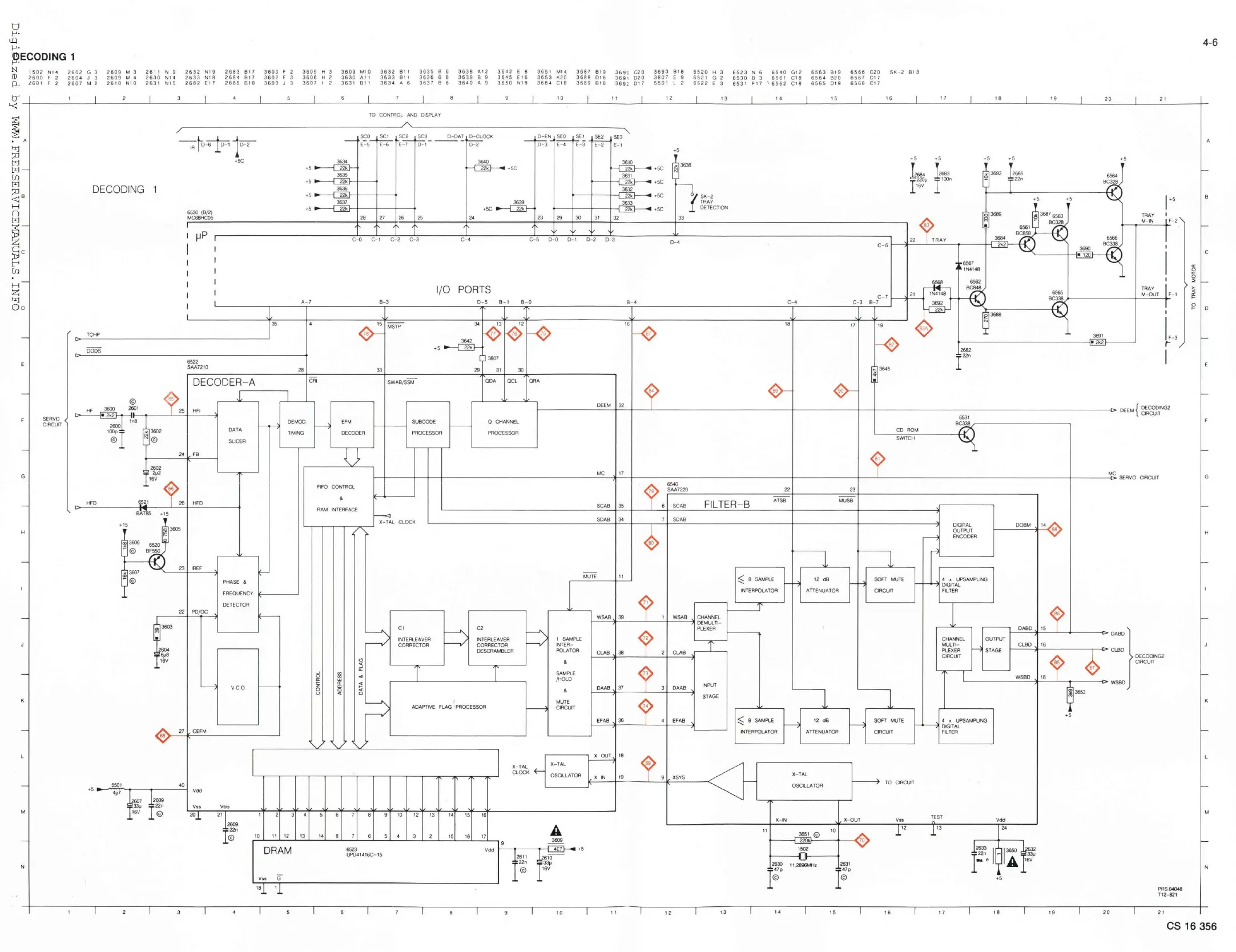
Philips cd380 - Decoding Diagram 2; Decoding Diagram 2 Components

Philips cd380
38 pages
Print Icon
To Next Page IconTo Next Page
To Next Page IconTo Next Page
To Previous Page IconTo Previous Page
To Previous Page IconTo Previous Page
Loading...
www.freeservicemanuals.info
7/30/15
Published in Heiloo, Holland.

Related product manuals