EasyManua.ls Logo

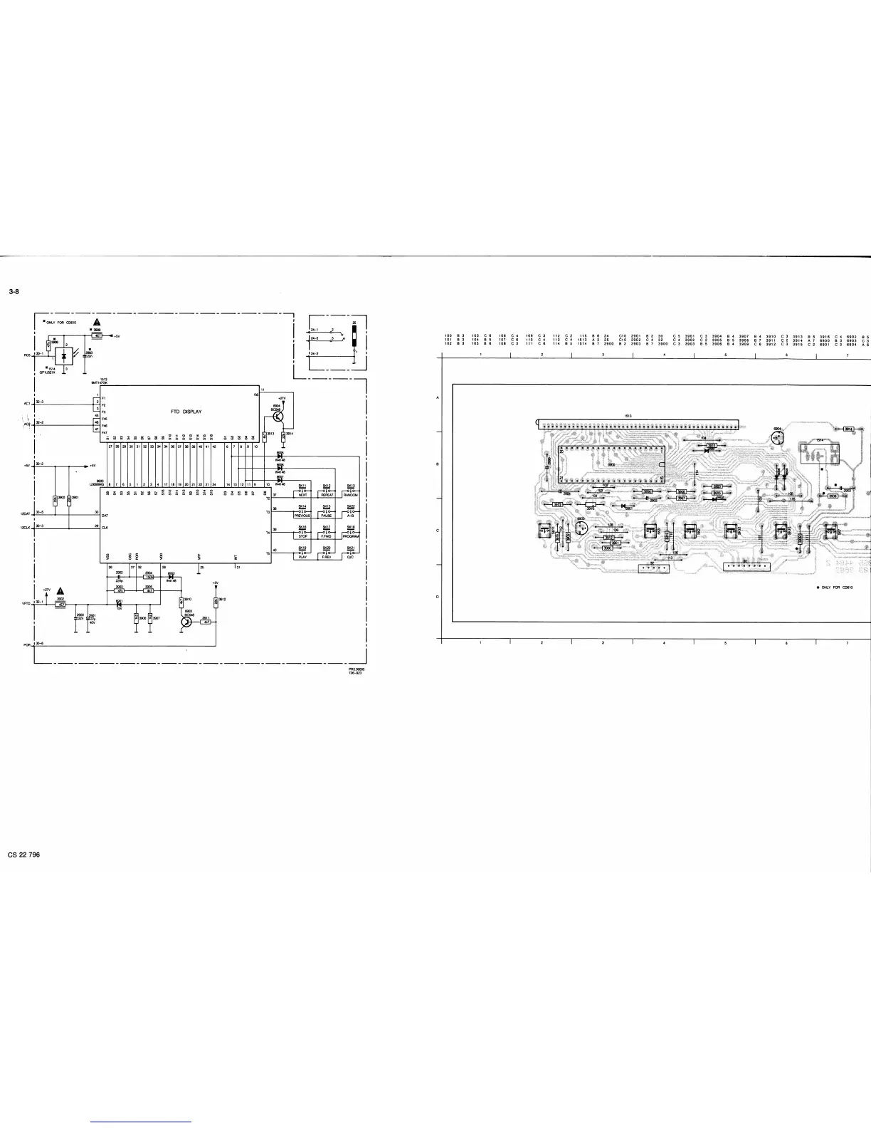
Philips CD610 - Front Panel Display Circuit Diagram; FTD Display Component Connections

Philips CD610
16 pages
Print Icon
To Next Page IconTo Next Page
To Next Page IconTo Next Page
To Previous Page IconTo Previous Page
To Previous Page IconTo Previous Page
Loading...
CS
22
796
B
3
B
3
B
3
103
104
105
C 6
B 5
B
6
106
107
108
C
4
C 6
C 3
109
C 3
110
C
4
111
C 6
112
C 2 115 B
6
24
113
C
4
1513 A
3
25
114
B 5
1514
B 7
2900
CIO 2901
B 2
30 C 5 3901
C 3 3904
B 4
3907
B 4
3910 C
3
3913
CIO
2902
C
4
32
C
4
3902
C 2 3905
B
5
3908 B 7
3911 C
2
3914
B 2 2903
B
7
3900 C 3
3903 B 5 3906
B
4
3909
C 6 3912
C 3
3915
B
5
3916
C
4
6902
B
5
A
7
6900
B
3 6903
C
3
C
2 6901
C 3
6904
A
6
2
7
1513
••••••••••••••••
#
,
* t
*
20
1
6900
c
21
40
#
:.»•
*
*
*
13911
\
CID
*
f&03l
*
13904)
«•
1
3906
1
*
f^1
,
*
rc~
2902
~
*
*
1
3907
I
«
*
mzt
«
13901
1
m
w
pT
5
)
_3Q_
*
ONLY
FOR
CD610

Related product manuals