EasyManua.ls Logo

Philips CD713 - Page 25

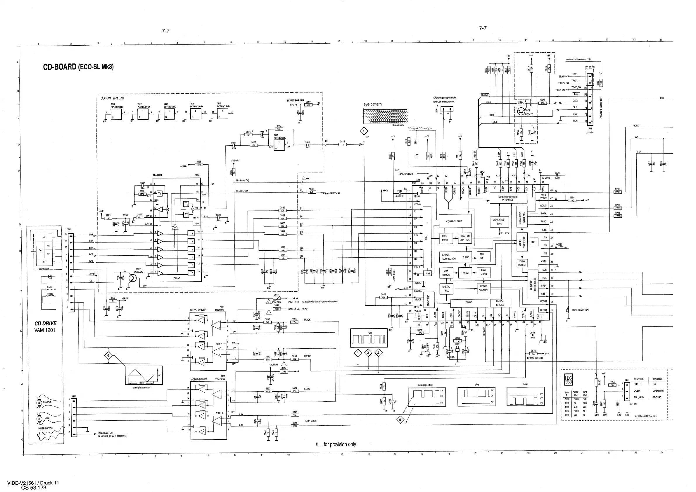
Philips CD713
36 pages
Print Icon
To Next Page IconTo Next Page
To Next Page IconTo Next Page
To Previous Page IconTo Previous Page
To Previous Page IconTo Previous Page
Loading...

Other manuals for Philips CD713

Related product manuals