EasyManua.ls Logo

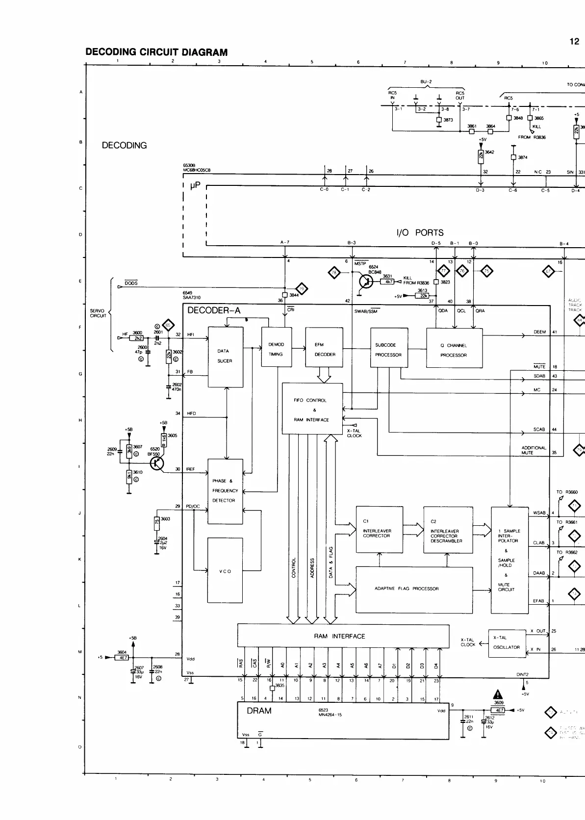
Philips CD850II - Decoding Circuit Diagram

Philips CD850II
51 pages
Print Icon
To Next Page IconTo Next Page
To Next Page IconTo Next Page
To Previous Page IconTo Previous Page
To Previous Page IconTo Previous Page
Loading...

Related product manuals