EasyManua.ls Logo

Philips CEM210X - Page 12

Philips CEM210X
29 pages
Print Icon
To Next Page IconTo Next Page
To Next Page IconTo Next Page
To Previous Page IconTo Previous Page
To Previous Page IconTo Previous Page
Loading...
5 - 2 5 - 2
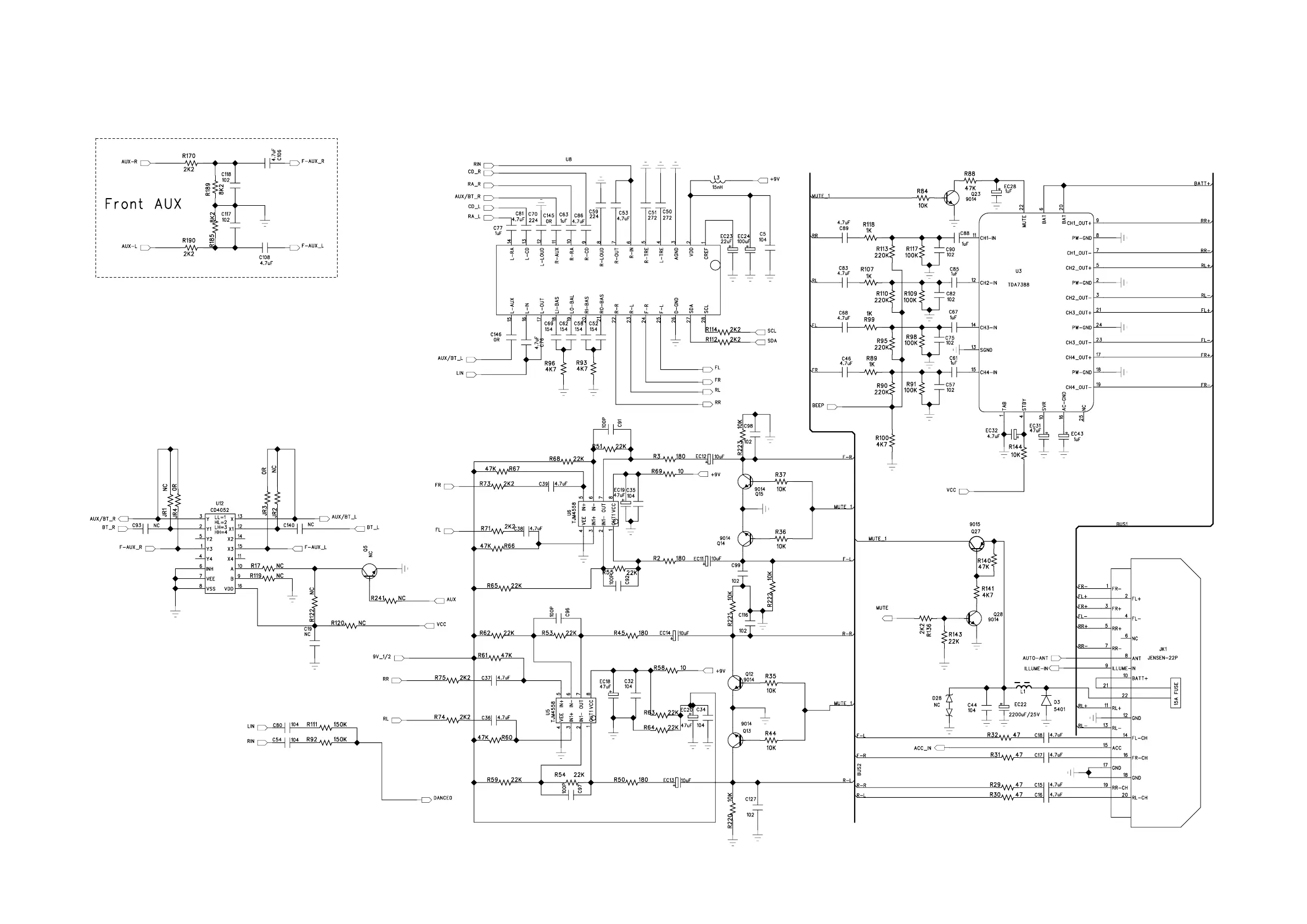
CIRCUIT DIAGARM - MAIN BOARD
AUDIO PART