EasyManua.ls Logo

Philips CEM3000B - Overview of the Main Unit

Philips CEM3000B
27 pages
Print Icon
To Next Page IconTo Next Page
To Next Page IconTo Next Page
To Previous Page IconTo Previous Page
To Previous Page IconTo Previous Page
Loading...
7
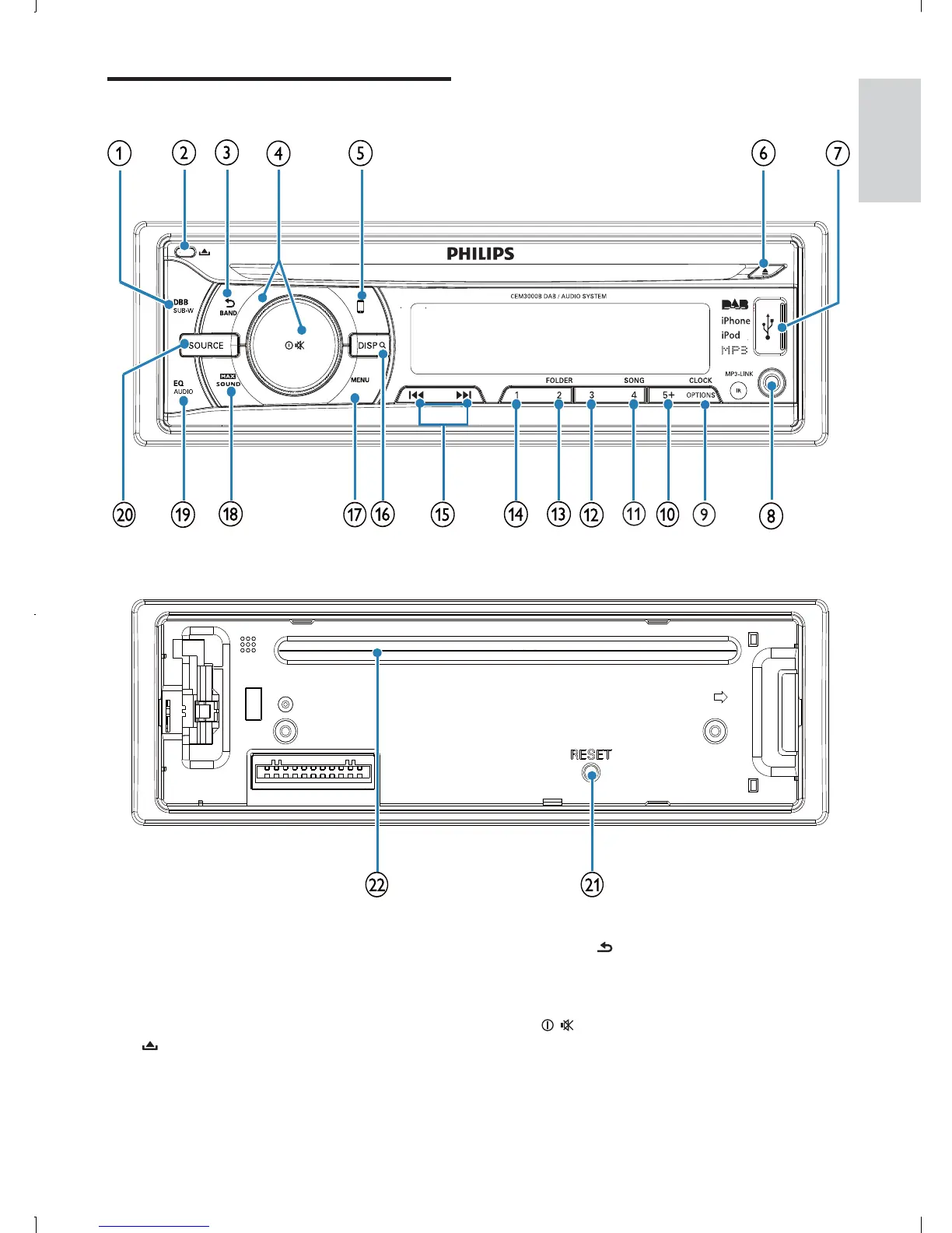
c BAND/
Select tuner band.
Return to previous menu.
d
/
Turn the unit on or off.
Confirm selection.
Mute or unmute sound.
Rotate to adjust settings.
Overview of the main unit
a DBB/SUB-W
Switch on or off Dynamic Bass Boost
(DBB) sound.
Switch on or off subwoofer.
b
Unlock the panel.
English
EN

Other manuals for Philips CEM3000B

Related product manuals