EasyManua.ls Logo

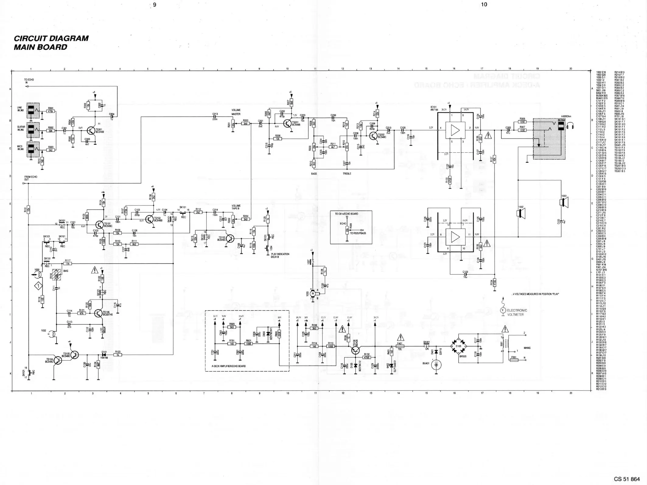
Philips D 6650 - Main Board Circuit Diagram

Philips D 6650
16 pages
Print Icon
To Next Page IconTo Next Page
To Next Page IconTo Next Page
To Previous Page IconTo Previous Page
To Previous Page IconTo Previous Page
Loading...
www.freeservicemanuals.info
08/21/2012
www.nostatech.nl

Related product manuals