EasyManua.ls Logo

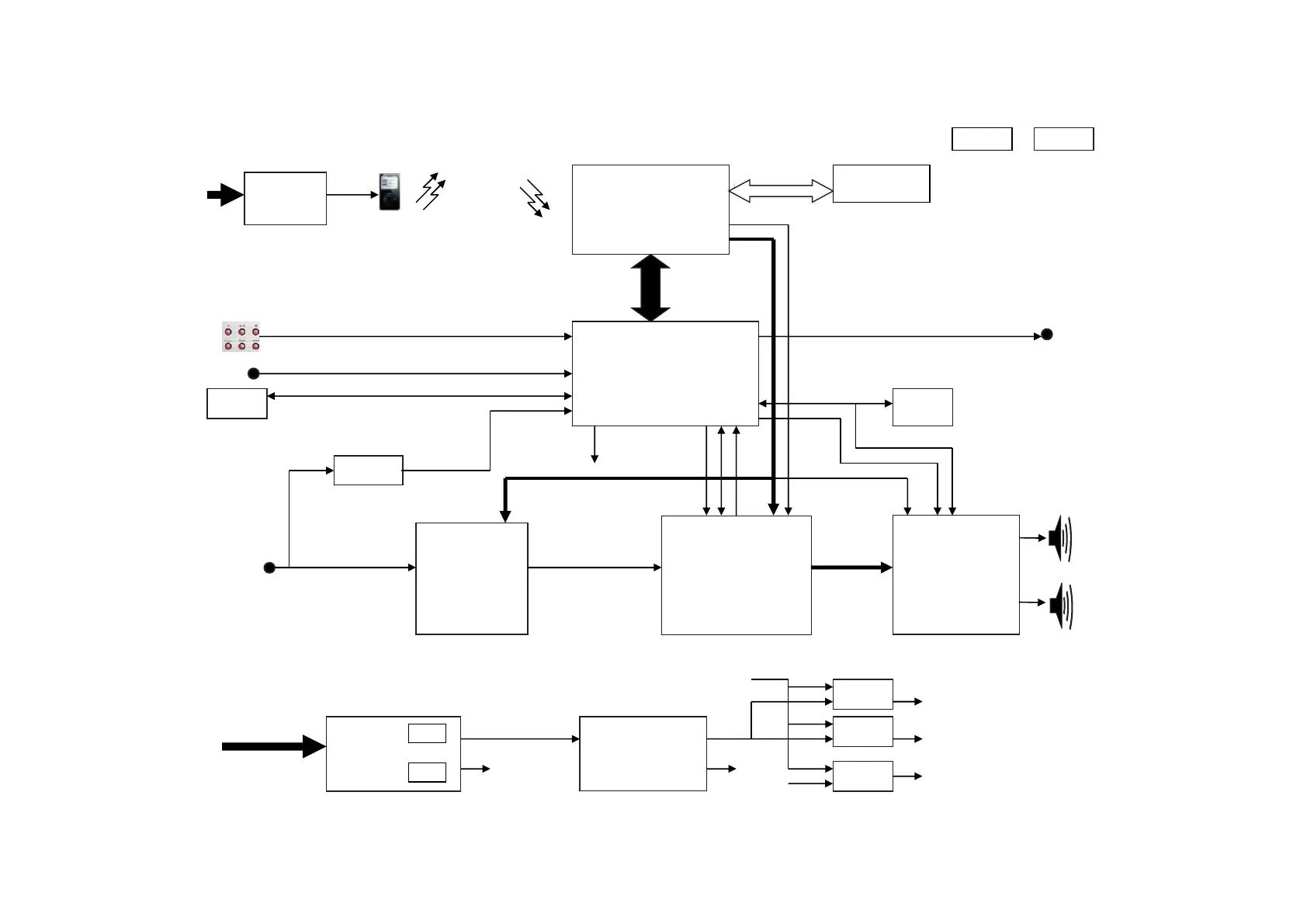
Philips DS9800W/93 - Block Diagram

Philips DS9800W/93
36 pages
Print Icon
To Next Page IconTo Next Page
To Next Page IconTo Next Page
To Previous Page IconTo Previous Page
To Previous Page IconTo Previous Page
Loading...
WIFI MODULE
DM870
OP
LM324
AMPLIFIER
STA326
2 * 50W
FR
FL
Apple Ceriticiate
CP2.0B
LM3S800
MCU
key
SW_MCU
SW_WIFI
I2C, RST
3 colour led
Eeprom
I2C
Rst-amp
Amp_mclk
24c02
I2S, data wifi
stby
Rst,cs,
SPI
lrq busy watchdog
I2S, mclk,bclk,lrck
Adapter
Charge only
WIFI
AC220Vin
5v
IR
upgrade
PSU SMPS
EE19A
EE33
8ohm 50W thd=10%
8ohm 50W thd=10%
3.3V
1.8VD
200mA
5VA 10mA
LDO
TPS79901
LDO
TLV70018
APM2301
stby
3.3V 1A
1.2V
5.6V
5.6V
AC220V in
MP3 LINK
I2S data adc
Audio detect
SPI
HOST_IRQ/BUSY
I2S amp
AUDIO DSP
CS48520CQZ
ADC
PCM1808
30V
700mA
TPS54286
DC/DC
Block Diagram
10-1
10-1