EasyManua.ls Logo

Philips DVD707/751 - Page 16

Philips DVD707/751
58 pages
Print Icon
To Next Page IconTo Next Page
To Next Page IconTo Next Page
To Previous Page IconTo Previous Page
To Previous Page IconTo Previous Page
Loading...
16
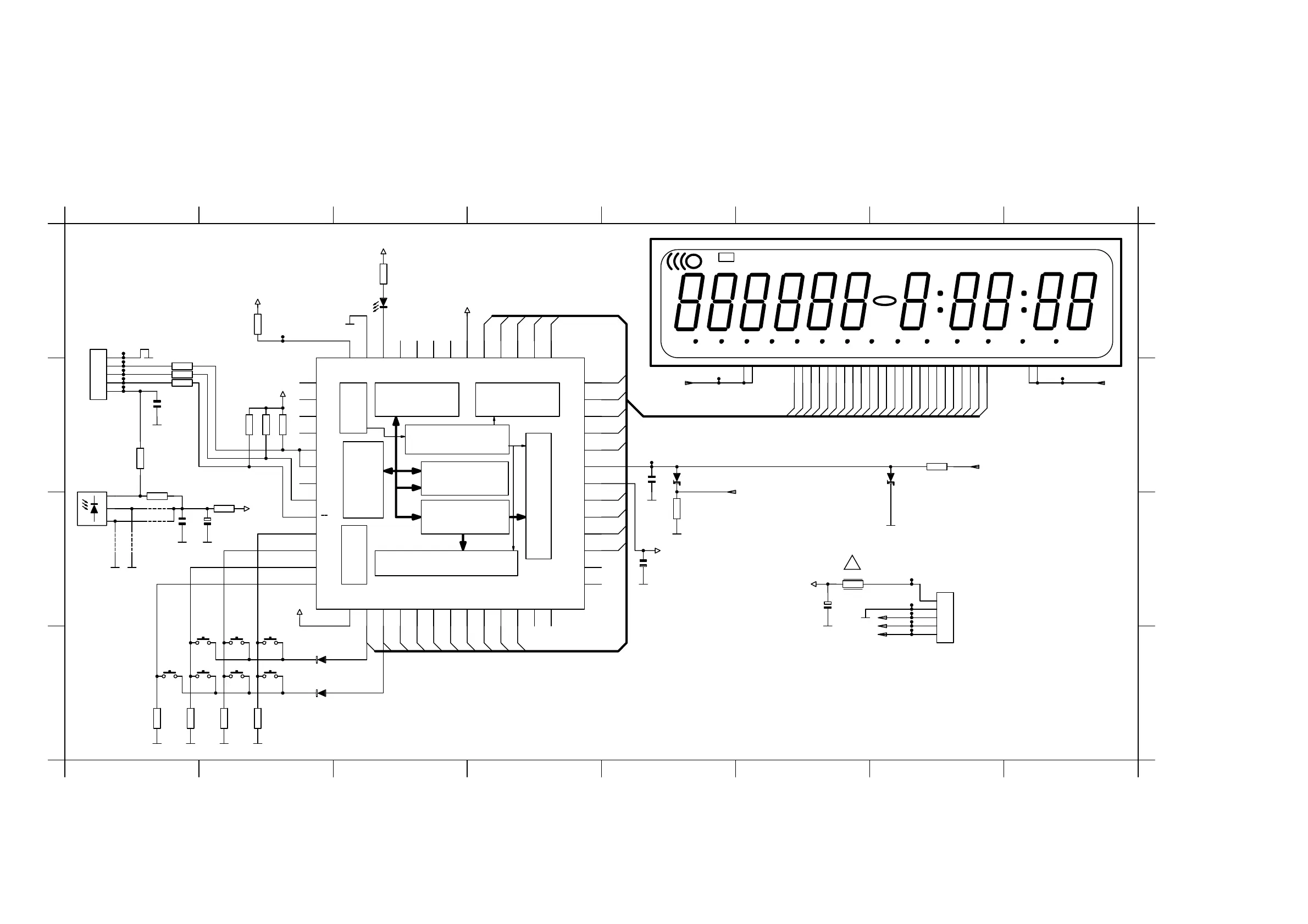
Front board
DVD707/
751/781/782
DVD
VCD
FTS
TITLE
14
15
16
17
10
11
12
13
6
7
8
9
18
19
20
21
22
23
24
25
26
27
29
2
4
5
30
1
SHUFFLE
CHAPTER
PAUSE SCAN
TRACK
A -- B
REPEAT
CHAPTER
TOTAL
REM
TITLE
TRACK
TRACK
TIME
1 2 3 4 5
6 7 8 9 10 11 12 13 14 15 +
1400
14-ST-18GK
G11
G21
G31
G41
G51
G61
G71
G81
G91
G101
G111
G121
G131
G141
P101
P91
P81
P71
P61
P51
P41
P31
P21
P11
P11
P21
P31
P41
P51
P61
P71
P81
P91
P101
G141
G131
G121
G111
G101
G91
G81
G71
G61
G51
G41
G31
G21
G11
2402
100P
3411
4k7
3406
10k
1414
STOP
1415
PAUSE
1416
PLAY
1411
O/C
1412
PREV
1413
NEXT
3410
4k7
3409
4k7
3408
4k7
1
2
3
4
5
1403
DIPMATE
3403
10k
3404
10k
2401
100P
3402
10k
3400
470R
VCC
6401
1N4148
VCC
T149 T150
T111
T112
T113
T114
GND
2404
100n
6402
BZX79-C2V4
3412
47K
T148
3424
4R7
2416
47u
VCC
GND
GND
T162
3407
47R
2403
47u
GND
VGL-1
VKK1
VGL+1
VIR
VGL+1
VGL-1
T115
T163
T164
T165
T160
T153
7401
IR
1417
3D-SOUND
9440
9441
9442
9443
GNDGND
6420
LTL-1CHPE
1
2
3
+5V
GND
F1
-30V
F2
SW1
1
SW2
2
SW3
3
SW4
4
DOUT
5
DIN
6
IC
7
CLK
8
CS
9
KEY1
10
KEY2
11
KEY3
12
KEY4
13
VDD
14
S1/K1
15
S2/K2
16
S3/K3
17
S4/K4
18
S5/K5
19
S6/K6
20
S7/K7
21
S8/K8
22
S9/K9
23
S10/K10
24
S11/K11
25
S12/K12
26
S13/G16
27
S14/G15
28
S15/G14
29
S16/G13
30
S17/G12
31
S18/G11
32
VDD
33
VEE
34
S19/G10
35
S20/G9
36
G8
37
G7
38
G6
39
G5
40
G4
41
G3
42
G2
43
G1
44
VDD
45
LED5
46
LED4
47
LED3
48
LED2
49
LED1
50
GND
51
OSC
52
LED Driver
Key
Matrix
Segments/Key
Scan Output
Segments/Grids
Output
Grids Output
Serial Data
Interface
Display
Memory
Command
Decoder
Input
Register
Timing Generator
7400
PT6311
GND
GND
GND
VCC
VCC
GND
GND
VCC
GND
6400
1N4148
GND GND GND GND
VGL-1
3401
10k
VCC
6413
BZX79C24V
3423
1k
3405
1k
VKK1
VCC
2407
100n
GND
3430
100R
3431
100R
3432
100R
VEE
A
B
C
D
1234 56 78
1234567 8
A
B
C
D
1400
1401
1403
1404
1405
1406
1411
1412
1413
1414
1415
1416
1417
1418
1421
2400
2401
2402
2403
2404
2405
2406
2407
2415
2416
3400
3401
3402
3403
3404
3405
3406
3407
3408
3409
3410
3411
3412
3413
3414
3423
3424
3430
3431
3432
6400
6401
6402
6403
6404
6413
6414
6420
7400
7401
7402
7406
9440
9441
9442
9443
9444
9445
9446
9447
DATA
CLK
CE
IR
GND
A2
A2A2
A3
A5
B1
B1
B1
B1
B1
B1
B2
B2
B2 B4
B5
B5
B5
B6C6
B6 B7
B6
B6B7
B7
B7
B7
B7 B3B8
C1
C1
C1
C1
C1
C1
C1
C2
C2
C5
C5
C7
C8
C8
D1
D1
D1D2
D2
D2
D2
D2
D2 D2
D2
D2
D2
D5
D6
D6
D7D7
D8
B6
1
2
3
4
5
1421
5PINS
6414
!

Related product manuals