EasyManua.ls Logo

Philips DVD707/751 - Page 8

Philips DVD707/751
58 pages
Print Icon
To Next Page IconTo Next Page
To Next Page IconTo Next Page
To Previous Page IconTo Previous Page
To Previous Page IconTo Previous Page
Loading...
8
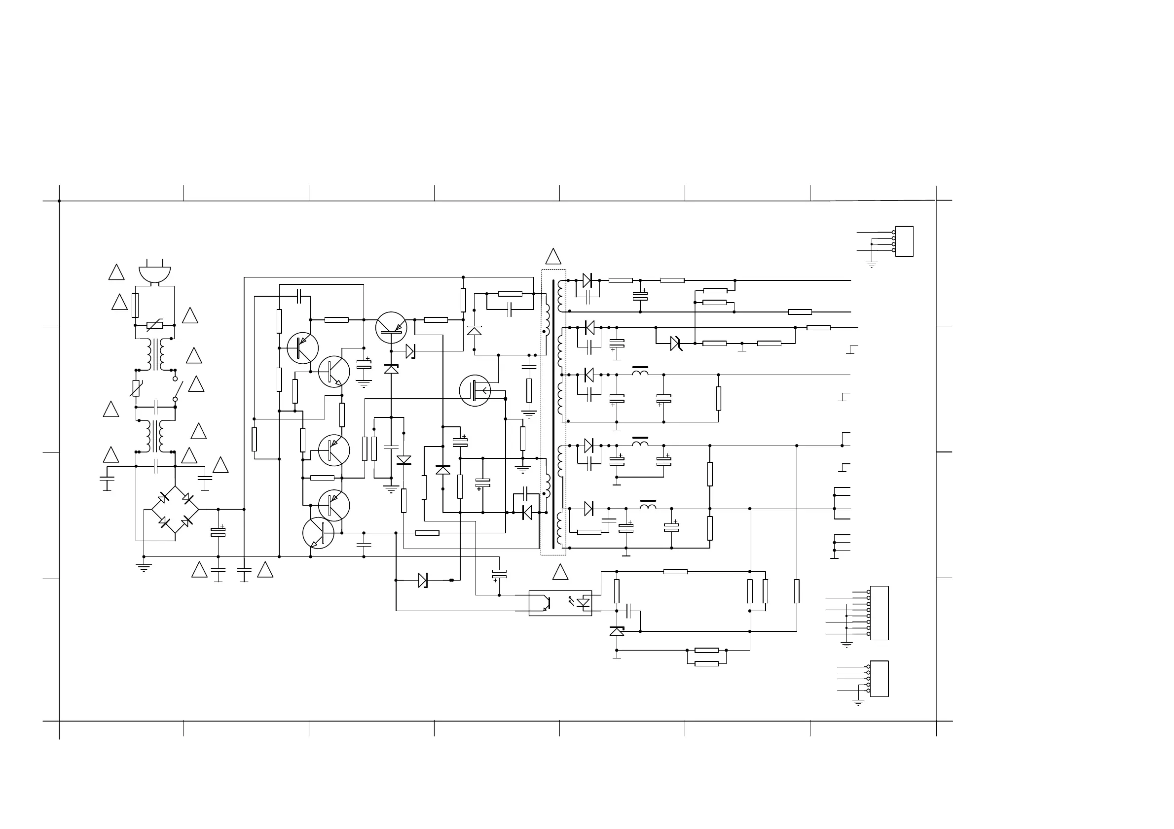
7. Electrical diagrams and Print-layouts
Power supply board DVD707/
751/781/782
2001 B1
2030 A5
2002 C1
2029 B5
2003 C1
2028 B5
2004 C2
2027 B5
2005 C2
2026 B5
2006 C2
2025 B5
2007 C2
2024 C5
2008 A4
2023 C5
2009 B4
2022 C5
2010 A2
2021 C5
2011 B3
2020 C5
2012 B3
2019 C5
2013 B4
2018 D5
2014 C4
2017 C4
2015 C4
2016 C3
2031 A5
3040 B6
3001 A1
3002 B1
3003 A4
3004 A4
3005 A3
3006 A3
3007 A2
3008 B2
3009 B2
3010 B4
3011 B2
3012 B2
3013 B3
3014 B3
3015 B3
3016 B4
3017 C3
3018 C3
3019 C3
3020 C4
3021 C3
3022 D5
3023 D6
3024 D6
3025 C5
3026 D6
3027 D6
3028 D6
3029 C5
3030 C6
3031 C6
3032 B6
3033 B6
3034 A7
3035 A6
3036 A6
3037 A5
3038 A5
3039 A6
1001 A1
1002 A1
1004 B1
1005 A7
1006 B7
1007 C7
5006 B5
5005 B5
5001 B1
5004 C5
5002 B1
5003 A4
6001 C1
6002 C2
6003 C2
6004 C1
6005 B4
6006 B3
6007 B3
6008 C3
6009 C4
6010 C4
6011 D3
6012 C5
6013 B5
6014 B5
6015 B5
6016 A5
6017 A5
7001 A3
7002 B2
7003 B3
7004 B4
7005 B3
7006 C3
7007 C3
7008 D5
7009 D5
1
2
3
4
1007
1
2
3
4
5
6
7
8
1006
1
2
3
4
5
1005
F2
F1
-30V
+5V
+5V
+5V
-12V
+12V
+12V
+5V
STDBY
1002
2001
100nF
2002
220nF
6002
1001
2005
68uF/400V
6005
2008
10nF/1KV
3004
51K/1W
7004
IR FBC40A
3016
0.75R/1W
2007
1nF
5003
3002
8R
7002
7005
7006
3007
100K
3008
100K
2010
220pF
7003
7007
3009
7K5
3011
1K
3012
100K
3017
510R
3014
15R
2016
680pF
3021
1K
2013
22uF/50V
7008
Q817B
7009
WL431
6012
SR560
3025
510R
3023
1K8
3027
3K
2018
100nF
3026
7K5
3006
96K
3022
1K
6010
3003
300K/1W
2020
1000uF/10V
5004
12uH
2021
470uF/10V
6013
FR302
6016
FR104
6014
HER108
2023
470uF/16V
2024
470uF/16V
6001
6003
6004
3030
100R/1W
3031
180R/1W
5006
12uH
2026
220uF/16V
2027
470uF/16V
2029
100uF/50V
3036
1K
5005
12uH
3029
10R/1W
2019
1nF
2022
220pF
3032
510R/1W
7001
2011
4u7F/35V
6007
24V
3018
1K2
6017
FR104
3038
1R5
3035
1K
AC3.5V
-30V
-12V
+12V
+5V
2003
470pF
2004
470pF
2015
470pF
3001
470V
2025
220pF
2028
220pF
2031
470uF/10V
2030
220pF
3028
56K
2009
220pF/1KV
3010
10R/1W
1004
6015
9V1
3033
12K
3034
0R
3024
2006
1nF
6009
1N4148
3020
1K/1W
2014
1uF/50V
2017
1uF/50V
3013
130R
3019
10K
3037
3R
3039
2R
6008
1N4148
2012
10nF
3015
2K4
6011
20V
6006
27V
3005
91K
3040
6K8
!
!
!
!
!
!
!
!
!
!
!
! !
!
5002
300uH
5001
31mH
A
B
C
D
1234 56 7
1234567
A
B
C
D
(4//1005
(5//1005
(7//1006
(3//1005
(4//1007
(5//1006
(4//1006
(2//1006
(3//1007
(1//1005
(1//1007
(1//1006
(2//1007
(3//1006
(2//1005
(6//1006
for adjust output voltage

Related product manuals