EasyManua.ls Logo

Philips FC8473 - Circuit Diagram

Philips FC8473
10 pages
Print Icon
To Next Page IconTo Next Page
To Next Page IconTo Next Page
To Previous Page IconTo Previous Page
To Previous Page IconTo Previous Page
Loading...
FC8473/01 / FC8473/61
3-10
M
D2
D3
D4
D1
K
AC
220 - 240V
50Hz
C1
0.47µF
275V
C2
0.22µF
400V
L
N
Motor
TMP
TR1
R1
2k-¼W
R6
18k-¼W
D5
DB3
4x
1N4007
R2
180k
T2
MCR100-6
R7
27k
¼W
R3
3.9k
¼W
R4
300k
¼W
R5
47k
¼W
C4
220µF
16V
C4
220µF
16V
DW1
10V
½W
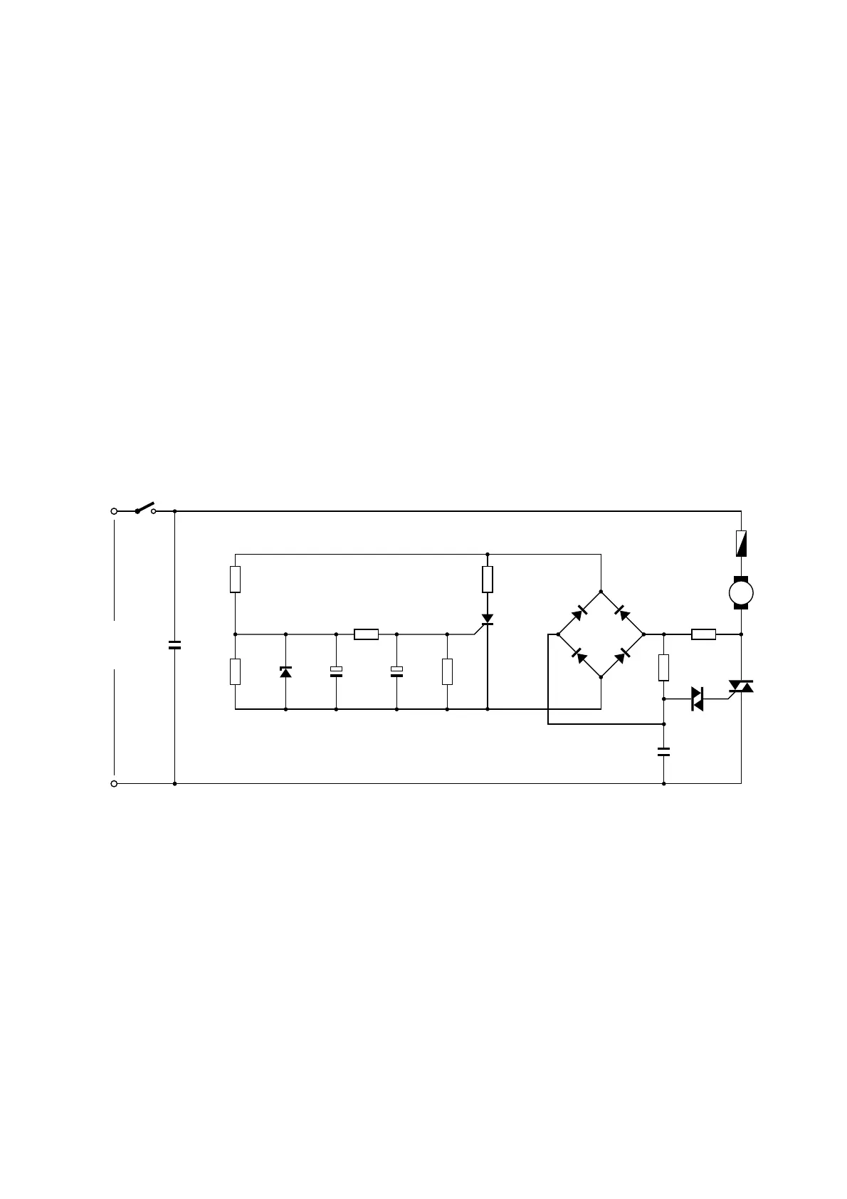
CIRCUIT DIAGRAM
DISASSEMBLY- AND RE-ASSEMBLY ADVISE
The Motor housing is fixed around the motor with two
screws (E) and clicknocks all around and, these can easily
be detached and clicked in again while assembling.
Working procedure for re-assembling the Upper housing:
First click the snap locks on the backside of the Upper
housing then assemble the frontside and tighten the 6
screws (B).

Related product manuals