EasyManua.ls Logo

Philips FW-C577/21 - Page 20

Philips FW-C577/21
72 pages
Print Icon
To Next Page IconTo Next Page
To Next Page IconTo Next Page
To Previous Page IconTo Previous Page
To Previous Page IconTo Previous Page
Loading...
1234
1234
A
B
C
D
A
B
C
D
1810 C1
1811 D4
2810 D2
2811 D3
2812 C2
2813 A2
2814 D3
3811 C2
3812 D2
3813 D3
3814 D3
3815 C2
3816 B3
3817 B2
3818 B3
3819 B2
3820 B3
3821 A3
3822 A3
3823 A4
3824 A2
6812 A3
6813 A3
6814 A4
6815 D3
7810 C2
7811 A2
7812 B3
7813 B4
7814 B4
8K2
To VU Meter Housing (Left) Board
470R
3815
4K7
3818
4u7
2812
35V
3820
1K2
Gnd
Gnd
3814
BC847B
7811
7812
BC847B
47u
2813
16V
1N4148
6815
EH-S
1811
1
2
3813
1K
BC847B
7810
3817
470R
3821
330R
470R
3819
2814
4u7 25V
Gnd
2810
100p
330R
3822
2811
4u7 25V
BC847B
3812
100K
7814
3811
4K7
Gnd
220R
3824
BC847B
7813
6813
3823
330R
6814
6812
HR
1810
1
2
3
3816
1K2
Gnd
Gnd
+5V6
Vu_cntl
+5V6
Vu_cntl
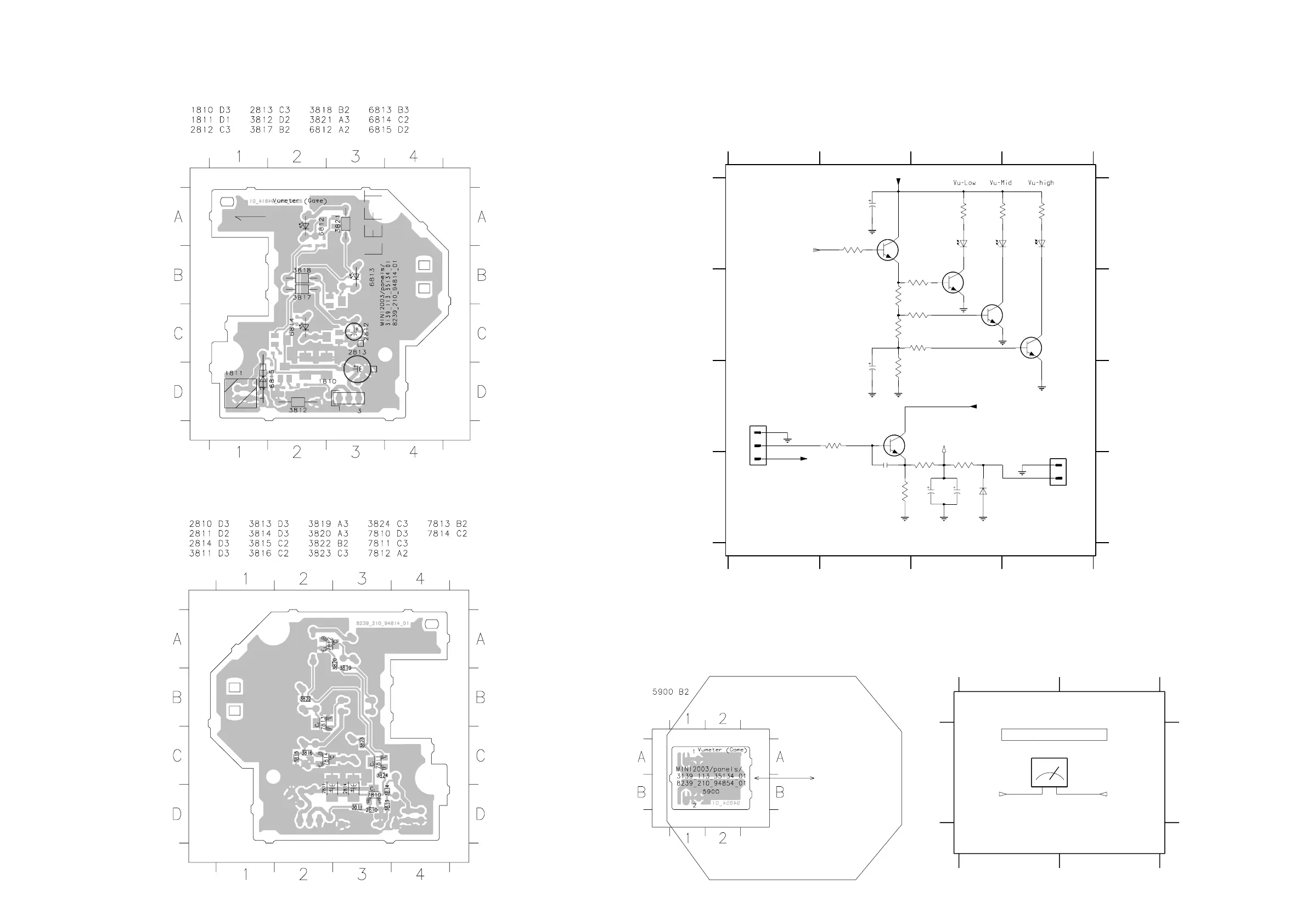
VUMeter
+5V6
3139 118 56720...8239_210_94814 for 3513 pt4 dd wk0310
Note : Some values may varies, see respective parts list for correct value.
VU METER (LEFT)
To Front Display Board
This assembly drawing shows a summary of all possible versions. For
components used in a specific version see schematic diagram and respective
parts list.
3139 113 3513 pt4 dd wk0310
This assembly drawing shows a summary of all possible versions. For
components used in a specific version see schematic diagram and respective
parts list.
3139 113 3513 pt4 dd wk0310
To VU Meter (Left) Board
12
AA
5900 A2
12
P-66SI
5900
12
Vu_Gnd Vu_signal
3139 118 56720...8239_210_94854 for 3513 pt4 dd wk0310
VU METER HOUSING (LEFT)
3139 113 3513 pt4 dd wk0310
VU METER (LEFT) BOARD - COMPONENT LAYOUT
VU METER (LEFT) BOARD - CHIP LAYOUT
VU METER (LEFT) BOARD - CIRCUIT DIAGRAM
VU METER HOUSING (LEFT) BOARD - COMPONENT LAYOUT & CIRCUIT DIAGRAM
5-6 5-6

Related product manuals