EasyManua.ls Logo

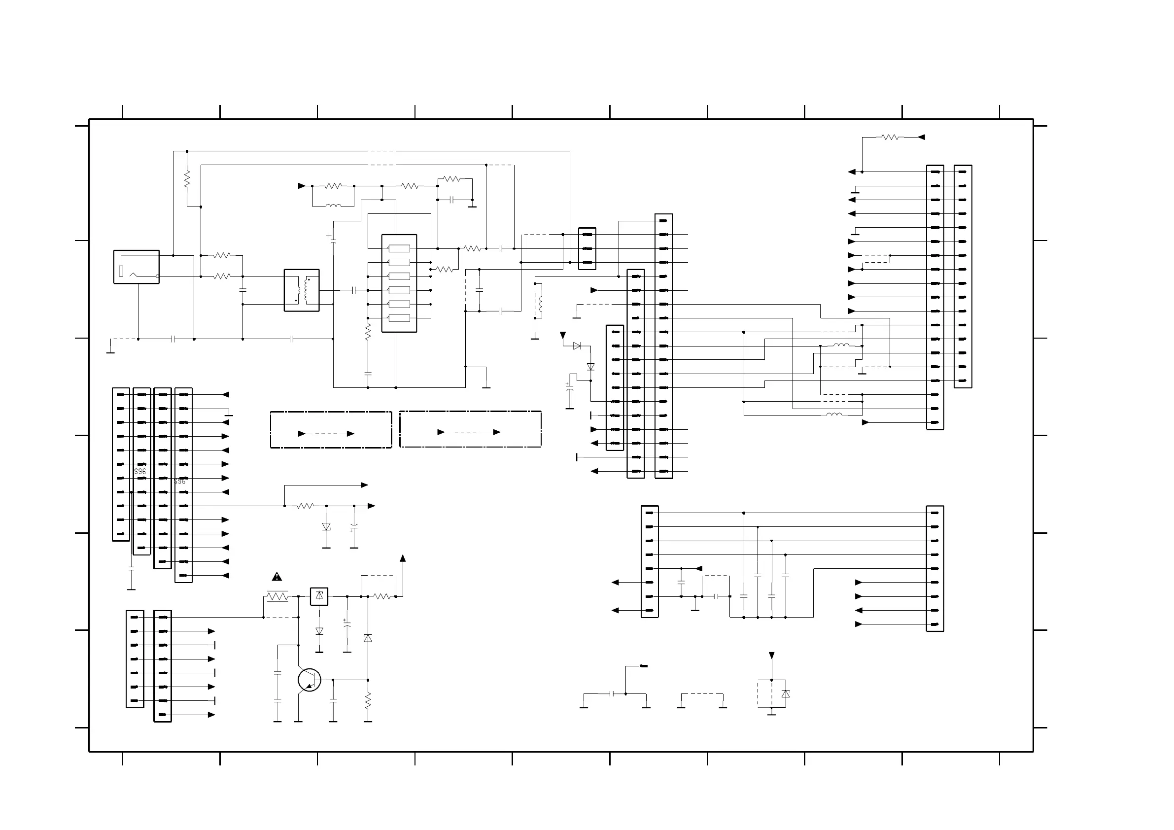
Philips FW-C579 - AF11 Board Circuit Diagram (Part 2)

Philips FW-C579
72 pages
Print Icon
To Next Page IconTo Next Page
To Next Page IconTo Next Page
To Previous Page IconTo Previous Page
To Previous Page IconTo Previous Page
Loading...
FROM / TO Power Board
LPS
FROM / TO
P
TU_DATA
For VCD version only
P
F1
SA_R_IN
P
89
A
B
C
D
E
F
A
B
C
D
E
F
1100 F6
1201 C1
1202 E1
1203 C1
1204 E1
1205 C1
CD_SH_CLK
+12V_M
GND_D
+5V6
123456789
1234567
P
CD_SH_STR
1206 C1
1401 A9
1402 D9
1405 A9
1520 E6
1522 A6
1523 D6
1524 A5
1525 B5
1801 A1
2207 D3
2208 F2
2209 E3
2210 F2
2211 F3
2520 E7
2801 B4
2802 C3
2803 B3
GND_D
PORE / DSA_STB
SILD
SA_L_IN
P
SICL
GND_A
TU_ENAB
-VKK
2804 B3
2805 B2
2806 B2
2807 B1
2808 B4
2809 B4
2810 A4
2820 C5
2901 F6
2950 E7
2951 E7
2952 E7
2953 E7
2954 E6
2955 E1
3205 D2
3412 A8
3801 B4
3802 A4
For VCD version only
COAX
DIGITAL OUT
For CDR version only
P
P
P
PP
P
GND_A
GND_D
CD_SH_STR
CD_RIGHT
3803 B3
3804 A3
3805 B2
3806 A1
3807 B4
3808 A3
3809 B2
3820 E3
3821 E2
3822 F3
4801 B4
4802 C4
4903 B8
TU_STEREO
CD_SH_CLK
4904 F7
4905 C3
4906 A5
4907 C8
4908 C8
4909 A3
4910 A3
4911 A4
4912 B8
4913 B8
4914 B5
4915 C8
4921 B1
5662 B5
5801 B2
5802 A3
5907 C8
5915 C8
6204 F7
6205 D3
SW_INFO
SW_INFO
FRONT DISPALY BOARD
+11V_D
I2C_DATA
DSA_STB/GND_D
I2C_CLK
6206 F2
6207 B5
6208 C5
6209 F3
7202 E3
7404 F3
7802 A3
9405 C8
9483 F6
9486 E7
9614 E3
9634 E2
9662 B5
9904 F7
COAX2
+5V_CD
LOW_PWR_CTRL
FROM/TO TUNER
+12V_A
POWER_DOWN
COAX1
P
TU_ENAB
NTC
GND_M
GND_D
TU_CLK
P
F2
GND_D
FROM / TO 5DTC / 3CDC
CD_SH_DATA
SICL
GND_D
TU_STEREO
TU_DATA
CD_SH_DATA
CD_LEFT
+5V6_CON
FROM / TO Power Board
SILD
TU_CLK
Tu_Gnd
SHIELD
GND_D
+12V_M
4904
TU_Right
2u2
5802
220n
2210
EH-B
1202
100n
2805
GND_EMC
AMP_RIGHT
+5V_CD
1203
5
6
7
8
9
2207
47u
4906
3412
1K
GND_M
+5V6
75R
3806
12
6Y
7
GND
14
VCC
+5V6
SILD
2807
+12V_M
GND_D
100n
2809
DSA_STB
4909
+12V_M
SA_L_IN
5
6
7
8
9
+5V6_Con
GND_D
GND_M
A_CD
2951
470p
4921
6205
BZX79-C10
1405
GND_D
GND_M
9634
aa
NTC
10R
3821
TU_Left
GND_D
1
2
3
4
5
6
7
8
VCDorCDRon
2953
470p
EH-B
1204
1
2
3
4
5
6
7
DSA_STB
9662
AmOn
2810
47p
MIC_DET
SA_R_IN
5915
4911
+5V6_Con
GND_D
GND_D
+12V_A
Clipping
GND_D
I2C_Data
1N4003
6207
+12V_M
GND_EMC
-Vkk
NTC
FE-BT-VK-N
1525
1
GND_A
2211
100n
DVD_ON
1201
FE-BT-VK-N
100n
2804
Low_Pw_Ctrl
7802
74LVU04D
1
1A
2
1Y
3
2A
4
2Y
5
3A
6
3Y
9
4A
8
4Y
11
5A
10
5Y
13
6A
5907
+12V_A
GND_D
F1
100n
2801
CD_PORE
2520
47n
2954
MC78L05
7202
GND
IN OUT
10n
GND_D
150p
2806
3807
2K2
I2C_Clk
CD_Right
1n
2802
1n
2955
6204
BZX79-B3V3
AMP_LEFT
1
2
3
F2
GND_D
2
3
4
5
6
7
8
9
CD_Left
1524
EH-B
FE-BT-VK-N
1523
1
10
11
12
13
14
15
2950
470p
100p
2952
3805
220R
3808
22K
1
2
34
6
9483
6RG
5801
1206
1
10
11
2
3
4
2901
A_TU
GND_D
2820
220u
100n
4914
Low_Pw_Ctrl
9486
GND_D
9614
6206
1N4003
220R
3804
F2
5
6
7
8
9
1205
1
10
11
12
13
14
2
3
4
4905
GND_D
aa
+5V6
Pw_Dn
Pw_Dn
GND_A
2803
1u
GND_D
+5V_VCD
6208
1N4003
10R
3820
3803
560R
AMP_CS_DC
4910
2209
47u
GND_D
9904
47R
3809
-Vkk
BZX79-C6V8
6209
5K6
3205
BC817-25
7404
4802
8
F1
1520
1
2
3
4
5
6
7
4801
FE-BT-VK-N
2808
100n
4908
270R
3822
-CMOS
4903
1
10
11
12
13
14
15
16
17
18
19
2
3
4
3802
FE-BT-VK-N
1522
5
6
7
8
9
22K
1
10
11
12
13
14
15
16
17
18
19
2
3
4
9405
1401
5662
GND_D
2
3
4
5
6
7
8
9
GND_D
470R
+5V_CD
GND_M
3801
2208
220n
YKC21-3416
1
3
2
CD_PORE
4915
+5V
1801
4912
8
9
4907
4913
1
10
11
12
13
14
15
16
2
3
4
5
6
7
1
2
3
4
5
6
7
8
9
1100
100n
1402
FE-BT-VK-N
3139 118 56710...8239_210_94374 for 3507 pt4 dd wk0310
P...provision
Note : Some values may varies, see respective
parts list for correct value.
P
PP
P
P
P
P
P
P
-10V
9.3V
-32V
2.9V
8.5V
4.5V
AF11 BOARD - CIRCUIT DIAGRAM (PART 2)
8-6 8-6

Related product manuals