EasyManua.ls Logo

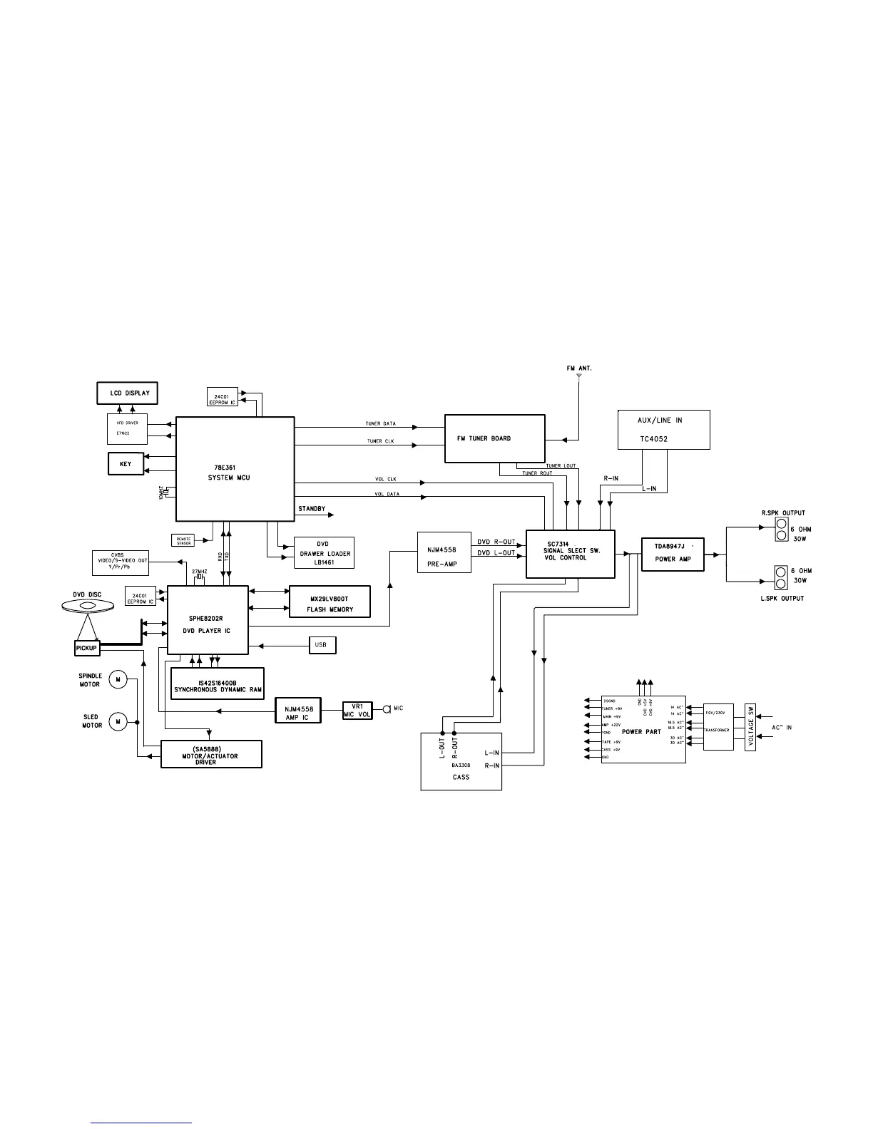
Philips FWD18 - Block Diagram

Philips FWD18
22 pages
Print Icon
To Next Page IconTo Next Page
To Next Page IconTo Next Page
To Previous Page IconTo Previous Page
To Previous Page IconTo Previous Page
Loading...
SET BLOCK DIAGRAM
3 - 1
3 - 1

Related product manuals