EasyManua.ls Logo

Philips FWM37 - Fwm37

Philips FWM37
54 pages
Print Icon
To Next Page IconTo Next Page
To Next Page IconTo Next Page
To Previous Page IconTo Previous Page
To Previous Page IconTo Previous Page
Loading...
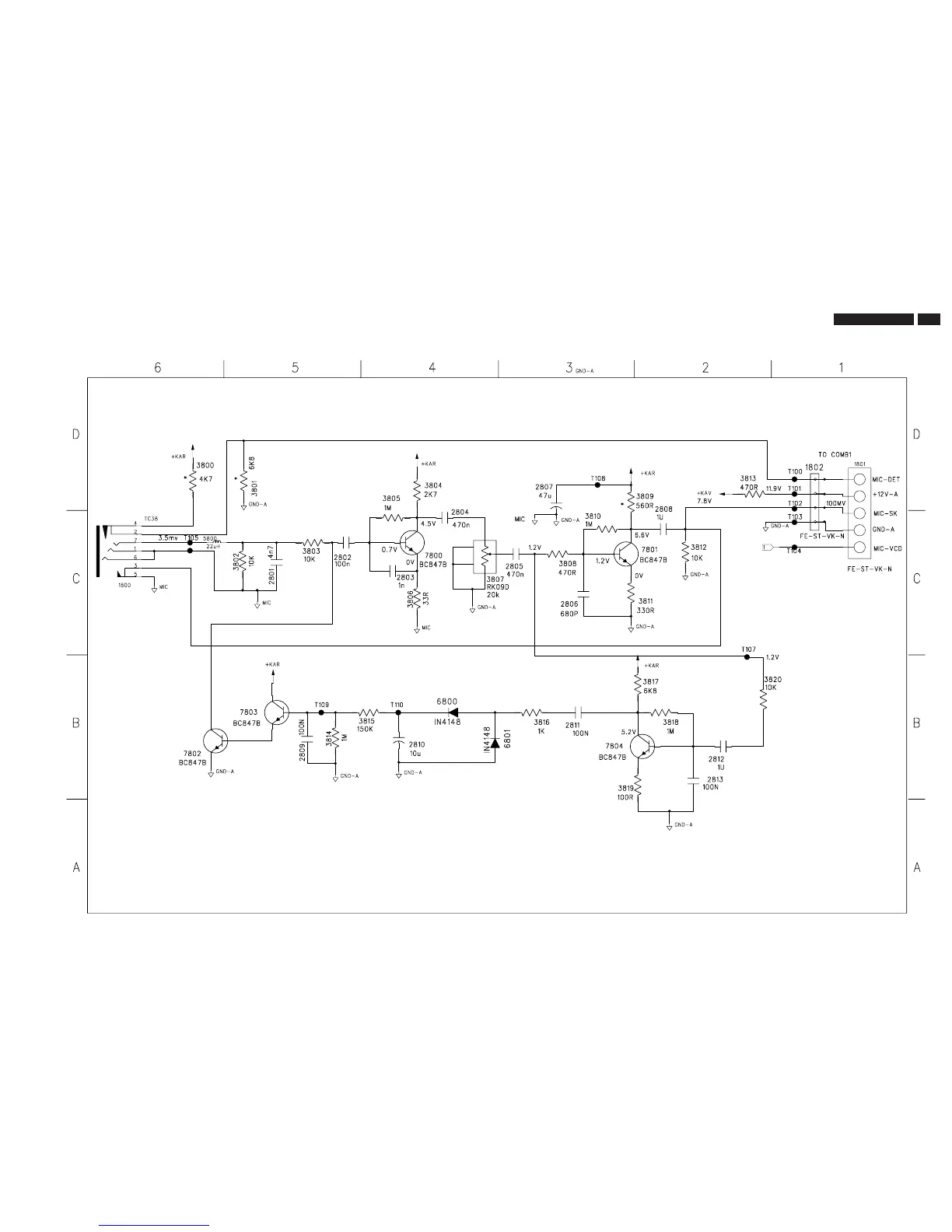
19FW-M37
ESQUEMA ELÉTRICO - PAINEL FRONTAL

Other manuals for Philips FWM37

Related product manuals