EasyManua.ls Logo

Philips FWM37 - Diagrama Em Bloco

Philips FWM37
54 pages
Print Icon
To Next Page IconTo Next Page
To Next Page IconTo Next Page
To Previous Page IconTo Previous Page
To Previous Page IconTo Previous Page
Loading...
33FW-M37
VCC
DOBM
D1-D5
D2-D4
7814
1876 1875
1877 1878
7813
TDA7073
HEF4094BT
LD ONLD ON
LD
MON
CD/RW
HF IN
V1
D1
D2
D3
D4
R1,R2
REGISTER
SHIFT
SIGNAL PROCESSOR
CD10
SAA7324 (SAA7325)
TRAY
MOTOR
CAROUSEL
MOTOR
D5
VDD
D3
D2
D0
DIODES
PHOTO
D3D2
D5D1
D4
INNER SWITCH
not on all versions
SWITCH INFO
LASER &
MONITOR
DIODE
TURNTABLE
MOTOR
DISC
CD MECHANISM
CAROUSEL
TRAY
MAINBOARD
DATA
SHR_CL
7801
+3,3V
7802
LASER CONTROL
&
HF AMPLIFIER
TZA1024
(TZA1025)
5,17,21,52,57
64
1
13
+5V
2
4
5
7
V4
61
2
ISLICE
3
63 51
10
11
6,14
2
3
STB
1
12
11
1,3
2
2
4
1,3
2
4
2
3
5
1
3
1
5
10
9
+3,3V
+5V
+3,3V
+10V
7815
+5V
Vref
+3servo
+10V
15
16
5V1
V
t
EN1
CD DRIVE UP/DOWN SWITCH
1881
1880
TRAY SWITCH
1882
CD POS.1 SWITCH
POS. RECOGNITION
6
7
4
5
1882 closed if carousel is in Position 1.
1883
1883 open if carousel is in a valid Play-Position.
Closed if the tray is in one endposition.
Open during movement.
Open if the drive is in one endposition.
Closed during movement.
VDD (pin 16)
EN1 (pin 15)
Power on
FOCUS
MOTOR
RADIAL
MOTOR
SLEDGE
MOTOR
MOTOR
TURNTABLE
7803
7802
TDA7073A
TDA7073A
TTM +
TTM -
SLEDGE -
SLEDGE +
RAD -
RAD +
FOC -
FOC +
55
54
56
59
60
M1
M2
SL
RA
FO
1802
5
3
7
4
10
11
12
1805
1805
9
7
SHR-DATA
6
12
13
10
11
9
CD_IIS_DATA
IIS_WCLK
IIS_SCLK
External MP3-Decoder
Communication
Front-µP and MP3 module
RAB
41
RAB
RESET
SDA
SHR_CL
8
SHR_STR
SWITCH INFO
µP_DATA
4
µP_CLK
5
2
µP_FRAME
SICL
10
11
9
µP_CLK
µP_FRAME
µP_DATA
µP_CLK
µP_FRAME
µP_DATA
SILD
+5V
+10V
GND
Supply
Changer
Control Logic
Communication
µP Signal Processor
VAM2201
WCLI
35
WCLK
28
SCLI
37
SCLK
29
SDI
36
DATA
27
CD_IIS_DATA
AU_IIS_DATA
AU_IIS_DATA
IIS_WCLK
IIS_SCLK
AU_IIS_DATA
IIS_WCLK
IIS_SCLK
2,6,8,14,15,19
1
CD_IIS_DATA
IIS_SCLK
IIS_WCLK
1805
13
14
15
Active low pass
Filter
TDA1308
7816
7
15
5
2
3
6
+5V
8
+
-
+
-
CD LEFT
CD RIGHT
22
23
18
19
RN
RP
LN
LP
Analog Audio
DIGITAL AUDIO
MP3 coded
CD-DA coded
SDA
SCL
SILD
RESET
38
42
40
39
1,3
GND
+5V
GND
+5V
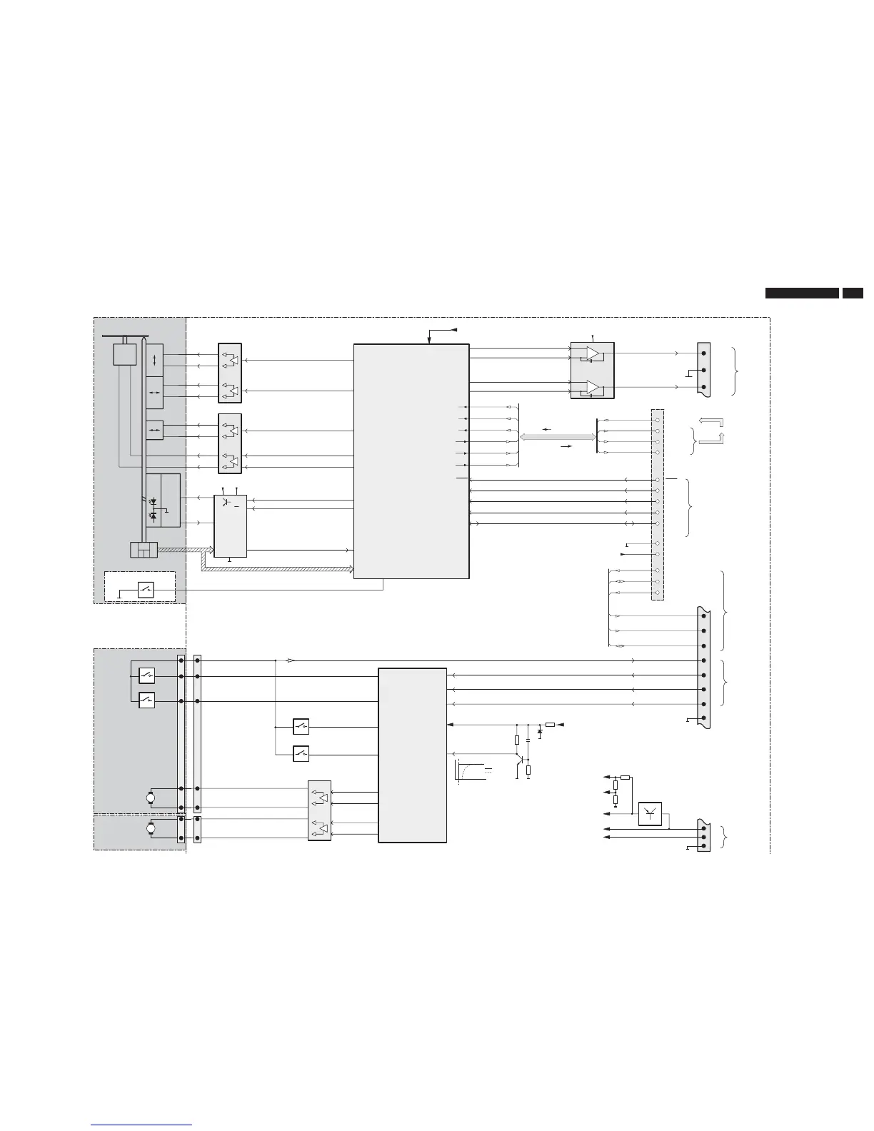
DIAGRAMA EM BLOCO 3CDC-LC Versão MP3

Other manuals for Philips FWM37

Related product manuals