EasyManua.ls Logo

Philips FWM37 - Page 38

Philips FWM37
54 pages
Print Icon
To Next Page IconTo Next Page
To Next Page IconTo Next Page
To Previous Page IconTo Previous Page
To Previous Page IconTo Previous Page
Loading...
38 FW-M37
Tampa Dust
Painel
MP3CD2002
15 .s
oP
3
5
.soP
25 .s
oP
74 .so
P
84 .soP
94
.
soP
34 .s
oP
44 .soP
24
.
soP
75
.soP
54
53
47
55
56
31
30
60
35
32
31
32
33
34
X partes separadas
partes não separadas
Y
52
48
45 5x 4x
4x
46
49
44
43
42
59
41
21
20
51
2x
2x
23
57
58
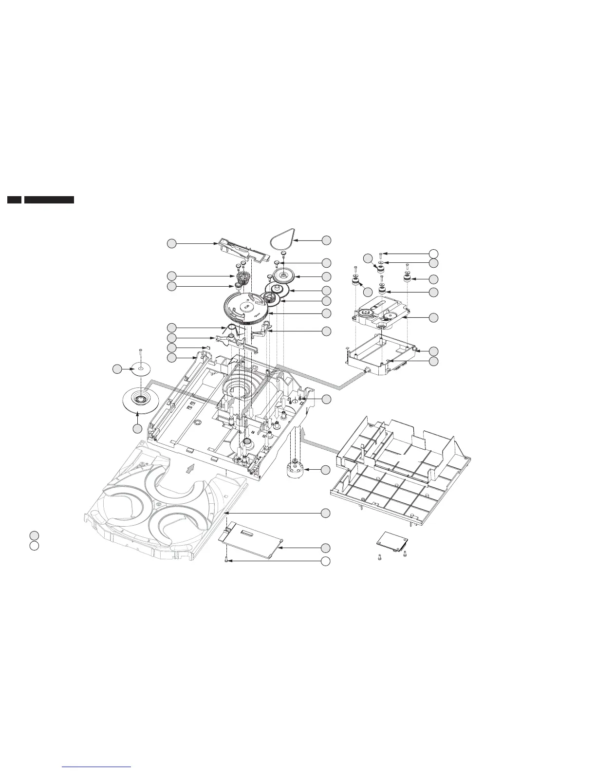
VISTA EXPLODIDA Módulo 3CDC-LC

Other manuals for Philips FWM37

Related product manuals