EasyManua.ls Logo

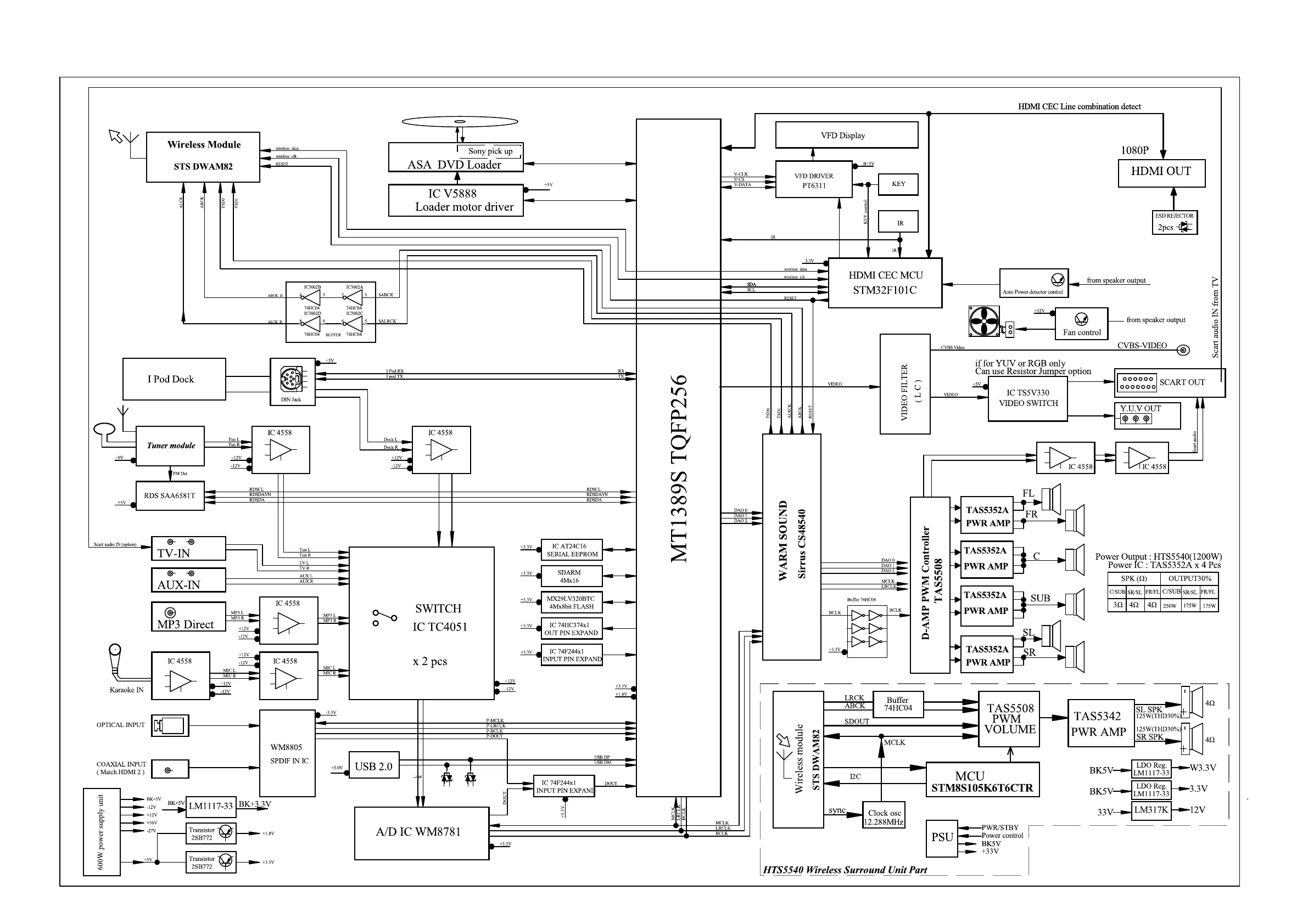
Philips HTS5540 - Block Diagram; System Block Overview

Philips HTS5540
47 pages
Print Icon
To Next Page IconTo Next Page
To Next Page IconTo Next Page
To Previous Page IconTo Previous Page
To Previous Page IconTo Previous Page
Loading...

Other manuals for Philips HTS5540

Related product manuals