EasyManua.ls Logo

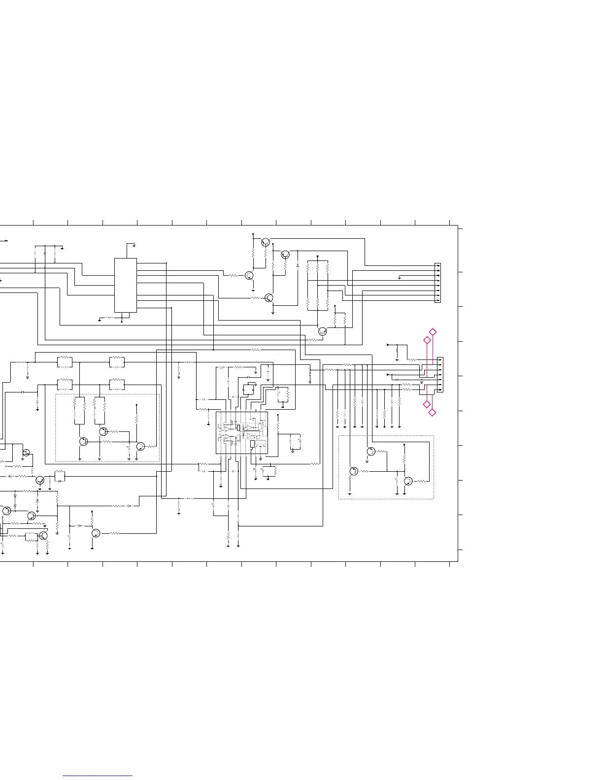
Philips MC-200 - ETF8 SD Board Diagrams; ETF8 SD Circuit Diagram and DC Voltages

Philips MC-200
52 pages
Print Icon
To Next Page IconTo Next Page
To Next Page IconTo Next Page
To Previous Page IconTo Previous Page
To Previous Page IconTo Previous Page
Loading...
9 - 1 9 -1
MUTE
LOGIC
REJECTION
NOR/CHRO
LOGIC
MUTE
PB/REC
RIPPLE
ALC
LR
REC EQ
D
E
F
G
H
I
A
B
C
D
E
F
G
H
I
1701 D14
1703 A1
1706 A1
1710 F1
1760 A14
2621 A3
2622 A3
2623 A2
2625 C5
2701 D2
2702 E3
2703 E13
2704 F12
2709 E7
2710 G7
2711 D9
LEVEL
1234567891011121314
1 2 3 4 5 6 7 8 9 10 11 12 13 14
A
B
C
OSCILLATOR
BIAS
2712 I8
2713 D9
2714 I8
2715 D8
2716 H8
2717 D5
2718 E5
2719 F4
2720 F4
2721 D7
2722 H7
2723 D7
2724 H7
2725 D10
2727 D3
2728 E3
2729 E8
2730 H8
2731 E9
2732 G2
2743 I1
2747 D13
2749 D2
2750 E2
2761 F10
2768 H13
2769 E12
2770 F11
2780 I3
2781 I3
REC/PB
2782 I2
2784 I1
2785 I2
2786 G1
2787 H3
2788 E13
2789 E8
2790 G8
2791 E8
2793 F7
2794 G8
2795 G5
2796 G9
2797 G9
2798 E9
2799 F10
3607 A11
3608 B10
3609 A11
3610 B11
3611 A10
3612 B11
3614 C11
3624 A9
3626 A10
ERASE
: Provision part.
*
MUTING CIRCUIT
3628 A9
3630 A9
3678 B8
3680 B9
3686 C11
3709 D8
3710 I8
3711 E7
3712 G7
3717 D5
3718 E5
3719 E4
3720 E5
3721 E4
3722 E4
3723 D3
3724 E3
3733 E13
3734 F13
3735 E13
3736 E13
3737 G13
3738 G12
3739 G13
3740 G14
3743 E12
3744 F11
3745 D12
3746 D11
AF BOARD
TO / FROM
SHIFT REGISTER
TAPE PRE-AMP IC
3762 H2
3764 F10
3768 D13
3769 H5
3770 I2
3771 I3
3772 I3
3774 H3
3775 I3
3776 I2
3777 I2
3778 H1
3779 G3
3780 G2
3781 G2
3786 I5
3789 I4
3790 D9
3791 G9
3792 F6
3793 F5
3794 F5
3795 F5
*
3796 E10
3797 C11
3800 G11
5701 G2
5703 I1
6612 A10
6770 H2
6771 H2
6772 H1
6773 G2
6774 G3
6776 I4
6777 H3
6778 H5
7610 B5
7612 A9
7614 A10
7618 B9
7620 B9
7624 C11
7720 F8
7780 I4
7781 I3
7782 H2
7783 I2
7784 G3
7786 G2
7788 G13
7789 G12
7790 G12
7792 F6
6776
1N4148
A
7793 F4
7794 F4
2787
33n
2720
33n
5K6
1K2
3745
A
A
M
BC817-25
7781
6770
1N4148
A
M
2781
10n
1
2
3
4
5
6
7
BC557B
7782
A
A
7784
BC857B
2n2
2769
A
3743
56K
2789
33n
2 PB|RNF
4 PB|RO
15REC|LI
14REC|LO
5 REC|RI
6 REC|RO
RF8
10 VCC
15n
2784
M
A
100p
2712
2714
3721
5K6
BC847B
7620
3724
12K
2728
2795
1u
1u
2785
A
47K
3680
TAPE_R
TAPE_R
TAPE_R
TAPE_L
TAPE_L
TAPE_L
Lch
Lch
PB_Lin
+MOTOR
+MOTOR
GND_M
Common
P
3775
4R7
2
4M7
3796
2799
2790
1n5
47K
3739
A
MECHANISM
TO / FROM
FRONT BOARD
TO / FROM
*
2n2
2724
10u
2798
3718
1K2
7612
BC807-25
2u2
5701
2709
1n
2715
100u
A
A
47K
3792
2711
100p
P
7790
BC847B
3722
3709
33R
3789
47K
PP
A
3771
1K2
10K
3768
2625
100n
2727
3n3
6612
1N4003
2K2
3611
3786
22K
A
1u
2721
-C
7
MT1
8
MT2
1
2
3
4
5
6
100K
3686
O5
O6
12
O7
11
Os
9
Os'
10
STR
1
VDD
16
VSS
8
CLNS-2A833 YEZ
5703
HEF4094BT
7610
CP
3
2
D
E0
15
O0
4
O1
5
O2
6
O3
7
O4
14
13
1u
1N4148
6771
1K2
A
2722
5
6
7
7624
BC847B
2732
1u
1701
FE-BT-VK-N
1
2
3
4
A
2723
2n2
2750
3612
3608
27K
56K
100n
2770
2n2
1u
2768
A
7780
BC847B
330K
6772
1N4148
2786
100p
3779
3609
2K2
2K2
3607
3n3
+5V
A
56K
3797
P
3774
18K
A
-C
3776
6K8
A
P
470p
2622
P
2725
100p
100n
33n
2719
22K
3800
3711
100R
A
2713
100n
2796
47u
BZX79-B8V2
6777
P
P
3746
1K2
4n7
2782
BC847B
7789
1K
3795
AN17150A
12ALC
16ALC|LC
GND9
NC 13
11N|C|S
18PB|LEQ
20PB|LI
19PB|LNF
17PB|LO
7 PB|REC|SW
3 PB|REQ
1 PB|RIN
A
P
A
7720
2704
100p
2K7
3720
1K
3762
820R
1
2
3
4
5
6
7
8
3626
A
A
1760
FE-ST-VK-N
22n
2730
2794
220p
+12V
3794
1K
15n
2718
3712
100R
22u
2797
2710
1n
1K2
3717
3628
100K
7792
BC847B
2761
220u
A
3610
120K
P
3678
47K
A
A
100p
2703
3770
1K5
2791
1n5
3791
27K
22K
3736
P
A
A
3790
22K
AA
22u
2780
22n
2729
150R
3793
47K
A
2716
100u
3777
BC847B
7793
7794
BC847B
4M7
3781
P
7618
BC847B
A
1K
3738
2623
470p
6774
1N4148
1n
2621
22K
27K
3614
A
1N4148
6778
3735
7783
BC847B
A
FE-ST-VK-N
1710
1
2
3
4
5
3719
2K7
2749
1u
3772
12K
3744
56K
100p
2702
3764
180R
A
1M
3780
100K
3624
6R8
3778
7788
BC847B
2717
15n
3630
470R
3737
1K
3733
27K
A
A
27K
3734
A
2747
33n
A
1n
2731
FE-BT-VK-N
1706
3710
33R
47K
3740
M
1703EH-B
1
2701
100p
10K
3769
12K
3723
P
BC807-25
7614
A
7786
J111
1N4148
6773
+5V
2788
22n
A
2743
22n
2793
220p
3139 118 54890...for 90140...3455 pt2 dd wk0125
+12V
+5V
REC_L
REC_L
GND_A
Rch
Rch
REC_Lin
REC_Lin
PRE_AMP_VCC
REC
REC
REC
REC_Rin
REC_Rin
REC_Rout
PB_Lout
PB_Rin
PB_Rout
CR_BIAS
CR_SEL
CR_SEL
PHOTO
GND_A
Erase
MUTE_OFF
MUTE_OFF
MUTE_OFF
MUTE_OFF
SOL
MOT
AD1
AD1
Vcc12V
+12V
REC_R
REC_R
+5V
-CMOS
+12V
REC_Lout
REC_RVS
REC_FWD
CR_IN
CR_IN
CR_IN
sol_supply
sol_supply
MODE
GND_M
+12V
+12V
CR_BIAS
BIAS_OFF
BIAS_OFF
BIAS_OFF
GND_P
CLK
CLK
DATA
DATA
DATA
STROBE
STROBE
+MOTOR
+MOTOR
+5V
+12V
Note : Some values may varies, see respective
parts list for correct value.
0.7V
1.1V
11.9V
11.8V
11.0V
(0.7V)
0.0V
5.0V
11.9V
5.0V
0.6V
0.0V
0.0V
0.0V
(1.1V)
(11.0V
(0.3~1.5V
(0.8~2.1V
(0.3~1.5V)
-9.0V
11.9V
0.0V
0.8V
0.6V
0.0V
18.7V
11.6V
11.0V
3.3V 1.6V
3.1V
0.7V
0.3V
11.7V
0.0V
0.0V
0.0V
0.0V
0.0V
)
)
)
(11.8V)
DC Voltages measured with Fe Recording.
(xxV) Voltages during Solenoid On.
2
1
3
4
CIRCUIT DIAGRAM - ETF8 SD

Related product manuals