EasyManua.ls Logo

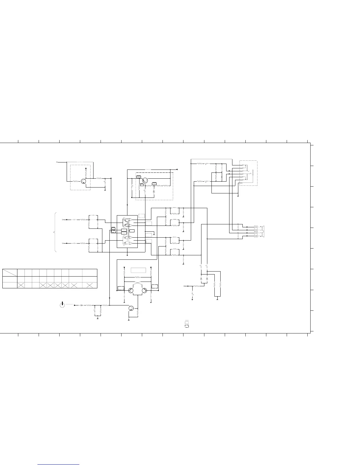
Philips MC-200 - Combi Board Circuit Diagrams (Part 2); Power Amplifier and Audio Output Circuits

Philips MC-200
52 pages
Print Icon
To Next Page IconTo Next Page
To Next Page IconTo Next Page
To Previous Page IconTo Previous Page
To Previous Page IconTo Previous Page
Loading...
10 - 210 - 2
VREF
STB
MUTE
3359 H5
3358 B52338 D9
T336 H6
4334 D5
MC148
5.8V
5.8V
MC148
MC148
5.8V
5.8V
MC148
MC148
7.2V
7.2V
MC148
3341
3342
4K7
560
5331 E9
5
T334 G10
4
5
left
DIGITAL SOUND
L
2354 H8
MC-1xx
MC-200
3339
3340
100u
120
10 11
A
2347 F112332 D4
3351 G11
13
6331 G11
Clickfit
B
H
8
D
2352 I5
CONTROL (DSC)
2344 B11
G
LS BOX
3365 B9
91
7331 G8
T335 H8
3360 I5
T338 B12
2341 A11
2346 E12 T342 E13
3354 B4
3332 D5
R
2339 F9 3362 B8
3363 C7
(230V MAINS SUPPLY ) DC VOLTAGES MEASURED IN :
4.7V
Item
7334 B42334 D5
R
4335 A52355 C8
3331 E5
(MC118)
T341 E13
5332 D9
2
T340 E13
T333 C7
3.1V
871
2333 E5
3361 H6
I
2340 D9
3353 G10 7332 G7
3333 E5
3334 D5
3335 E9
67
3338 D9
3339 A102330 C7
14
E
3356 B5
8R
2336 D5
from
R
T339 D133352 G11
(forseen
only)
(forseen only)
6.2V
L
3344 D9
3345 F9
V
6 143
PROTECTION
5334 C9
C
2335 E5
2337 E9
11.1V
H
2342 B11
CD Mode 1KHz , 0dB track, DSC "OPTIMAL", DBB "OFF", INCR "OFF", VOLUME "20"
R
2353 H7
3364 B8
2343 B11
5333 E9
Model
*
910
11V
9.8V
0V
4.7V
4.7V
4.7V
0V
T337 B12
2331 E4
13
F
C
D
12
16 - 150 ohm
3350 I7
4
Source Selection and Sound Control Part
3
7335 B8
3336 D9
11
3337 F9 6333 H5
6334 C8
3340 B10
8R
15
T330 B6
T331 H6
T332 C7
2
3363
10K
3364
390
3365
270
6334
BZX55-B11
7335
BDW93CFP
2345 D12
HEADPHONE SOCKET
3347 G8 T343 E4
T344 D43342 B11
3343 E9
6.2V
9330 B8
3346 D9
POWERSTAGE
L
3349 G7
MUTE OFF/ON
Standby Mode
Tuner Mode 1KHz , df "22.5kHz", DSC "OPTIMAL", DBB "OFF", INCR "OFF", VOLUME "20"
LS BOX
3348 G7
1330 A13
to 3547/3548
E
right
9.9V
11V
11V
0V
3.25V
0/2.2V
V
2348 F10
2349 H10
2351 B6
4333 E5
0V
G
A
(forseen only)
7333 H76332 G10
L
15
socket
12
B
7330 D6
3341 B11
F
2355
68
1331 D13
I
3362
1K8
T332
1K
3351
V
V
11.1V
10.4V
11.1V
1K8
3362
*
220n
2340
T334
BC847B
7333
T340
BDW93CFP
7335
*
47K
3349
T330
STANDBY
1331
2
1
2330
4u7
3342
4K7
*
3364
390R
*
10K
3346
47u
2342
3336
2R2
220p
2335
2337
9330
(MC148)
T344
220n
T341
360n
5333
4334
4333
(forseen only)
4K7
3358
22K
3348
150n
2333
BC847B
7334
T336
22K
3356
22n
2346
220n
22n
2345
6332
1N4148
2339
6331
1N4148
T331
T333
360n
5334
T337
10K
3331
+AMP
T342
2332
150n
680p
2354
47K
3350
+5V6
1330
1
3
2
4
7
5
6
11
GND2
6 IN1
8 IN2
9 MUTE
2OUT1+
4OUT1-
12OUT2+
10OUT2-
5 STB
1
VCC
1n
2344
AN7125
7330
7
GND
3GND1
1K
3352
1n
2343
BC857B
7332
+12V +12V
3365
270R
*
1N4148
4
3337
2R2
6333
3
2331
150n
680p
2353
68R
3340
*
100u
2349
2R2
3338
3332
10K
150n
2334
(forseen only)
100R
3361
T335
4K7
3341
*
6K8
3333
3339
68R
*
47u
2347
4u7
2351
10K
3354
6334
BZX55-B11
*
2338
220n
22K
3347
T339
4335
T338
47u
2348
10K
3343
T343
3359
6K8
10K
3345
47u
2352
2355
100u
*
2R2
3335
100K
3360
360n
5332
47u
2341
*
10K
3344
6K8
3334
3363
10K
220p
2336
BC857B
7331
5331
47R
3353
R
L
BASS_ALC
MUTE
360n
COMBI BOARD
Power amplifier part
CIRCUIT DIAGRAM - COMBI BOARD (Part 2)

Related product manuals