EasyManua.ls Logo

Philips MC-45 - Page 6

Philips MC-45
19 pages
Print Icon
To Next Page IconTo Next Page
To Next Page IconTo Next Page
To Previous Page IconTo Previous Page
To Previous Page IconTo Previous Page
Loading...
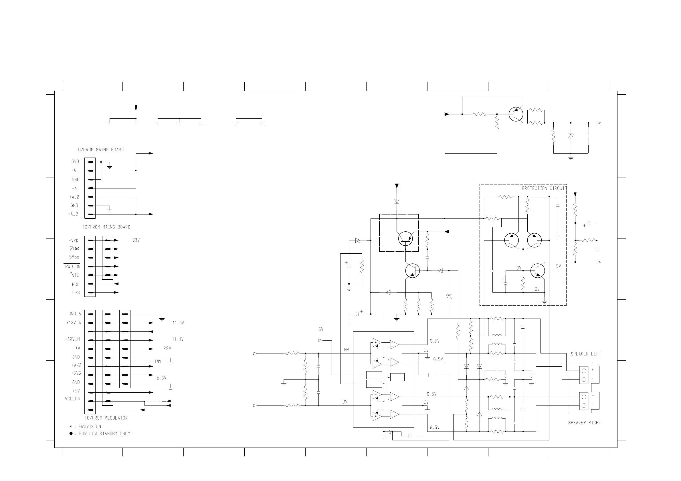
COMBI CIRCUIT - POWER AMPLIFIER PART
VREF
STB
MUTE
123456789
123456789
A
B
C
D
E
A
B
C
D
E
0020 A1
8.3V
28V
27.3V
28V
7.5V
7.5V
(D.C. Voltages during active play)
0023 D1
1123 A2
1200-A E9
1200-B E9
1221 B1
1222 D1
1224 D1
1225 B1
2202 E5
2203 E5
2204 E8
2205 D8
2206 E8
2207 E8
2208 E8
2209 D8
2210 B9
2211 B9
2212 C8
2213 C8
2214 C6
2215 C5
2216 D5
2217 A9
2648 E6
2649 E6
2650 E8
3202 E4
3203 D4
3204 E4
3205 E4
3206 E7
3207 D7
3208 E7
3209 D7
3210 E8
3211 D8
3212 E8
3213 D8
3214 B8
3215 B8
3216 B9
3217 B8
3218 B9
14V
7.5V
47n
28V
3219 C9
3220 C8
3221 D7
3222 E8
3223 C6
3224 C5
3225 D6
3226 D6
3227 D7
3228 A7
3229 A8
3232 A8
3233 A8
3234 A9
5200 E8
5201 D8
5202 E8
5203 D8
6200 E7
HEATSINK
6201 E7
6202 E7
6203 E7
6204 B6
6205 B5
6206 C7
6207 C6
6208 C7
6209 A9
7200 D6
7201 B8
7202 B8
7203 C8
7204 B6
7205 C6
GND
7
GND1
3
GND2
11
IN1
6
IN2
8
MUTE9
OUT1+
2
4
OUT1-
OUT2+
12
OUT2-
10
STB
5
VCC
1
7206 A8
9630 E2
7.5V
28V
9V
47n
3228
100K
3
4
1200-B
BYV28-200/20
6204
10K
3208
GND_EMC
2205
5
6
7
GND_P
220n
220n
2206
7203
BC547B
GND_A
GND_D
470R
BZX79-B4V7
6207
7201
BC557B
3229
3203
82K
100n
2217
GND_D
9630
3225
1K8
GND_G
220K
62031N4003
6205
360n
47K
3220
1200-A
2
1
470R
3221
5K6
3214
22K
2209
GND_D
GND_G
EH-B
1222
3207
10K
150K
3218
+A
7200 AN7125
1221
FE-BT-VK-N
1
2
3
4
100n
2212
330R
3224
BZX79-C22
3206
10K
2650 220p
2214
560p
3212
2R2
2203
22p
2R2
3213
DIPMATE
0023
1
10
11
12
2
3
4
5
6
7
8
9
GND_P
6200
1N4003
10K
3209
1N4148
5202
360n
GND_P
1123
RT-01T
1
6206
GND_D
2R2
3211
22u
2211
GND_+A_2
2213
22u
GND_G
3232
10K
0020
1
2
3
4
5
6
7
3204
5K6
GND_D
DIPMATE
10n
2649
10n
2648
3215
47K
3216
15K
GND_+A_2
5
220n
2208
3227
1K8
FE-BT-VK-N
1225
1
2
3
4
GND_P
6202
1N4003
3219
100R
GND_M
6208
BZX79-B18
GND_A
5203
4K7
3222
GND_D
22p
2202
GND_P
1N4003
3233
10K
3205
6201
2204
GND_P
BC557B
7202
5201
360n
3234
100K
GND_D
BC547B
7205
7206
BC557B
5200
360n
3226
1K8
2215
2210
100n
+A
4u7
82K
3202
6209
BZX79-B4V7
22K
3217
1
2
3
4
5
6
7
8
9
GND_D
GND_D
EH-B
1224
7204
BDW94C
3223
3210
2R2
GND_A
GND_A
4u7
2216
220n
2207
GND_G
1
10
11
2
3
4
5
6
7
8
9
DVD_ON
LEFT
RIGHT
F2
+A_2
+A_2
+A
+12V_A
LOW_POWER_CONTROL
+12V_M
+A
+A_2
+5V6
+5V_VCD
CDR_ON
CLIP
VCD_ON
AMP_IC
AMP_ON
-VKK
F1
POWER_DOWN
NTC
LOW_POWER_CONTROL
LOW_PWR_SUPPLY
AMP_IC

Other manuals for Philips MC-45

Related product manuals