EasyManua.ls Logo

Philips MC-45 - Page 8

Philips MC-45
19 pages
Print Icon
To Next Page IconTo Next Page
To Next Page IconTo Next Page
To Previous Page IconTo Previous Page
To Previous Page IconTo Previous Page
Loading...
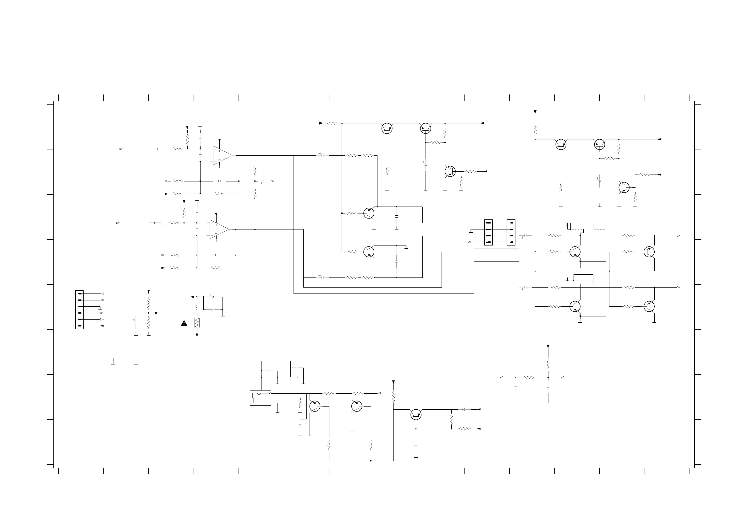
COMBI CIRCUIT - HEADPHONE AMPLIFIER & SUB-WOOFER OUT PART
HP_IN
C
D
E
F
G
H
A
B
C
D
E
F
G
H
1255 E1
1256 C10
1257 C10
1502 G5
2571 A3
2572 C3
2573 B4
2574 D4
2575 B4
2576 C4
2577 A4
2578 C4
2579 B6
2580 D6
2581 C8
2582 D8
2585 B9
0V
0V
0.7V
0.7V
4V
5V
5V
5.6V
5.6V
5.6V
5.6V
0.7V
0V
#
0V
0V
0V
0V
0V
12345678910111213
0V
0V
0V
0V
0V
5V
5.6V
5V
0V
5.7V
5.7V
5.7V
5.7V
5.7V
5.7V
14
1234567891011121314
A
B
TO/FROM VC
#
11.3V
0V
0V
0V
0V
0V
0V
2586 B12
2587 G11
2588 G11
2589 H6
2590 H8
2591 E4
2592 E4
2593 E2
2594 G5
2595 B5
2614 G6
2615 D11
2616 C11
3573 A3
3574 C3
3575 A3
3576 C3
3577 B3
3578 D3
3579 B3
3580 D3
TO HEADPHONE
#
OUT
3581 B4
3582 D4
3583 B5
3584 B5
3587 B7
3588 D7
3589 B7
3590 D7
3591 C7
3592 D7
3593 E12
3594 C12
3595 E12
3596 D12
3597 A7
3598 A9
3599 A9
3600 B8
3601 B10
3602 B9
3603 A11
3604 A13
3605 B13
3606 B14
3607 B12
3609 C13
#
HP_IN_R
#
HP_IN_L
DIFF. INPUT
HEADPHONE AMPLIFIER
GND_A
AMP_L
3610 F11
3611 G11
3612 G7
3613 G8
3614 G6
3615 G9
3616 H10
3617 H6
3618 H7
3619 E3
3620 E2
3621 E2
3641 E13
3642 D13
3643 E13
3645 G7
3646 C13
4517 F6
4563 D13
4576 C13
4600 C12
4601 D12
AMP_R
5500 E4
6520 G10
7510-A A4
7510-B C4
7511 C8
7512 D8
7514 D12
7515 E12
7516 A8
7517 A9
7518 B9
7519 A12
7520 A13
7521 B13
7522 G6
7523 G7
7524 G8
7540 D14
7541 E14
9641 F5
GND_D
SUBWOOFER
# FOR PROVISION ONLY
GND_A
2576
470p
GND_D
GND_A
VC_GND
7541
BC817-25
3606
10K
3587
220R
3645
4576
4M7
3613
3641
1K
7516
BC857B
100n
2614
BC817-25
7540
3607
4K7
GND_D
3620
4K7
100p
2577
5K6
3605
GND_A
2590
10u
2589
470p
4M7
3597
2
3
4
GND_DGND_D
GND_A
GND_A
BC817-25
7515
220p
2573
2586
10u
7522
BC817-25
GND_A
7521
BC847B
7517
BC847B
GND_A
FE-ST-VK-N
1257
1
47u
2591
GND_A
GND_A
7514
BC817-25
3604
1K
1K
3646
2578
100p
100u
2593
4K7
VC_GND
GND_EMC
2K2
3616
3621
4M7
2595
22u
9641
3603
FE-BT-VK-N
1
2
3
4
5
6
33R
5K6
3611
GND_A
1255
2581
100p
GND_A
3K3
3584
1K
3643
-VKK
-VKK
GND_D
GND_A
4u7
2615
GND_D
3594
1K
GND_A
6K8
3580
GND_A
0u47
2571
GND_A
10u
2585
47R
3589
2K2
3614
5500
1K
3598
BC847B
7520
2u2
1K
4K7
3600
2574
220p
3591
GND_D
3602
10K
FE-BT-VK-N
1
2
3
4
7523
BC817-25
2588
100p
1256
3588
33R
6520
1N4148
12K
3575
3618
1K
BC857B
7519
10R
3619
1K
3592
-VKK
1K
3642
22u
2580
YKC21-3416
1
3
2
3576
12K
2616
4u7
1502
4601
470p
2575
4563
4600
2594
100n
2587
1u
1K
3577
BC847B
7518
3K3
3583
GND_D
7510-A
NJM4556AM
3
2
1
8
4
GND_A
27K
3581
GND_A
10R
3574
3617
1K
100p
2582
BC817-25
7512
GND_A
3595
1K
3579
6K8
3578
1K
3612
4K7
3615
3596
1K
220R
4517
GND_A
GND_D
3573
10R
6
7
8
4
3593
1K
10K
7510-B
NJM4556AM
5
BC857B
7524
3601
3582
27K
15K
3610
2579
22u
7511
BC817-25
GND_A
2572
0u47
3609
5K6
3599
GND_A
47R
3590
10K
GND_A
GND_D
22n
2592
+12V_A
VC_OUT_LEFT
VC_OUT_RIGHT
HP_AMP_R
HP_AMP_L
SUB_W
MUTE_GENERAL
HP_IN
VC_OUT_LEFT
VC_OUT_RIGHT
VC_RIGHT
SUB_W
VOL_LEFT
VOL_RIGHT
RIGHT
LEFT
+5V6
VC_LEFT
HPREF
HPREF
VC_LEFT
HPREF
HPREF
VC_RIGHT
MUTE_HP
+12V_A
HPREF
+12V_A
B_REF3
+5V6
HP_INHP_DET
+5V6
B_REF3
B_REF3
+5V6
MUTE_GENERAL

Other manuals for Philips MC-45

Related product manuals