EasyManua.ls Logo

Philips MC-V65 - Page 30

Philips MC-V65
39 pages
Print Icon
To Next Page IconTo Next Page
To Next Page IconTo Next Page
To Previous Page IconTo Previous Page
To Previous Page IconTo Previous Page
Loading...
10 - 210 - 2
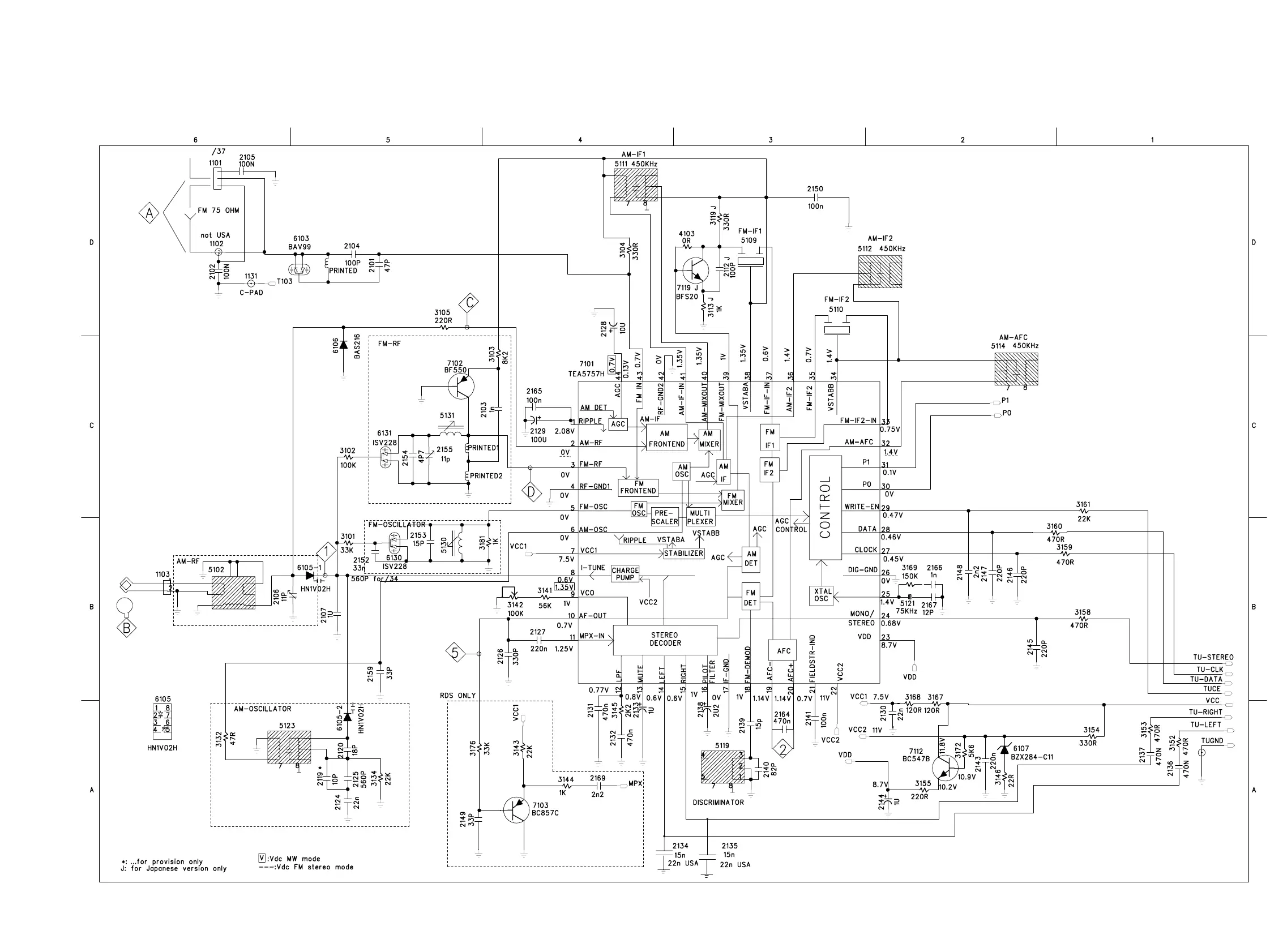
CIRCUIT DIAGRAM - MAIN BOARD (Part 2)
TUNER PART - ECO6 AS NON CENELEC

Related product manuals