EasyManua.ls Logo

Philips MCD289 - Page 23

Philips MCD289
45 pages
Print Icon
To Next Page IconTo Next Page
To Next Page IconTo Next Page
To Previous Page IconTo Previous Page
To Previous Page IconTo Previous Page
Loading...
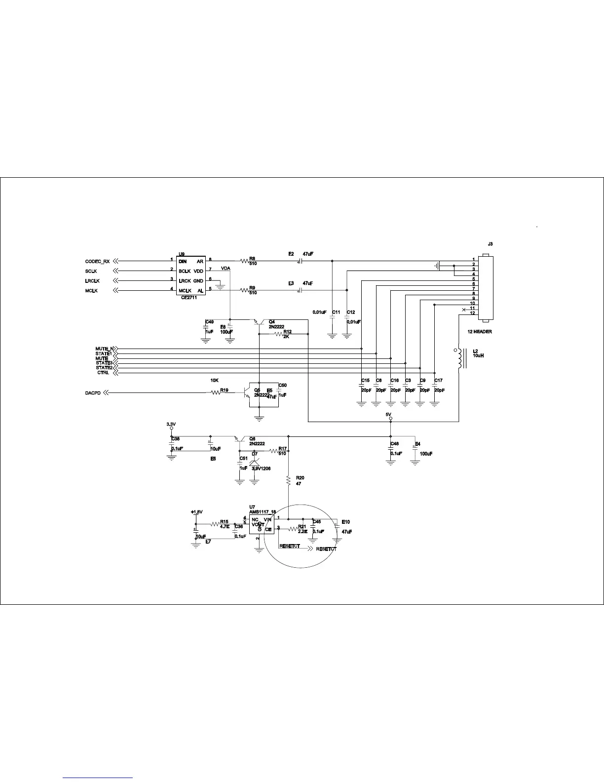
RADIO - RECEIVE BOARD - CIRCUIT DIAGRAM - PART2
9-2 9-2

Other manuals for Philips MCD289

Related product manuals