EasyManua.ls Logo

Philips MCD710 - Circuit Diagram

Philips MCD710
35 pages
Print Icon
To Next Page IconTo Next Page
To Next Page IconTo Next Page
To Previous Page IconTo Previous Page
To Previous Page IconTo Previous Page
Loading...
8 - 18 - 1
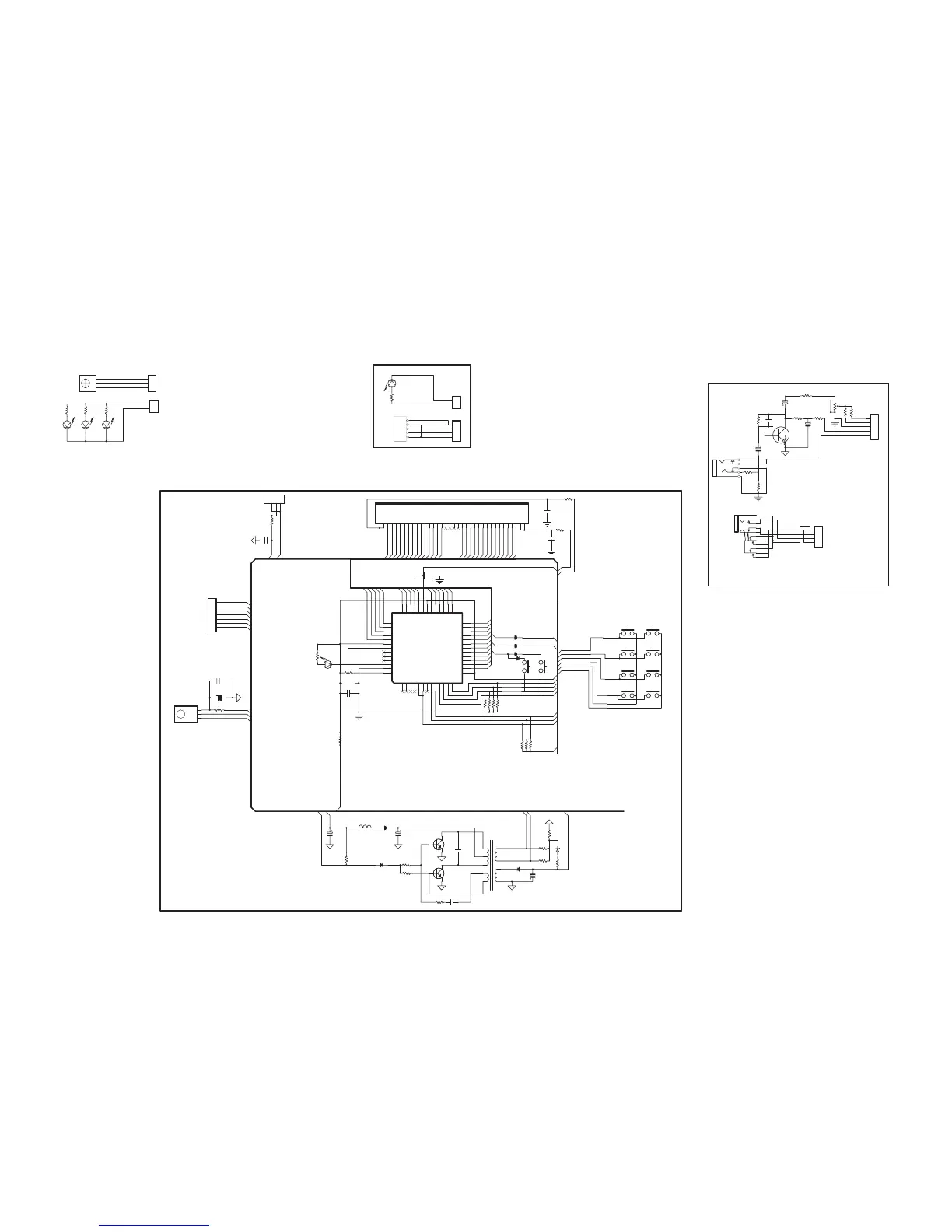
CIRCUIT DIAGRAM - VFD BOARD
R254
47K
R255
33K
R256 33K
R257 33K
R258 33K
K4
K3
K2
K1
D205
4148
D207 4148
S1
S2
S3
S4
S5
S6
S7
S8
S9
S1
S2
S3
S4
S5
S6
S7
KS2
+5V
S1
S2
C217
104P
R229
0.5/0.5
C203
104P
C200
104
SW200
STANDBY
VF1
1
VF1
2
S1
3
S2
4
S3
5
S4
6
S5
7
S6
8
S7
9
S8
10
G1
11
G2
12
G3
13
G4
14
G5
15
G6
16
NC
17
NC
18
NC
19
NC
20
G7
21
G8
22
G9
23
G10
24
G11
25
G12
26
S9
27
S10
28
S11
29
S12
30
S13
31
S14
32
S15
33
S16
34
VF2
35
VF2
36
VFD200
NE-1300CD-3.G
S10
S11
S12
S13
S14
S15
S16
G12
G11
G10
G1
G2
G3
G4
G5
G6
G7
G8
G9
G2
G3
G4
G5
G6
G7
G8
G9
S12
S11
G11
G10
S8
G1
S10
S9
G12
-28V
VF2-1
VF1-1
D206 4148
S3
KS3
R228
0.5/0.5W
C201
104
KS3
R259
4K7
R231
10K
R232
10K
K1
K2
K3
K4
KS2
+5V
SW204
SOURCE
SW203
PRERET-
SW202
PRERET+
SW201
OPEN
SW207
PRE
SW206
PLAY
SW205
PROGRAM
KS2
K1
K2
K3
K4
KS3
S13
S14
S15
S16
R208
4.7K
LED200
ECO-POWER
REM
1
GND
2
Vcc
3
S200
REMOTE
REM
GND
+5V
R260
47
C219
47uF
USB LED
USB LED
+5V
1
2
10
9
7
6
3
4
5
B200
BZ1
L201
200UH
C232
470/16V
R226
1K
R227
1K
R203
100
C233
104
C235
220U/35V
D208
FR104
R205
100
R204
100
DZ200
6.2V/1W
D204
4148
C234
473M
+5V
ECO-power
-28V
VF2-1
VF1-1
G
1
B
2
A
3
ENCODER800
ENCODER
LED501
绿色
LED
LED701
LED
LED702
LED
LED703
LED
R700
100
R701
100
R702
100
R501
1K
+5V
1
2
3
CN202
1
2
CN501
2P/2.0
1
2
3
4
CN208
TO-USB
vbus
5
D-
2
D+
3
GND
4
GND
1
J400
USB HOST
1
2
3
4
CN401
4P/2.0
SW208
DSC
SW209
NES
VOL BLOCK
USB BLOCK
D209
4148
DS-STB1
DS-DAT
DS-CLK
DS-STB1
DS-DAT
DS-CLK
REM
+5V
ECO-POWER
GND
1
2
3
4
5
6
7
CN?
7P
R210
15
R211
10K
R224
X
R206
0
R207
0
C202
104
C204
104
C205
47uF
D201
4001
UGND
1
2
ROTA
ROTB
VGND
R907
220
R904
4K7
C902
102
R905
1M
C903
47uF/25V
R909
680
R906
1K2
R903
4K7
C901
1uF/50V
R908
10K
45
31
2
RV900
RV-XG (100K)
C900
1uF/50V
Q900
9014
1
2
3
4
5
CN900
4P
MUTE
M12V
MIC-L
MIC GND
1
2
3
4
CN201
COM4
1
L
2
4
3
R
5
6
7
8
9
10
11
J201
PHONE3.5
RO-H
LO-H
GND-H
MU-H
MCB700-2
J900
MCK35-20
MIC-L
R910
47K
R911 47K
SW1
1
SW2
2
SW3
3
SW4
4
DOUT
5
DIN
6
IC
7
CLK
8
STB
9
KEY1
10
KEY2
11
KEY3
12
KEY4
13
Vdd
14
S1/KS1
15
S2/KS2
16
S3/KS3
17
S4/KS4
18
S5/KS5
19
S6/KS6
20
S7/KS7
21
S8/KS8
22
S9/KS9
23
S10/KS10
24
S11/KS11
25
S12/KS12
26
S13
27
S14
28
S15
29
S16
30
S17/G12
31
S18/G11
32
Vdd
33
VEE
34
S19/G10
35
S20/G9
36
G8
37
G7
38
G6
39
G5
40
G4
41
G3
42
G2
43
G1
44
Vdd
45
LED5
46
LED4(BBE)
47
LED3(POWER)
48
LED2(FANCT)
49
LED1(7507RST)
50
Vss
51
OSC
52
IC203
uPD16311
Q208
8050
Q209
8050

Other manuals for Philips MCD710

Related product manuals