EasyManua.ls Logo

Philips MCD710 - Page 17

Philips MCD710
35 pages
Print Icon
To Next Page IconTo Next Page
To Next Page IconTo Next Page
To Previous Page IconTo Previous Page
To Previous Page IconTo Previous Page
Loading...
9 - 2
9 - 2
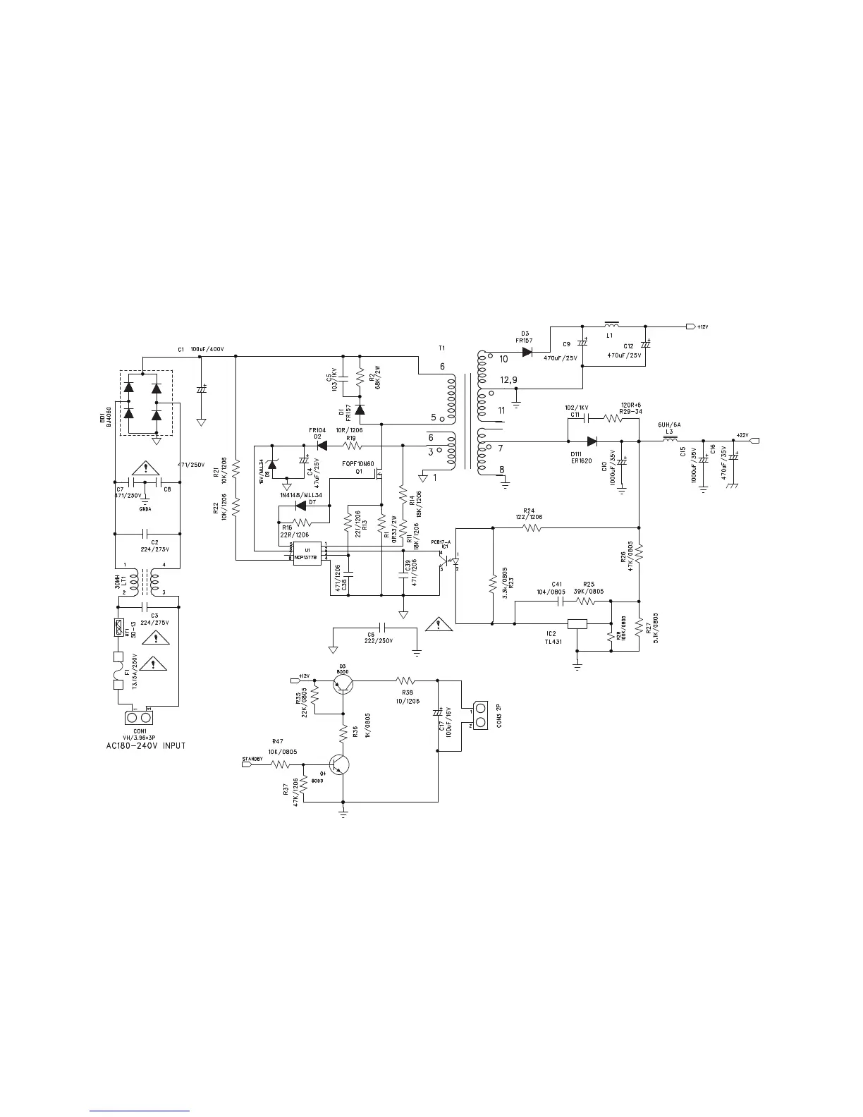
CIRCUIT DIAGRAM - AMP/POWER BOARD
PART 2

Other manuals for Philips MCD710

Related product manuals