EasyManua.ls Logo

Philips MCD712 - Page 21

Philips MCD712
38 pages
Print Icon
To Next Page IconTo Next Page
To Next Page IconTo Next Page
To Previous Page IconTo Previous Page
To Previous Page IconTo Previous Page
Loading...
9-3
9-3
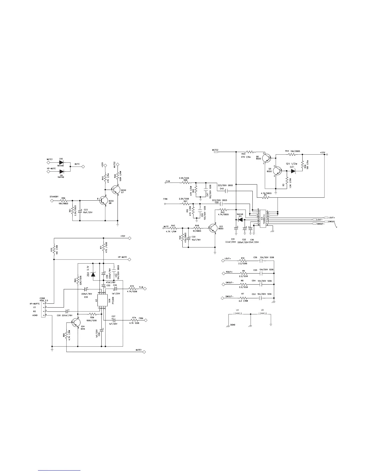
Power Board -- Circuit Diagram

Other manuals for Philips MCD712

Related product manuals