EasyManua.ls Logo

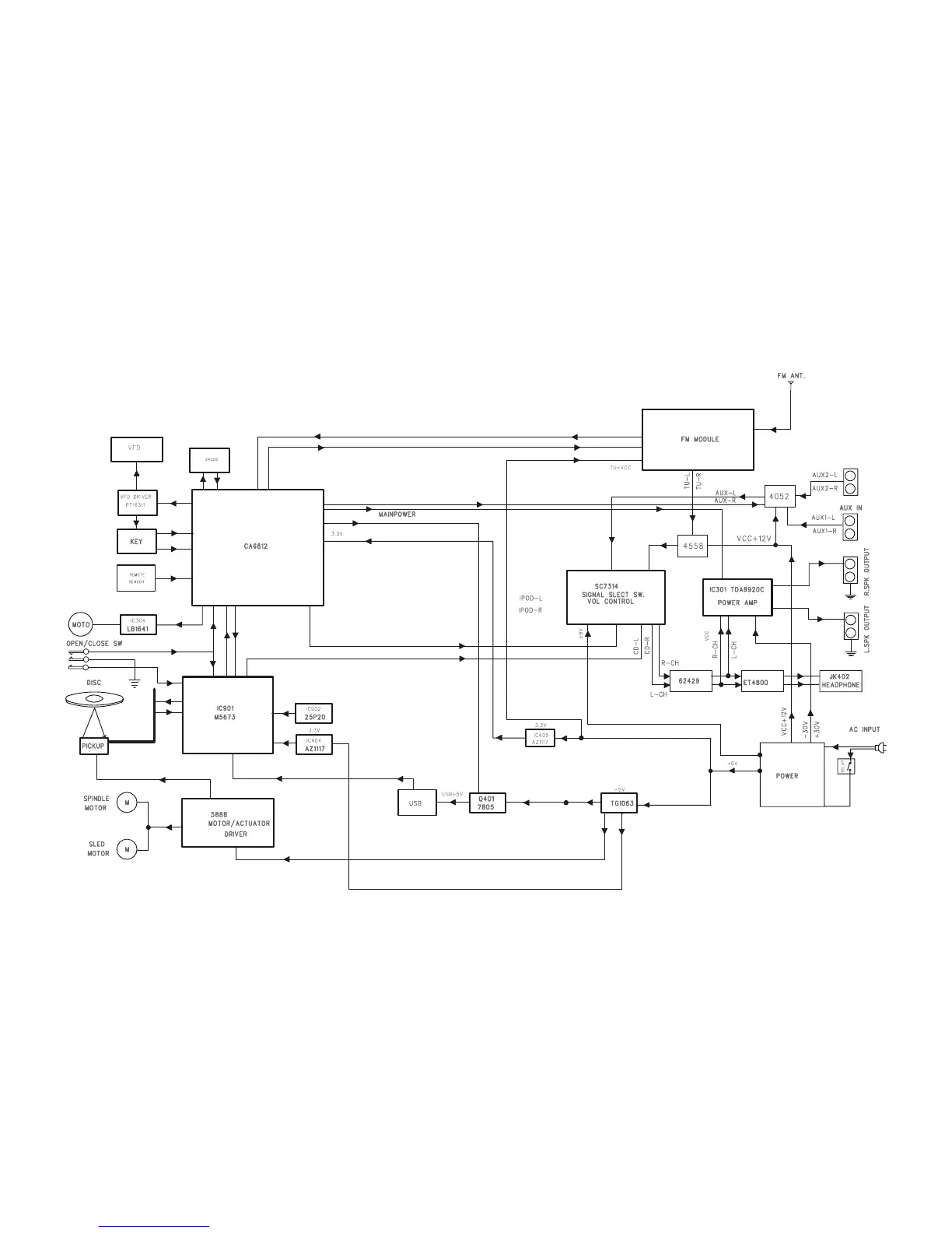
Philips MCM3000 - Block Diagram

Philips MCM3000
27 pages
Print Icon
To Next Page IconTo Next Page
To Next Page IconTo Next Page
To Previous Page IconTo Previous Page
To Previous Page IconTo Previous Page
Loading...
SET BLOCK DIAGRAM
3 - 1
3 - 1

Other manuals for Philips MCM3000

Related product manuals