EasyManua.ls Logo

Philips MX5100VR/00 - Page 52

Philips MX5100VR/00
151 pages
Print Icon
To Next Page IconTo Next Page
To Next Page IconTo Next Page
To Previous Page IconTo Previous Page
To Previous Page IconTo Previous Page
Loading...
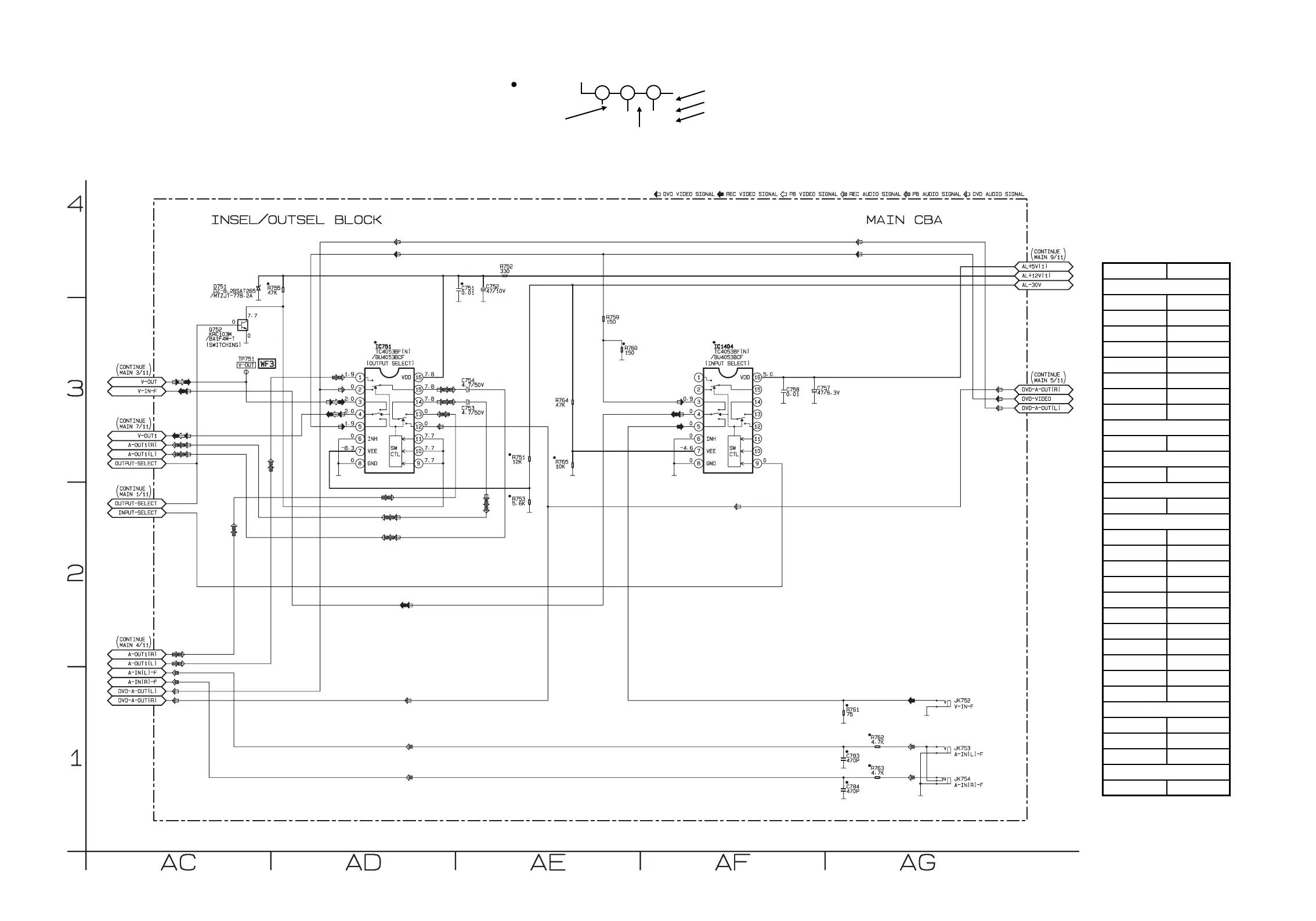
Main 6/11 Schematic Diagram < VCR Section >
1-12-17
1-12-18
E9015SCM6
ā€œ ā€œ = SMD
THE SAME VOLTAGE FOR BOTH
PLAY, REC & DVD MODES.
INDICATES THAT THE VOLTAGE
IS NOT CONSISTENT HERE.
PLAY MODE
REC MODE
1
2
3
5.0
5.0
(2.5)
<5.0>
~
DVD MODE
MAIN 6/11 Schematic Diagram
Parts Location Guide
Ref No. Position
C751 AE-4
C752 AE-4
C753 AE-3
C754 AE-3
C757 AF-3
C758 AF-3
C783 AG-1
C784 AG-1
D751 AC-4
IC751 AD-3
Q752 AC-3
R751 AE-3
R752 AE-4
R753 AE-2
R755 AD-4
R759 AE-3
R760 AE-3
R761 AG-1
R762 AG-1
R763 AG-1
R764 AE-3
R765 AE-3
JK752 AG-1
JK753 AG-1
JK754 AG-1
TP751 AC-3
CAPACITORS
DIODE
IC
TRANSISTOR
RESISTORS
MISCELLANEOUS
TEST POINT

Related product manuals