EasyManua.ls Logo

Philips MX5100VR/00 - Page 68

Philips MX5100VR/00
151 pages
Print Icon
To Next Page IconTo Next Page
To Next Page IconTo Next Page
To Previous Page IconTo Previous Page
To Previous Page IconTo Previous Page
Loading...
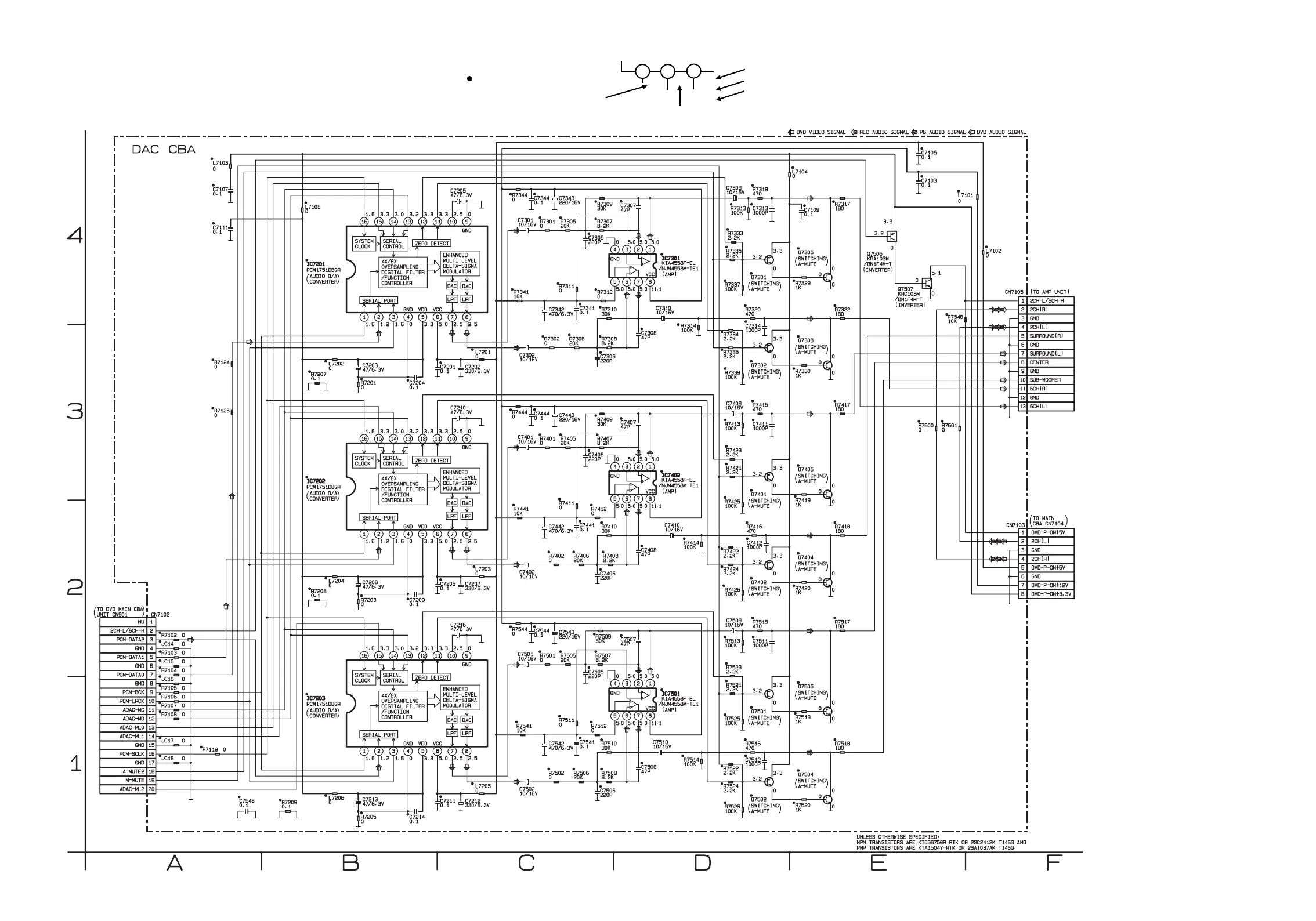
DAC Schematic Diagram < VCR Section >
1-12-47 1-12-48
E9015SCAV
ā€œ ā€œ = SMD
THE SAME VOLTAGE FOR BOTH
PLAY, REC & DVD MODES.
INDICATES THAT THE VOLTAGE
IS NOT CONSISTENT HERE.
PLAY MODE
REC MODE
1
2
3
5.0
5.0
(2.5)
<5.0>
~
DVD MODE

Related product manuals