EasyManua.ls Logo

Philips MX5100VR/00 - Page 75

Philips MX5100VR/00
151 pages
Print Icon
To Next Page IconTo Next Page
To Next Page IconTo Next Page
To Previous Page IconTo Previous Page
To Previous Page IconTo Previous Page
Loading...
1-12-61
1-12-62
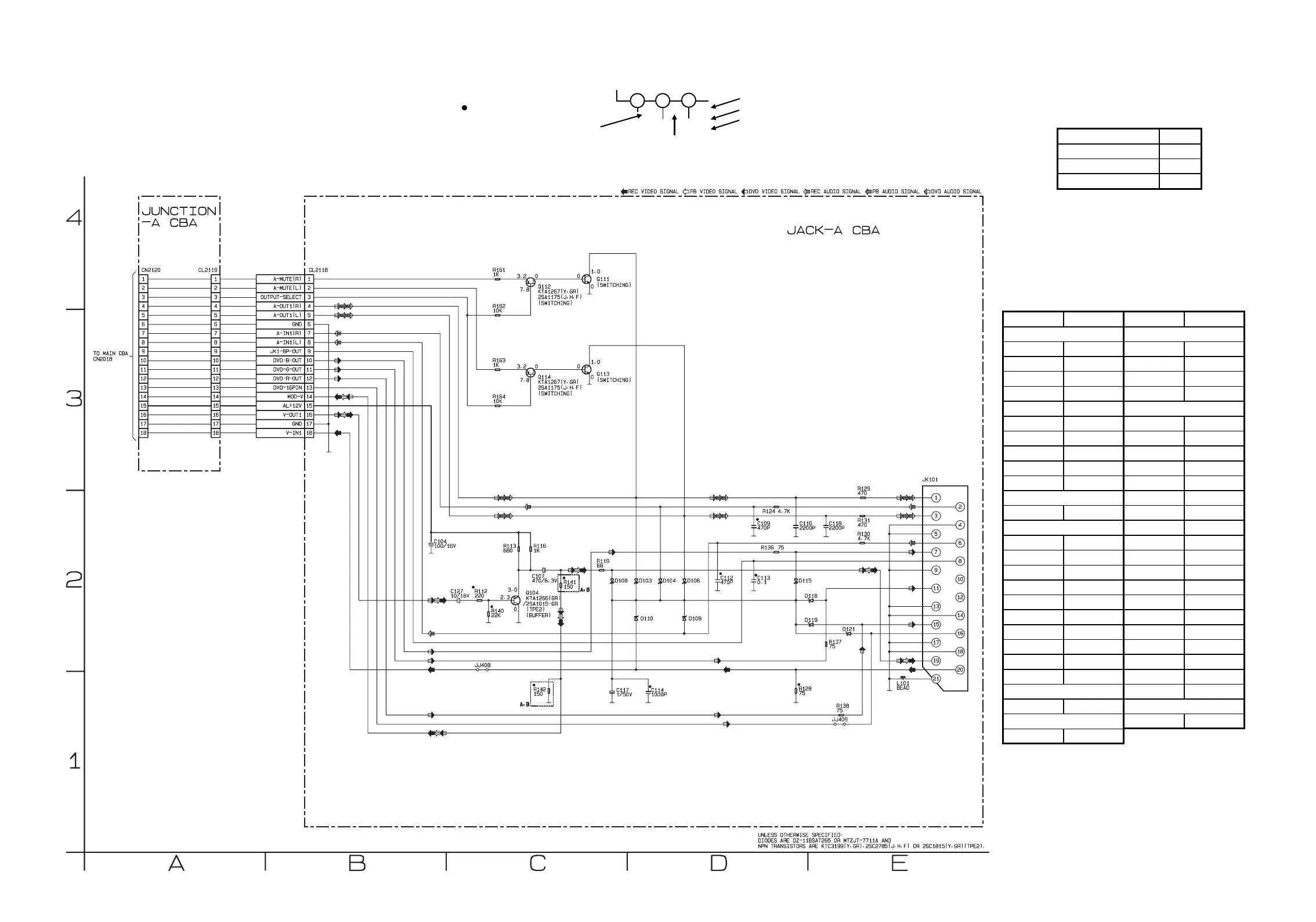
JACK-A & Junction-A Schematic Diagram < VCR Section >
E9015SCJA
JACK-A Schematic Diagram Parts Location Guide
Ref No. Position Ref No. Position
C104B-2Q111C-4
C107 C-2 Q112 C-3
C109 D-2 Q113 C-3
C112 D-2 Q114 C-3
C113 D-2
C114 D-1 R112 C-2
C116 D-2 R113 C-2
C117 C-1 R116 C-2
C118E-2R119C-2
C127 C-2 R124 D-2
R128 D-1
CL2118 B-4 R129 E-2
R130 E-2
D103 D-2 R131 E-2
D104 D-2 R136 D-2
D106 D-2 R137 E-2
D108 C-2 R138 E-1
D109 D-2 R140 C-2
D110 D-2 R141 C-2
D115 D-2 R142 C-1
D118E-2R161C-4
D119E-2R162C-3
D121E-2R163C-3
R164 C-3
L101 E-1
JK101 E-2
Q104 C-2
RESISTORS
CAPACITORS TRANSISTOR
CONNECTOR
MISCELLANEOUS
DIODES
TRANSISTOR
COIL
ā€œ ā€œ = SMD
THE SAME VOLTAGE FOR BOTH
PLAY, REC & DVD MODES.
INDICATES THAT THE VOLTAGE
IS NOT CONSISTENT HERE.
PLAY MODE
REC MODE
1
2
3
5.0
5.0
(2.5)
<5.0>
~
DVD MODE
Comparison Chart of
Models and Marks
MODEL MARK
MX5100VR/00 A
MX5100VR/05 B
MX5100VR/02 C

Related product manuals