EasyManua.ls Logo

Philips MX5100VR/00 - Page 88

Philips MX5100VR/00
151 pages
Print Icon
To Next Page IconTo Next Page
To Next Page IconTo Next Page
To Previous Page IconTo Previous Page
To Previous Page IconTo Previous Page
Loading...
TDA7468
7130
16
10
19
11
18
27
13
28
3
26
4
25
5
24
6
23
8
21
2
7
22
12
17
14
15
9
20
1
VOLUME I
RIGHT
SUR.
SOURCE
SUPPLY
POWER
SELECTOR
TREBLE
LEFT
VOLUME II
LOGIC
LEFT
REC
IIC BUS
BASS ALC
BASS
LEFT
VOLUME I
LEFT
SUR.
TREBLE
RIGHT
VOLUME II
RIGHT
BASS
RIGHT
4.7V
4.7V
4.7V
10.1V
9.5V
E
F
G
H
I
U4 B7
U6 B6
1100 A6
1101 A7
1237 D1
2100 A3
2101 A3
2102 C4
2103 E3
2104 E3
2110 C9
2111 C9
2112 C10
2113 B8
2114 C10
2115 B10
2116 A10
2117 A11
2118 D13
From Tuner module
4.7V
4.7V
12345678910111213
12345678910111213
A
B
C
D
E
F
G
H
I
A
B
C
D
9.5V
2119 F7
2120 F6
2121 F6
2122 F6
2130 C6
2131 D6
2132 C7
2133 C7
2134 A6
2136 F5
2137 F12
2138 F12
2139 F12
2141 C2
2143 E12
2150 B3
4.7V
4.7V
4.7V
2151 A3
2152 D4
2153 F3
2154 F3
2160 G9
2161 H9
2162 G10
2163 I9
2164 G10
2165 I10
2166 I10
2167 I11
2168 G13
2169 F7
2170 F7
2171 F7
2172 F8
3100 A2
3101 A2
3102 C3
3104 E2
3105 E2
3113 D9
3114 C9
3115 B9
3116 B9
3117 B10
3118 B11
12.3V
3119 D12
3120 D2
3121 D2
3122 D2
3123 D3
3124 C4
3130 C6
3131 E12
3132 E12
3140 D1
3141 D2
3142 D1
3143 D2
3150 A2
3151 B2
3152 D4
3153 D4
3154 F2
3155 F2
3163 G9
3164 H9
3165 H9
3166 I9
3167 I10
3168 I11
3169 F12
6131 D7
4.7V
4.7V
4.7V
4.7V
7131 C7
T100 C1
T101 C1
T102 D1
T103 D1
T104 D1
T105 D1
T106 D1
T107 D1
T108 F1
T109 F1
T110 F1
T117 A7
T118 C7
T119 I6
T121 I6
T130 A3
T131 A3
T132 C6
T135 D13
T136 F1
3
U101 B6
4.9V
DC voltage measured in DISC mode PLAY
4.7V
Provision in layout only
4.7V
*
U102 B7
U103 B7
Components under item 1180
4.9V
4.7V
4.7V
2 CH INPUT
4.7V
#
4.7V
4.7V
4.7V
2CH_GND
2CH_GND
T135
2CH_GND2CH_GND
I2C_DATA
I2C_CLK
18K
3164
4.7V
4.7V
4.7V
1101
1
GND_LR
2150
3n3
RT-01T
GND_LR
A_TU
3152
1K
3102
GND_LR
1K
15K
2161
1n
3n3
2112
3104
T132
T131
2CH_GND 2CH_GND
T130
1u
2104
5K6
3115
15K
6131
2CH_GND
3154
2163
2CH_GND
BZX79-B10
GND_LR
470n
33K
3155
2170
100p
GND_D
1B_L
100n
2141
2CH_GND
100n
2139
2CH_GND
2CH_GND
2CH_GND
BC547B
7131
T106
T117
1n
2168
2CH_GND
GND_S
T100
T101
470n
2CH_GND
100p
2138
2117
3123
10K
+D
2CH_GND
100p
2137
2165
220n
33K
3101
2132
22u
TU_STEREO
100p
2119
A_TU
2122
100p
2CH_GND
GND_LR
3121
10K
2CH_GND
330n
2116
220R
3169
A_TU
2101
1u
2130
2n2
2CH_GND
2CH_GND
10n
2110
2CH_GND
2167
470n
GND_D
3124
220K
3n3
2100
2CH_GND
2113
470n
U102
T104
U4
T103
3117
8K2
2CH_GND
2114
2n2
T108
10K
3120
T107
2121
100p
GND_D
47K
3166
100p
2n2
2164
T109
2169
18K
3114
2CH_GND
TU_DATA
2CH_GND
100R
3140
3105
33K
2CH_GND
2CH_GND
U103
3132
1K
10K
3122
2CH_GND
2CH_GND
1n
2136
A_HP
22n
2133
A_TU
2CH_GND
TU_CLK
3100
2CH_GND
2171
100p
U6
1K
220K
T105
1100
RT-01T
1
3153
3163
10K
2166
330n
2131
220u
10K
3113
T118
T136
1u
+12A
2154
2111
1n
TU_CE
T110
220n
U101
2115
2CH_GND
330p
2153
3118
2CH_GND
2CH_GND
2CH_GND
5K6
1B_R
1u
2151
8
3151
33K
FE-BT-VK-N
1237
1
2
3
4
5
6
7
2152
100n
2134
2102
100n
100p
47u
2162
3n3
2120
2CH_GND
2118
1n
100R
3141
+12A
100R
3142
GND_SUB
3130
150R
T102
1K
3150
5K6
3168
2143
470n
3165
10n
2160
47K
3116
5K6
1K
3131
100R
3143
8K2
3167
220R
3119
100p
2103
330p
6CH_L
6CH_R
2CH_R
2CH_L
TU_LEFT
TU_Right
2172
LINE_L
MUX_L
MUX_R
VREF
+9V4
LINE_R
1-12-87
1-12-88
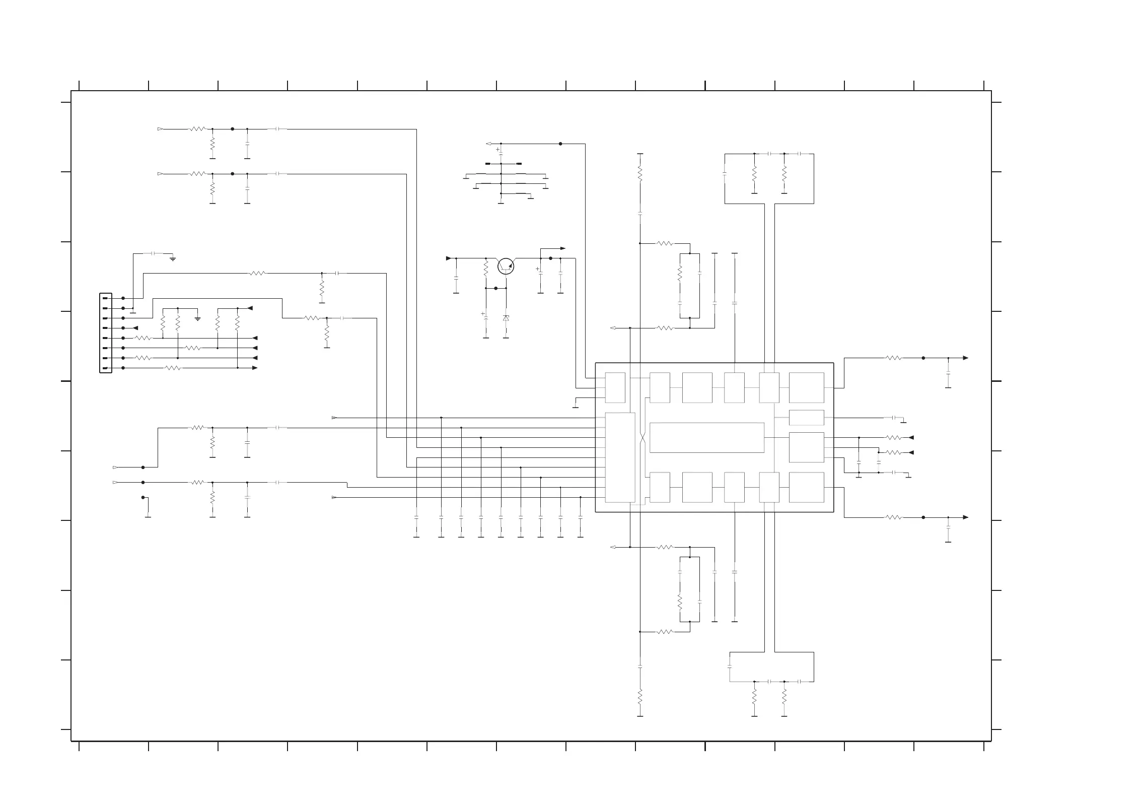
AF 1/4 Schematic Diagram < AMP UNIT Section >
E9015SCAF1

Related product manuals