EasyManua.ls Logo

Philips MX5100VR/00 - Page 98

Philips MX5100VR/00
151 pages
Print Icon
To Next Page IconTo Next Page
To Next Page IconTo Next Page
To Previous Page IconTo Previous Page
To Previous Page IconTo Previous Page
Loading...
t
L4941
678910
A
B
C
D
E
A
B
C
D
E
1100 D6
1200 A2
1203 A2
1204 D2
1205 D2
1258 D10
1259 D8
1263 A10
1264 B10
# Provision only
#
-30V
#
To Amplifier Board
To AV Board
From Mains Transformer
12345678910
12345
To AV Board
1270 C1
2200 C3
2201 C2
2202 E8
2203 A3
2204 A2
2205 A2
2206 A8
2207 B6
2208 D4
2209 D4
2211 D4
2212 D5
2213 D3
2215 E2
2217 E3
2218 E3
2219 D5
2220 D6
2222 A4
2223 A3
2224 D7
2225 D8
2226 B6
2227 A8
2228 C2
3200 B2
-39V
3201 A6
3202 A4
3203 A5
3204 A5
3205 A7
3206 A7
3207 B7
3208 B6
3209 B5
3210 A8
3211 B6
3216 B6
3217 E7
3218 E7
3219 E7
3222 E7
3223 E8
3224 C7
3225 C8
3226 C7
3227 D7
3228 D7
3229 B3
50V
NOT INSERTED
1204
T 4A
1205
3230 C2
3231 C3
6200 B2
6201 A7
6202 C2
6203 C4
6205 A6
6208 E8
6209 E8
6211 A3
6212 D3
6214 E3
6215 D7
6216 C3
6217 C2
6218 C3
7200 A5
7202 A7
7203 B7
7205 B5
7206 B5
7207 E8
7208 D5
7209 E3
7210 C7
9200 A7
9201 A5
9202 E6
PROVISION
IEC
12031200
100W/37 6A3
75W/100W/22/21 5A
6A3
5A
UL
OVERVOLTAGE
75W/100W
T 5A
PULLED UP IN AV BOARD
IEC
IEC
250V
DETECTION
PROVISION
250Vi6000
GND_D
1m0
2223
2222
1m0
GND_AMP
6200
1N4148
2224
100u
1259
EH-B
1
2
GND_D
2227
2m2
GND_AMP
BC857B
7205
GND_D
47K
3211
GND_D
6202
1N4003
4
5
6
7
8
9
GND_M
2
3
1258
EH-B
1
10
4m7
2207
3226
470R
2200
47n
1100
5
1264
EH-B
1
10
2
3
4
7207
10K
3203
15K
3218
GND_D
1204
T4A
4m7
2206
2K7
3201
6
7
8
9
3222
1K
USE NTC IN AMPLIFIER BOARD
-50V
GND_AMP
3205
10K
BC847B
7203
3200
4K7
100n
2209
GND_D
GND_M
3219
1K
GND_D
GND_D
47K
3204
6214
1N4148
GND_A
GND_M
BZX79-C4V7
6215
2220
47u
330R
3207
5R6
3225
47u
2219
T4A
1205
GND_M
4m7
2211
10K
3202
2m2
2226
9202
3223
4K7
3229
23
14
GND_D
100K
6212
GBU4K
330R
3216
680R
3208
4K7
3209
1
2
3
4
100n
2204
GND_AMP
FE-BT-VK-N
1263
7209
2
GND
1
IN OUT
3
GND_D
T5A
1203
6208
BAS316
7200
BUK7535-55A
BC327-25
7210
GND_M
GND_M
L7812CP
7208
GND
IN OUT
330n
2208
2322640
3228
2212
100n
10u
2201
BZX79-C8V2
6203
100u
2225
9200
7206
BC857B
3231
10K
3206
680R
1K
3227
47u
2202
3230
4K7
6217
10u
2228
BZX79-C39
6218
1N4003
7202
GND_AMP
BUK7535-55A
6K8
3217
6216
BZX79-C39
GBU8D
6211
14
2
3
GND_M
GND_A
100n
2217
6209
BAS316
GND_M
1200
T5A
10m
2215
9201
2205
100n
100n
2203
1270
VH
1
2
3
4
5
6
6201
BZX79-B27
220R
3224
3210
47K
BC847B
2213
100n
-VCC
2218
10u
BZX79-B27
6205
NTC1
+12V_M
-VH
+VH
+C
+C
NTC1
PW_DN
+Vref
+VH
40VAC
-VH
+VCC
+5V6
+VCC
+VCC
+VCC
-VCC
-VCC
-VCC
+12V_M
PW_DN
+5V6
+5V6
+12V_A
+12V_M
+12V_A
40VAC
NTC
+C
+Vref
+12V_M
+5V6
NTC
8239 210 93416 dd wk0334
39V
30V
6V
29.1V
-29.1V
0V
5.6V
13V
12V
26V
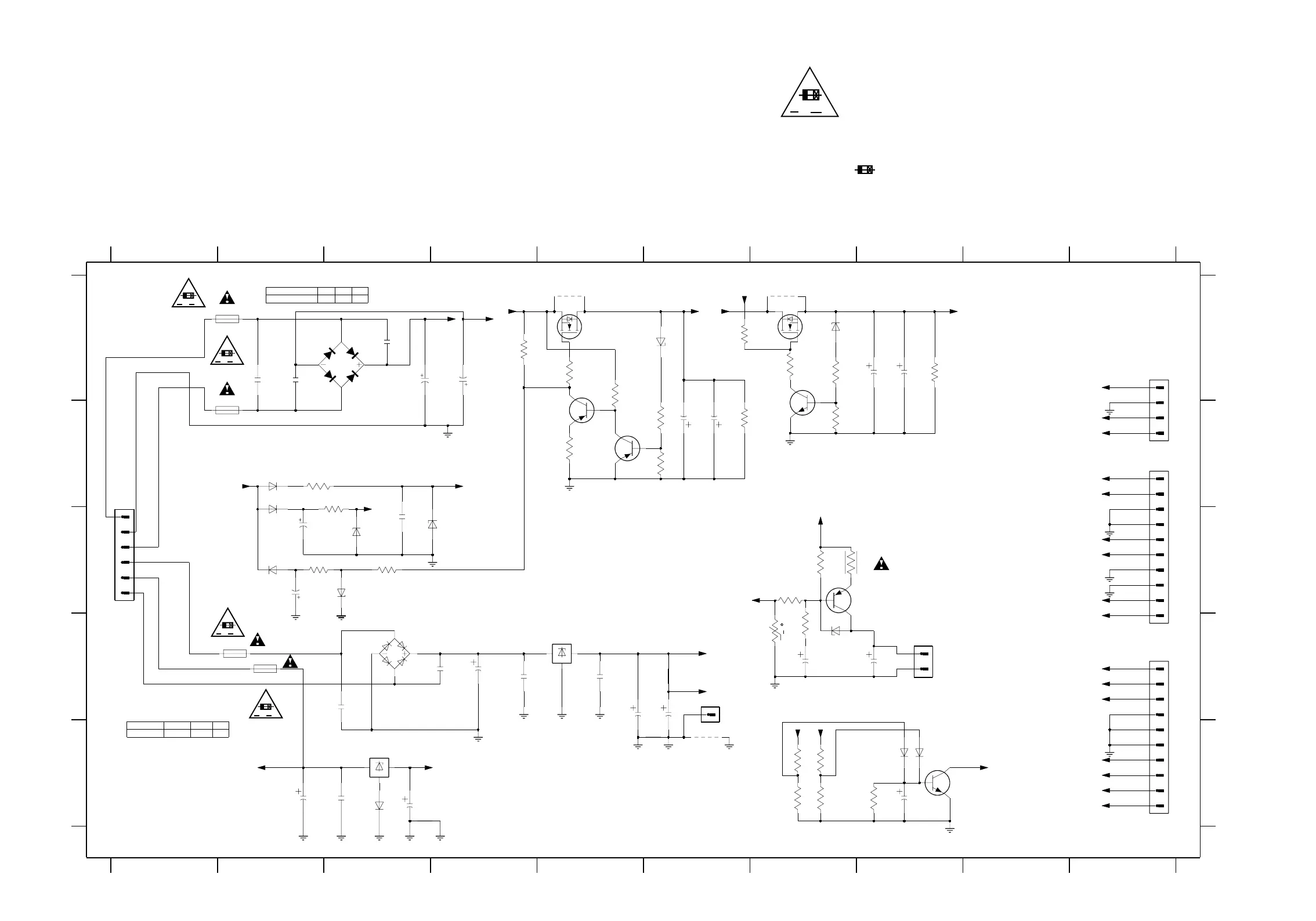
Power Supply (AUDIO MODULE) Schematic Diagram < AMP UNIT Section >
E9015SCPS
CAUTION
FOR CONTINUED PROTECTION AGAINST FIRE HAZARD, REPLACE ONLY
WITH THE SAME TYPE FUSE. 1200,1203: T5A 250V,
1204,1205: T4A 250V
Mfr: WICKMANN-WERKE GMBH TYPE NO.: 372.
ATTENTION
AFIN D’ASSURER UNE PROTECTION CONTINUE CONTRE LES RISQUES D’INCENDIE, UTILISER
UNIQUEMENT UN FUSIBLE DU MEME TYPE POUR LE REMPLACEMENT.
1200, 1203 : T5A 250 V
1204, 1205 : T4A 250 V
Fabricant : WICKMANN-WERKE GMBH TYPE NO. : 372
RISK OF FIRE-REPLACE FUSE AS MARKED.
"This symbol means slow operating fuse."
"Ce symbole signifie fusible à action lente."
A V
T
A V
T
A V
T
A V
T
A V
T
1-12-107
1-12-108

Related product manuals