EasyManua.ls Logo

Philips N 4450 - Page 14

Philips N 4450
24 pages
Print Icon
To Next Page IconTo Next Page
To Next Page IconTo Next Page
To Previous Page IconTo Previous Page
To Previous Page IconTo Previous Page
Loading...
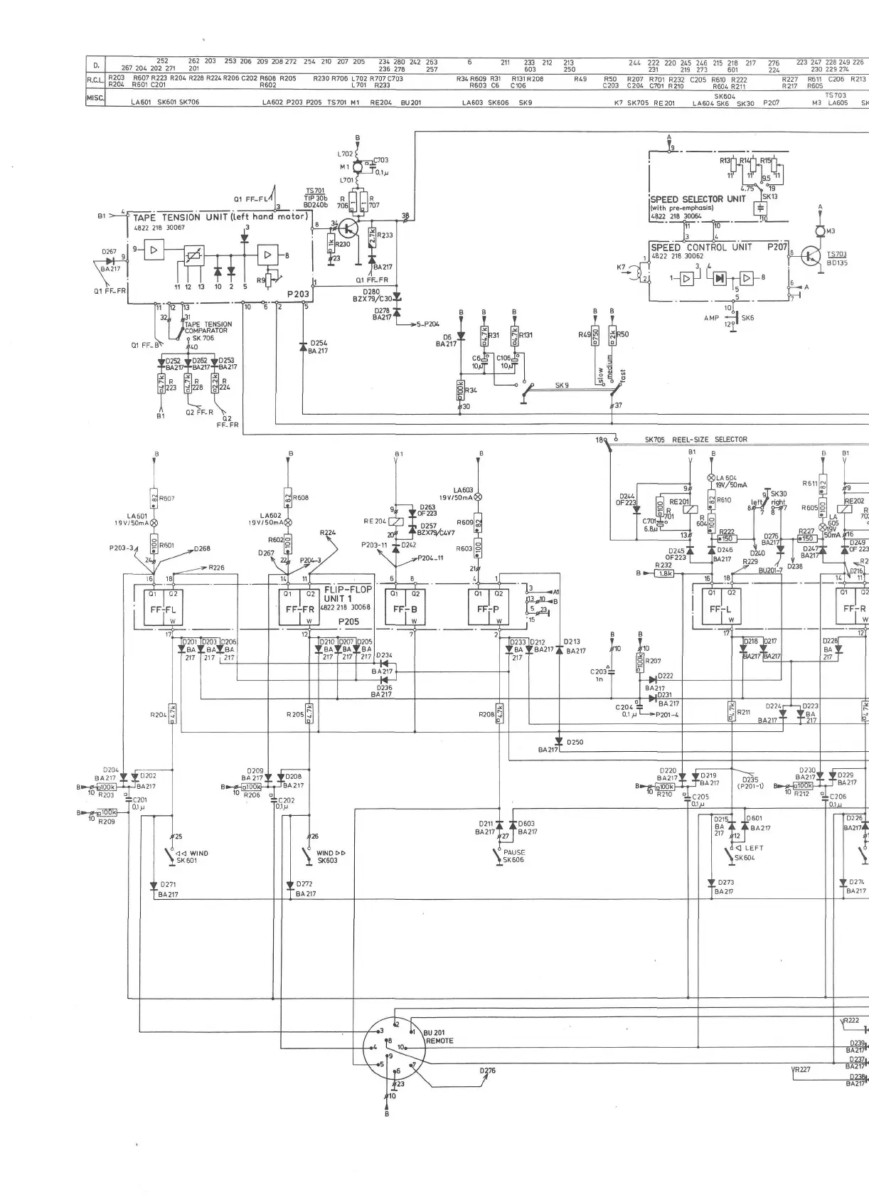
Fig.
19
CS31719