EasyManua.ls Logo

Philips N 4450 - Page 15

Philips N 4450
24 pages
To Next Page IconTo Next Page
To Next Page IconTo Next Page
To Previous Page IconTo Previous Page
To Previous Page IconTo Previous Page
Loading...
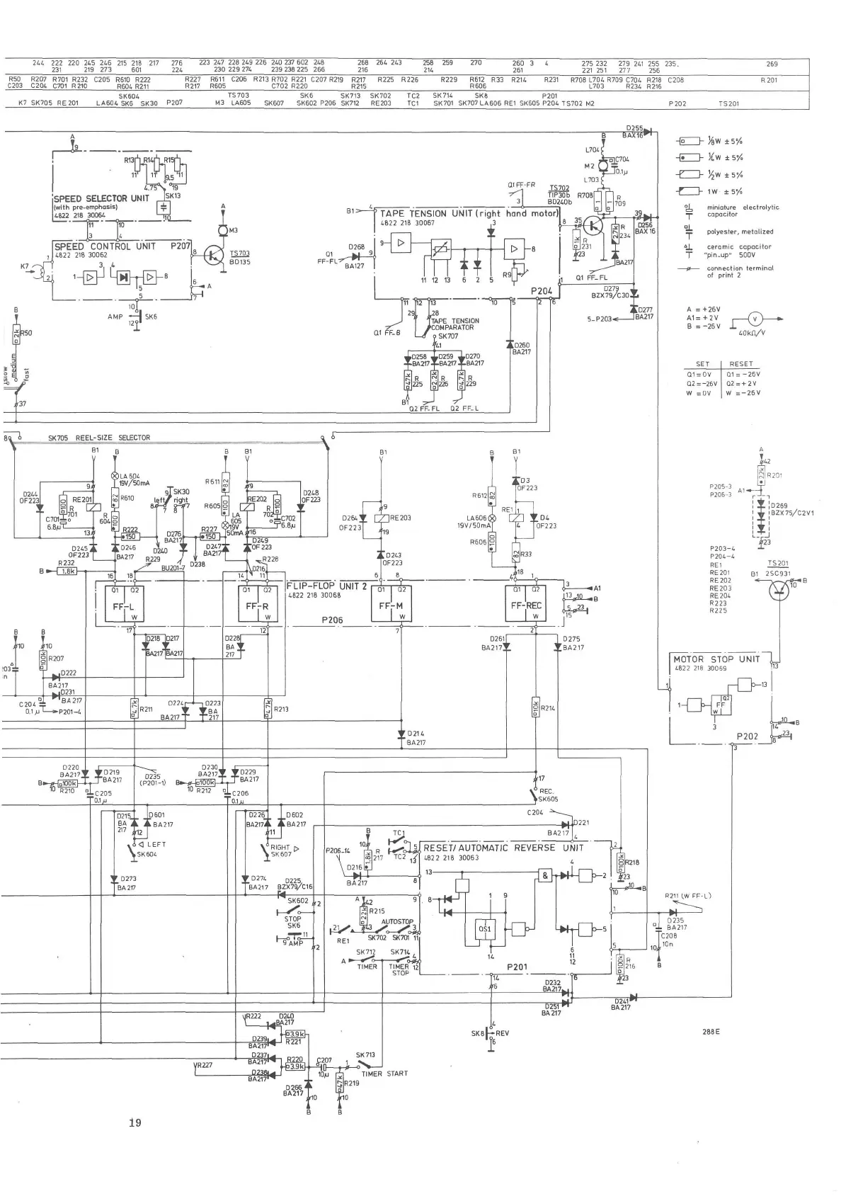
Fig.
19

Related product manuals