EasyManua.ls Logo

Philips N 4450 - Page 20

Philips N 4450
24 pages
Print Icon
To Next Page IconTo Next Page
To Next Page IconTo Next Page
To Previous Page IconTo Previous Page
To Previous Page IconTo Previous Page
Loading...
P201
RESET/AUTOMATIC REVERSE UNIT
4822 218 30063
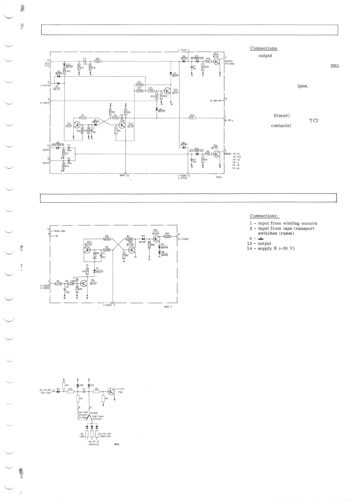
Connections:
1 -
Output
to W/FF-L
2 - Output to W/FF-REC (reset)
4' - connection to SK602 (STOP) and
SK6
(AMP) (reset input)
5 - reset output
6 - reset input
8 - input from FF-R
(pos,
autoreverse)
9 - input from tape transport Switches
10 - supply B (-26 V)
11 - connection to SK701 and SK702
(counter)
12 - connection to SK712, SK713 and
SK714
(timer)
13 - connection to TC1 and
TC2
(tape
contacts)
14 - connection to SK8 (REV)
Fig. 20
P202
MOTOR STOP UNIT 4822 218 30069
Fig. 21
Fig. 22

Related product manuals